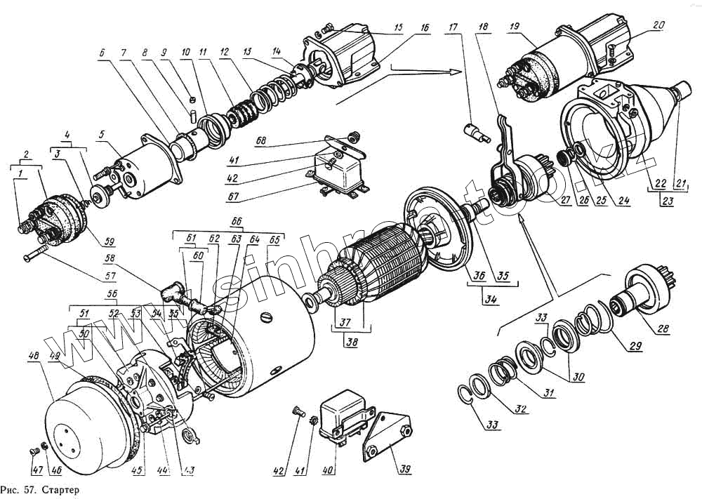
Каталог запасных частей к технике: ГАЗ-14 (Чайка). Стартер
1
2
3
4
5
6
7
8
9
10
11
12
13
14
15
16
17
18
19
20
21
22
23
24
25
26
27
28
29
30
31
32
33
33
34
35
36
37
38
39
40
41
41
42
42
43
44
45
46
47
48
49
50
51
52
53
54
55
56
57
58
59
60
61
62
63
64
65
66
67
68
| Позиция на иллюстрации | Заводской номер детали | Название детали | |
|---|---|---|---|
| 1 | СТ230-3708832-Т | Болт контактный | |
| 2 | СТ230Г-3708890 | Крышка реле | |
| 3 | СТ222-3708867-Т | Пружина диска реле | |
| 4 | СТ230-3708860 | Плунжер в сборе | |
| 5 | СТ230Г-3708830 | Ярмо | |
| 6 | СТ230А-3708812 | Якорь | |
| 7 | СТ230А-3708808 | Кольцо уплотнительное | |
| 8 | СТ230А-3708818 | Штифт | |
| 9 | СТ230А-3708824 | Заглушка | |
| 10 | СТ230А-3708816 | Фланец | |
| 11 | СТ230А-3708803 | Сильфон | |
| 12 | СТ230-3708804 | Пружина якоря реле | |
| 13 | СТ230А-3708815 | Тяга в сборе | |
| 14 | СТ230-3708814 | Шайба упорная | |
| 15 | Винт крепления реле М6Х14.58.016, ГОСТ 1 | Винт крепления реле М6Х14.58.016, ГОСТ 17473-72 | |
| 16 | СТ230-3708805 | Основание реле | |
| 17 | СТ230-3708014 | Ось рычага | |
| 18 | СТ230-3708020 | Рычаг включения привода в сборе | |
| 19 | СТ230-3708800 | Реле стартера | |
| 20 | Винт крепления основания реле 2М6Х20.58. | Винт крепления основания реле 2М6Х20.58.016, ГОСТ 17473-72 | |
| 21 | СТ230-3708402 | Вкладыш СП138-88 | |
| 22 | СТ230А-3708401 | Крышка со стороны привода | |
| 23 | СТ230А-3708400-Т | Крышка со стороны привода в сборе | |
| 24 | СТ230-3708005 | Шайба | |
| 25 | СТ230-3708007 | Кольцо замковое | |
| 26 | СТ230-3708004 | Кольцо упорное | |
| 27 | СТ230-3708600 | Привод в сборе | |
| 28 | СТ230-3708610 | Муфта привода в сборе | |
| 29 | СТ21-3708603-А | Пружина | |
| 30 | СТ230-3708601 | Втулка отводки | |
| 31 | СТ21-3708604 | Пружина | |
| 32 | СТ230-3708606 | Чашка | |
| 33 | СТ230-3708602 | Кольцо пружинное | |
| 34 | СТ230-3708050-А | Подшипник в сборе | |
| 35 | СТ230-3708052 | Вкладыш | |
| 36 | СТ230-3708051 | Держатель подшипника | |
| 37 | СТ230-3708220 | Коллектор в сборе | |
| 38 | СТ230-3708200-Т | Якорь в сборе | |
| 39 | 14-3708036 | Кронштейн в сборе | |
| 40 | 2101-3702600 | Реле блокировки стартера | |
| 41 | 252273-П29 | Шайба 5 ОСТ 37.001.146-75 | |
| 41 | 252273-П29 | Шайба 5 ОСТ 37.001.146-75 | |
| 42 | 220077-П29 | Винт М5-6gх10 ОСТ 37.001.127-81 | |
| 42 | 220077-П29 | Винт М5-6gх10 ОСТ 37.001.127-81 | |
| 43 | СТ230-3708001 | Шайба специальная | |
| 44 | Шайба 6Т65Г016, ГОСТ 6402-70 | Шайба 6Т65Г016, ГОСТ 6402-70 | |
| 45 | СТ230-3708003 | Шпилька стяжная | |
| 46 | Шайба 4Н65Г016, ГОСТ 6402-70 | Шайба 4Н65Г016, ГОСТ 6402-70 | |
| 47 | Винт 2М4Х8.058.016, ГОСТ 17473-72 | Винт 2М4Х8.058.016, ГОСТ 17473-72 | |
| 48 | СГ230-3708041-Т | Кожух защитный | |
| 49 | СТ230-3708042 | Кольцо уплотнительное | |
| 50 | СТ230-3708302 | Вкладыш | |
| 51 | СТ230-3708301 | Крышка со стороны коллектора с вкладышем | |
| 52 | СТ230-3708304 | Пружина щетки | |
| 53 | Шайба 5Т65Г016, ГОСТ 6402—70 | Шайба 5Т65Г016, ГОСТ 6402—70 | |
| 54 | ФЭ599164-04, ОСТ160 | Щетка | |
| 55 | Винт 2М5Х10.58.016, ГОСТ 17473—72 | Винт 2М5Х10.58.016, ГОСТ 17473—72 | |
| 56 | СТ230-3708300-Т | Крышка в сборе | |
| 57 | Винт 2М5Х30.58.016, ГОСТ 17473-72 | Винт 2М5Х30.58.016, ГОСТ 17473-72 | |
| 58 | СТ230-3708002 | Наконечник | |
| 59 | СТ230А-3708809 | Кольцо уплотнительное | |
| 60 | СТ230-3708183 | Колпачок резиновый вывода | |
| 61 | СТ230-3708160 | Вывод в сборе | |
| 62 | СТ230-3708104 | Изоляция проводов | |
| 63 | СТ230Г-3708110 | Катушка полюсов | |
| 64 | СТ230-3708102 | Полюс | |
| 65 | СТ230Г-3708101 | Корпус | |
| 66 | СТ230Г-3708100 | Корпус в сборе | |
| 67 | РС507-3721006 | Реле стартера (Г-53-50-3708250-20) | |
| 68 | 14-3801076 | Гайка М5 |
Содержащиеся в справочниках-каталогах запасные части и детали не предлагаются к продаже, а носят исключительно информационный характер