Каталог запасных частей к технике: ГАЗ-14 (Чайка). Радиооборудование
1
1
2
3
3
3
4
4
5
6
6
6
7
8
9
10
11
12
13
13
14
14
15
15
15
15
16
17
18
19
20
21
22
23
23
24
25
25
25
26
27
27
28
29
29
30
31
32
33
34
35
36
37
38
39
40
41
41
41
42
43
44
45
46
47
47
48
49
50
51
51
52
53
54
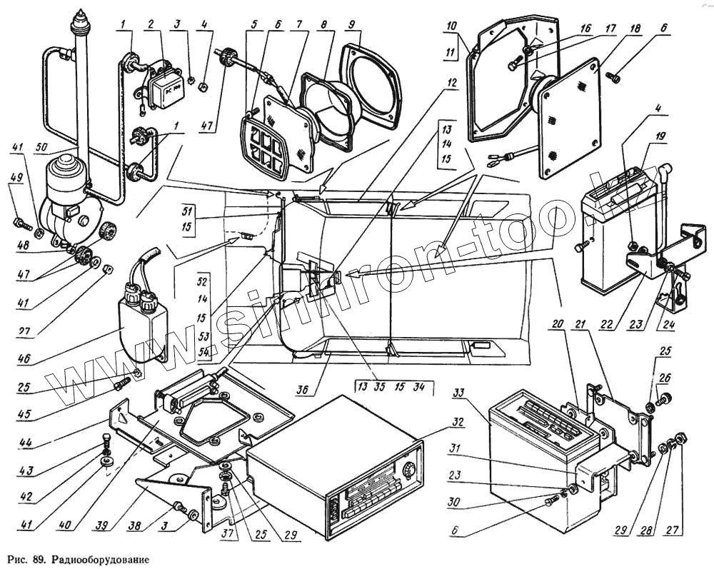
| Позиция на иллюстрации | Заводской номер детали | Название детали | |
|---|---|---|---|
| 1 | 12-3717035 | Втулка уплотнительная | |
| 1 | 12-3717035 | Втулка уплотнительная | |
| 2 | РС700Т | Реле включения электродвигателя | |
| 3 | 252273-П29 | Шайба 5 ОСТ 37.001.146-75 | |
| 3 | 252273-П29 | Шайба 5 ОСТ 37.001.146-75 | |
| 4 | 250763-П29 | Гайка М5 | |
| 4 | 250763-П29 | Гайка М5 | |
| 5 | 14-7909140 | Облицовка громкоговорителя в сборе | |
| 6 | 224599-П29 | Винт М5-6gх14 | |
| 6 | 224599-П29 | Винт М5-6gх14 | |
| 7 | 3.843036 | Громкоговоритель (14-7909010) | |
| 8 | 14-7909116 | Кожух | |
| 9 | 14-7909118 | Уплотнитель | |
| 10 | 14-7909050 | Кронштейн крепления заднего громкоговорителя правый в сборе | |
| 11 | 14-7909051 | Кронштейн крепления заднего громкоговорителя левый в сборе | |
| 12 | СГ.6.640.229 | Провод (14-7905064) | |
| 13 | 53-3724063 | Провод массы двигателя | |
| 13 | 53-3724063 | Провод массы двигателя | |
| 14 | 201454-П29 | Болт М8-6gх16 ОСТ 37.001.123-96 | |
| 14 | 201454-П29 | Болт М8-6gх16 ОСТ 37.001.123-96 | |
| 15 | 293270-П29 | Шайба 8,2 | |
| 15 | 293270-П29 | Шайба 8,2 | |
| 15 | 293270-П29 | Шайба 8,2 | |
| 16 | 252135-П29 | Шайба 8Т | |
| 17 | 201453-П29 | Болт М8-6gх14 | |
| 18 | 3.843.034 | Система акустическая (14-7909030) | |
| 19 | АСR922 | Магнитофонная приставка (14-7908010) | |
| 20 | 6.120.051 | Основание блока пульта дистанционного устройства (14-7901170) | |
| 21 | 14-7901174 | Кронштейн крепления блока пульта дистанционного устройства в сборе | |
| 22 | 14-7908048 | Кронштейн крепления магнитофона: приставки в сборе | |
| 23 | 252003-П29 | Шайба 5 ОСТ 37.001.144-96 | |
| 23 | 252003-П29 | Шайба 5 ОСТ 37.001.144-96 | |
| 24 | 224600-П29 | Винт М5-6gх16 | |
| 25 | 252274-П29 | Шайба 6 ОСТ 37.001.146-75 | |
| 25 | 252274-П29 | Шайба 6 ОСТ 37.001.146-75 | |
| 26 | 220101-П29 | Винт М6-6gх8 ОСТ 37.001.127-81 | |
| 27 | 250508-П29 | Гайка М6-6Н ОСТ 37.001.124-93 | |
| 27 | 250508-П29 | Гайка М6-6Н ОСТ 37.001.124-93 | |
| 28 | 252154-П29 | Шайба 6Л ОСТ 37.001.115-75 | |
| 29 | 252004-П29 | Шайба 6 ОСТ 37.001.144-96 | |
| 30 | 252153-П29 | Шайба 5 | |
| 31 | 14-7901172 | Облицовка блока пульта дистанционного устройства в сборе | |
| 32 | 2.021031-02 | Блок радиоприемного устройства (14-7901010) | |
| 33 | 3.624.002 | Блок пульта дистанционного устройства (14-7901170) | |
| 34 | 250610-П29 | Гайка М8-6Н ОСТ 37.001.124-93 | |
| 35 | 201456-П29 | Болт М8-6gх20 ОСТ 37.001.123-96 | |
| 36 | 4.853.024 | Соединительный кабель (14-7905060) | |
| 37 | 222522-П29 | Винт М6-6gх10 | |
| 38 | 290393-П29 | Болт М5-6gх12 | |
| 39 | 14-7901252 | Кронштейн крепления радиоприемника в сборе | |
| 40 | 6.120.050 | Основание блока радиоприемного устройства (14-7901016) | |
| 41 | 252037-П29 | Шайба 6 ОСТ 37.001.144-96 | |
| 41 | 252037-П29 | Шайба 6 ОСТ 37.001.144-96 | |
| 42 | 252134-П29 | Шайба 6 | |
| 43 | 201416-П29 | Болт М6-6gх12 ОСТ 37.001.123-96 | |
| 44 | 14-7901266 | Планка крепления кронштейна радиоприемника | |
| 45 | 222525-П29 | Винт М6-6gх16 ОСТ 37.001.128-96 | |
| 46 | ФР-82-ФТ | Фильтр радиопомех цепи индукционной катушки в сборе (40Ю-7904030) | |
| 47 | 70-143187 | Втулка | |
| 47 | 70-143187 | Втулка | |
| 48 | 14-7903190 | Муфта втулки амортизации антенны | |
| 49 | 201422-П29 | Болт М6-6gх25 ОСТ 37.001.123-96 | |
| 50 | АР104БТ | Антенна с электроприводом (Г24-7903010А) | |
| 51 | 14-7901172 | Облицовка блока пульта дистанционного устройства в сборе | |
| 51 | 14-7904566 | Провод соединения массы капота с кузовом в сборе | |
| 52 | 40-3724563 | Провод соединения массы двигателя с кузовом в сборе | |
| 53 | 201493-П29 | Болт М10-6gх16 ОСТ 37.001.123-96 | |
| 54 | 293319-П29 | Шайба 10 |
Содержащиеся в справочниках-каталогах запасные части и детали не предлагаются к продаже, а носят исключительно информационный характер