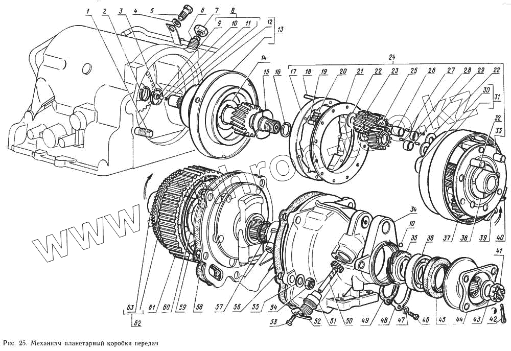
Каталог запасных частей к технике: ГАЗ-14 (Чайка). Механизм планетарный коробки передач
1
2
3
4
5
6
7
8
9
10
10
11
12
13
14
15
16
17
18
19
20
21
21
22
22
23
23
24
25
25
26
27
28
29
30
31
32
33
34
35
36
37
38
38
38
38
39
40
41
42
43
44
45
46
47
48
49
50
51
52
53
54
55
56
57
58
59
60
61
62
63
| Позиция на иллюстрации | Заводской номер детали | Название детали | |
|---|---|---|---|
| 1 | 291847-П2 | Шпилька М12х1,25-4hх32 | |
| 2 | 21-1710054 | Кольцо уплотнительное центрального вала переднее | |
| 3 | 21-1710055 | Кольцо уплотнительное центрального вала среднее | |
| 4 | 252204-П29 | Шайба 10 стопорная | |
| 5 | 21-1710078 | Болт специальный стопорный промежуточной опоры | |
| 6 | 21-1711383 | Винт регулировочный | |
| 7 | 250559-П29 | Гайка М14х1,5-6Н ОСТ 37.001.124-93 | |
| 8 | 14-1710040 | Вал центральный коробки передач с распределительной трубкой и шариковым клапаном в сборе | |
| 9 | 13-1710051 | Седло шарикового клапана центрального вала | |
| 10 | Б V 6,35 мм П ГОСТ | Шарик (508605) | |
| 10 | Б V 6,35 мм П ГОСТ 3 | Шарик (508605) | |
| 11 | 13-1710052 | Пружина шарикового клапана центрального вала | |
| 12 | 13-1710089 | Втулка промежуточной опоры | |
| 13 | 14-1710075 | Опора промежуточная с втулкой в сборе | |
| 14 | 21-1710062 | Шайба упорная центрального вала передняя | |
| 15 | 14-1710063 | Шайба упорная центрального вала задняя | |
| 16 | 21-1710056 | Кольцо уплотнительное центрального вала | |
| 17 | 14-1710252 | Ступица наружная муфты свободного хода | |
| 18 | 294969-П | Штифт 5Х45 | |
| 19 | Б III 8Х16 АР Н31-5 | Ролик (13-1710258) | |
| 20 | 21-1710260-01 | Пружина ролика | |
| 21 | 21-1710073 | Втулка задняя солнечной шестерни | |
| 21 | 14-1710253 | Сепаратор муфты свободного хода в сборе | |
| 22 | 21-1710094-Б | Шайба упорная сателлитов | |
| 22 | 14-1710070 | Шестерня солнечная со втулками в сборе | |
| 23 | 21-1710072 | Втулка передняя солнечной шестерни | |
| 23 | 14-1710090 | Сателлит длинный | |
| 24 | 14-1710079 | Каретка сателлитов с наружной ступицей муфты свободного хода, сепаратором и сателлитами в сборе | |
| 25 | 14-1710095 | Сателлит короткий | |
| 25 | 296055-П | Шпонка 5Х7,5Х19 | |
| 26 | 13-1710093 | Втулка распорная подшипников длинного сателлита передняя | |
| 27 | 2Х10 ГОСТ 6870-72 | Игла подшипников сателлитов (20-3401072) | |
| 28 | 21-1710097 | Втулка распорная подшипников длинного сателлита задняя | |
| 29 | 21-1710097-Б | Втулка распорная подшипников короткого сателлита | |
| 30 | 21-1710085 | Втулка крышки каретки сателлитов | |
| 31 | 14-1710080 | Каретка сателлитов в сборе | |
| 32 | 21-1710096-А | Ось сателлита короткого | |
| 33 | 13-1710092 | Ось сателлита длинного | |
| 34 | 21-1710205-Б | Крышка задняя коробки передач | |
| 35 | 13-3802033-В | Шестерня привода спидометра ведущая | |
| 36 | 6-206КШ | Подшипник ведомого вала коробки передач (14-1710236) | |
| 37 | 21-1711360-01 | Лента заднего тормоза с фрикционной накладкой в сборе | |
| 38 | 21-1710087 | Шайба упорная каретки сателлитов толщиной 1,6 | |
| 38 | 21-1710087-Б | Шайба упорная каретки сателлитов толщиной 1,9 | |
| 38 | 21-1710087-В | Шайба упорная каретки сателлитов толщиной 2,2 | |
| 38 | 21-1710087-Г | Шайба упорная каретки сателлитов толщиной 2,5 | |
| 39 | 21-1711378 | Пластина нажимная рычага тормоза 1-й передачи и заднего хода | |
| 40 | 21-1711382 | Пластина упорная | |
| 41 | 292917-П | Гайка М20х1,5-5Н6Н | |
| 42 | 258054-П | Шплинт 4х30 | |
| 43 | 20-2402064-Б | Шайба 21 | |
| 44 | 14-1710238 | Фланец ведомого вала с маслоотражателем в сборе | |
| 45 | 20-1701210 | Сальник | |
| 46 | 201415-П29 | Болт М6-6gх10 ОСТ 37.001.123-96 | |
| 47 | 252269-П29 | Шайба 6 ОСТ 37.001.145-75 | |
| 48 | 21-1710210-Б | Крышка люка центробежного регулятора | |
| 49 | 21-1710214-Б | Прокладка крышки люка центробежного регулятора | |
| 50 | 14-3802034 | Шестерня ведомая привода спидометр | |
| 51 | 14-3802029 | Штуцер в сборе | |
| 52 | 21А-3802031 | Стопор штуцера | |
| 53 | 206461-П29 | Болт М6-6gх14 | |
| 54 | 251815-П29 | Гайка М12х1,25-6Н | |
| 55 | 252205-П29 | Шайба 12 | |
| 56 | 21-1710203 | Прокладка задней крышки | |
| 57 | 21-1710112 | Кольцо уплотнительное ведомого вала | |
| 58 | 21-1710163 | Прокладка заднего масляного насоса | |
| 59 | 21-1710099 | Кольцо стопорное | |
| 60 | 21-1710118 | Шайба упорная ведомого вала | |
| 61 | 14-1710098 | Шестерня кольцевая | |
| 62 | 14-1710100 | Вал ведомый с распределительной трубкой в сборе | |
| 63 | 21-1710108 | Втулка ведомого вала |
Содержащиеся в справочниках-каталогах запасные части и детали не предлагаются к продаже, а носят исключительно информационный характер