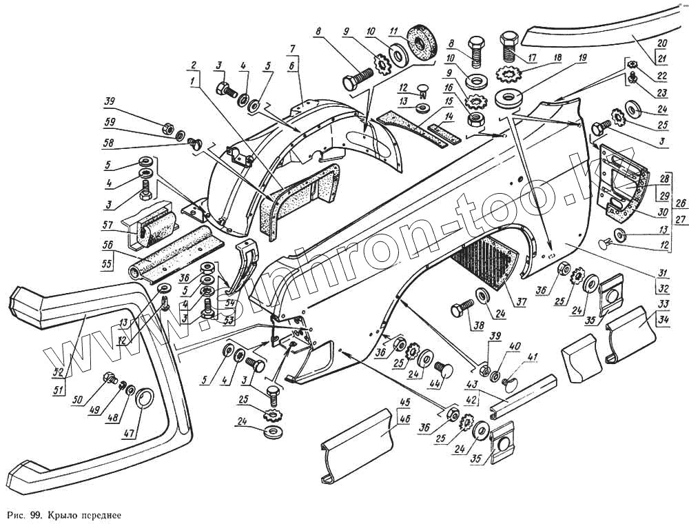
Каталог запасных частей к технике: ГАЗ-14 (Чайка). Крыло переднее
1
2
3
3
3
3
3
4
4
4
4
5
5
5
5
6
7
8
8
9
9
9
10
10
11
12
12
12
12
13
13
13
13
14
15
16
17
18
19
20
21
22
23
24
24
24
24
24
24
25
25
25
25
25
26
27
28
29
30
31
32
33
34
35
35
36
36
36
36
37
38
39
39
40
41
42
43
44
45
46
47
48
49
50
51
52
53
54
55
56
57
58
59
| Позиция на иллюстрации | Заводской номер детали | Название детали | |
|---|---|---|---|
| 1 | 14-8403297 | Уплотнитель средний левый | |
| 2 | 14-8403296 | Уплотнитель средний правый | |
| 3 | 201417-П29 | Болт М6-6gх14 ОСТ 37.001.123-96 | |
| 3 | 201417-П29 | Болт М6-6gх14 ОСТ 37.001.123-96 | |
| 3 | 201417-П29 | Болт М6-6gх14 ОСТ 37.001.123-96 | |
| 3 | 201417-П29 | Болт М6-6gх14 ОСТ 37.001.123-96 | |
| 3 | 201417-П29 | Болт М6-6gх14 ОСТ 37.001.123-96 | |
| 4 | 252269-П29 | Шайба 6 ОСТ 37.001.145-75 | |
| 4 | 252269-П29 | Шайба 6 ОСТ 37.001.145-75 | |
| 4 | 252269-П29 | Шайба 6 ОСТ 37.001.145-75 | |
| 4 | 252269-П29 | Шайба 6 ОСТ 37.001.145-75 | |
| 5 | 252004-П29 | Шайба 6 ОСТ 37.001.144-96 | |
| 5 | 252004-П29 | Шайба 6 ОСТ 37.001.144-96 | |
| 5 | 252004-П29 | Шайба 6 ОСТ 37.001.144-96 | |
| 5 | 252004-П29 | Шайба 6 ОСТ 37.001.144-96 | |
| 6 | 14-8403391 | Брызговик внутренний левый в сборе | |
| 7 | 14-8403390 | Брызговик внутренний правый в сборе | |
| 8 | 201458-П29 | Болт М8-6gх25 ОСТ 37.001.123-96 | |
| 9 | 293270-П29 | Шайба 8,2 | |
| 9 | 293270-П29 | Шайба 8,2 | |
| 10 | 252038-П29 | Шайба 8 ОСТ 37.001.144-96 | |
| 11 | 24-2803140-01 | Прокладка | |
| 12 | 256543-П29 | Заклепка 4Х10 | |
| 12 | 256543-П29 | Заклепка 4Х10 | |
| 12 | 256543-П29 | Заклепка 4Х10 | |
| 12 | 256543-П29 | Заклепка 4Х10 | |
| 13 | 252035-П29 | Шайба 4 ОСТ 37.001.144-96 | |
| 13 | 252035-П29 | Шайба 4 ОСТ 37.001.144-96 | |
| 13 | 252035-П29 | Шайба 4 ОСТ 37.001.144-96 | |
| 13 | 252035-П29 | Шайба 4 ОСТ 37.001.144-96 | |
| 14 | 14-8403318 | Уплотнитель брызговика нижний | |
| 15 | 14-8403319 | Уплотнитель подставки | |
| 16 | 250510-П29 | Гайка М8-6Н ОСТ 37.001.124-93 | |
| 17 | 201495-П29 | Болт М10-6gх20 ОСТ 37.001.123-96 | |
| 18 | 293319-П29 | Шайба 10 | |
| 19 | 252039-П29 | Шайба 10 ОСТ 37.001.144-96 | |
| 20 | 14-8403157 | Молдинг задний верхний левый | |
| 21 | 14-8403156 | Молдинг задний верхний правый | |
| 22 | 252272-П29 | Шайба 4 | |
| 23 | 220048-П29 | Винт М4-6gх6 | |
| 24 | 252037-П29 | Шайба 6 ОСТ 37.001.144-96 | |
| 24 | 252037-П29 | Шайба 6 ОСТ 37.001.144-96 | |
| 24 | 252037-П29 | Шайба 6 ОСТ 37.001.144-96 | |
| 24 | 252037-П29 | Шайба 6 ОСТ 37.001.144-96 | |
| 25 | 293226-П29 | Шайба 6,5 | |
| 25 | 293226-П29 | Шайба 6,5 | |
| 25 | 293226-П29 | Шайба 6,5 | |
| 26 | 14-8403353 | Щиток левый в сборе | |
| 27 | 14-8403352 | Щиток правый в сборе | |
| 28 | 14-8403355 | Щиток переднего крыла | |
| 29 | 14-8403354 | Щиток переднего крыла | |
| 30 | 14-8403360 | Уплотнитель щитка | |
| 31 | 14-8403013 | Крыло переднее левое в сборе | |
| 32 | 14-8403012 | Крыло переднее правое в сборе | |
| 33 | 14-8403111 | Молдинг задний нижний левый | |
| 34 | 14-8403110 | Молдинг задний нижний правый | |
| 35 | 14-8404124 | Держатель молдинга в сборе | |
| 36 | 250508-П29 | Гайка М6-6Н ОСТ 37.001.124-93 | |
| 37 | 14-8403078 | Фартук крыла в сборе | |
| 38 | 201419-П29 | Болт М6-6gх18 ОСТ 37.001.123-96 | |
| 39 | 250464-П29 | Гайка М5-6Н ОСТ 37.001.124-93 | |
| 39 | 250464-П29 | Гайка М5-6Н ОСТ 37.001.124-93 | |
| 40 | 252268-П29 | Шайба 5 | |
| 41 | 290391-П29 | Болт М5х10 | |
| 42 | 14-8403106 | Молдинг средний правый | |
| 43 | 14-8403107 | Молдинг средний левый | |
| 44 | 290502-П29 | Болт М6-6gх14 | |
| 45 | 14-8403172 | Молдинг передний нижний правый | |
| 46 | 14-8403173 | Молдинг передний нижний левый | |
| 47 | 24-8201248 | Держатель молдинга | |
| 48 | 252002-П29 | Шайба 4 ОСТ 37.001.144-96 | |
| 49 | 252132-П29 | Шайба 4 | |
| 50 | 290227-П29 | Болт М4Х8 | |
| 51 | 14-8403116 | Молдинг передний верхний правый | |
| 52 | 14-8403117 | Молдинг передний верхний левый | |
| 53 | 14-8403202 | Кронштейн крыла передний правый | |
| 54 | 14-8403203 | Кронштейн крыла передний левый | |
| 55 | 14-8403330 | Уплотнитель задний правый | |
| 56 | 14-8403326 | Уплотнитель передний | |
| 57 | 14-8403288 | Уплотнитель брызговика | |
| 58 | 224598-П29 | Винт М5-6gх12 ОСТ 37.001.130-81 | |
| 59 | 252003-П29 | Шайба 5 ОСТ 37.001.144-96 |
Содержащиеся в справочниках-каталогах запасные части и детали не предлагаются к продаже, а носят исключительно информационный характер