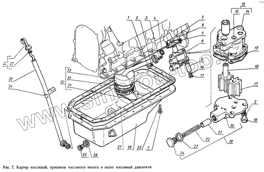
Каталог запасных частей к технике: ГАЗ-14 (Чайка). Картер масляный, приемник масляный двигателя
1
1
2
2
3
4
5
6
7
8
9
10
11
12
13
14
15
16
17
18
19
20
21
22
23
24
25
26
27
28
29
30
31
32
33
34
35
36
37
| Позиция на иллюстрации | Заводской номер детали | Название детали | |
|---|---|---|---|
| 1 | 250511-П8 | Гайка М8х1 | |
| 1 | 250511-П29 | Гайка М8х1-6Н ОСТ 37.001.124-93 | |
| 2 | 252155-П2 | Шайба 8Л ОСТ 37.001.115-75 | |
| 2 | 252155-П29 | Шайба пружинная 8 | |
| 3 | 291747-П8 | Шпилька М8х1-4hх22 | |
| 4 | 52-1007277 | Кольцо | |
| 5 | 292035-П2 | Шпилька М10Х1,25Х30 | |
| 6 | 216569-П2 | Шпилька М10Х1,25Х80 | |
| 7 | 13-1011080-Б | Прокладка масляного насоса двигателя | |
| 8 | 14-1011010 | Насос масляный в сборе | |
| 9 | 13-1011068-10 | Втулка упорная | |
| 10 | 252136-П29 | Шайба 10Т | |
| 11 | 250517-П29 | Гайка М10Х1,25 | |
| 12 | 14-1011015 | Корпус масляного насоса в сборе | |
| 13 | 52-1011025 | Ось ведомой шестерни верхней секции масляного насоса | |
| 14 | 14-1011020 | Корпус масляного насоса | |
| 15 | 13-1011065-31 | Прокладка | |
| 16 | 14-1011040 | Валик масляного насоса в сборе | |
| 17 | 14-1011032 | Шестерня ведомая масляного насоса | |
| 18 | 201458-П29 | Болт М8-6gх25 ОСТ 37.001.123-96 | |
| 19 | 14-1011050 | Крышка масляного насоса в сборе | |
| 20 | 14-1011052 | Крышка масляного насоса | |
| 21 | 21-1011062 | Плунжер редукционного клапана | |
| 22 | 21-1011058-Б | Пружина редукционного клапана | |
| 23 | 297248-П | Прокладка диаметром 18 пробки в сборе | |
| 24 | 296494-П8 | Пробка М18х1,5х12 | |
| 25 | 291732-П2 | Шпилька М8х1-4hх14 | |
| 26 | 14-1009010 | Картер масляный в сборе | |
| 27 | 13-1009070-32 | Прокладка масляного картера | |
| 28 | 297282-П | Прокладка диаметром 22 пробки в сборе | |
| 29 | 296507-П8 | Пробка М22х1,5х10 | |
| 30 | 13-1010010 | Маслоприемник в сборе | |
| 31 | 53-1010040 | Пружина | |
| 32 | 53-1010045 | Сетка маслоприемника с каркасом в сборе | |
| 33 | 13-1010048-Б | Трубка приемная масляного насоса в сборе | |
| 34 | 14-1009048 | Кронштейн трубки указателя уровня масла | |
| 35 | 14-1009045-01 | Трубка указателя уровня масла в сборе | |
| 36 | 14-1009050-01 | Указатель уровня масла в сборе | |
| 37 | 70-6752 | Прокладка указателя уровня масла |
Содержащиеся в справочниках-каталогах запасные части и детали не предлагаются к продаже, а носят исключительно информационный характер