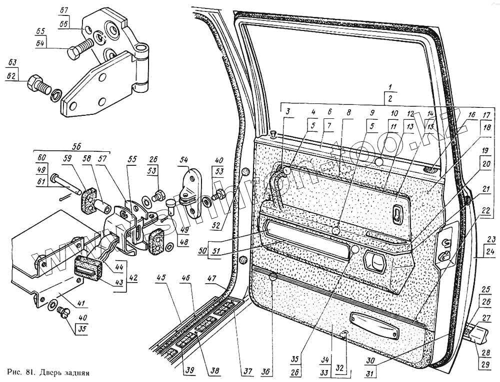
Каталог запасных частей к технике: ГАЗ-14 (Чайка). Дверь задняя
1
2
3
4
4
4
5
5
5
6
7
8
9
10
11
12
13
14
15
16
17
18
19
20
20
21
22
23
24
26
26
26
26
26
27
28
29
30
31
32
33
34
35
35
36
37
38
39
40
40
40
40
41
42
43
44
45
46
47
48
49
49
49
50
51
52
53
53
53
54
55
56
57
58
59
60
61
62
63
64
65
66
67
| Позиция на иллюстрации | Заводской номер детали | Название детали | |
|---|---|---|---|
| 14-6214010 | 14-6214010 | Подлокотник задней двери правый в сборе | |
| 240620-П13 | 240620-П13 | Винт 4Х18 | |
| 14-6101552 | 14-6101552 | Накладка порога | |
| 14-6201560 | 14-6201560 | Облицовка порога | |
| 14-6201489 | 14-6201489 | Молдинг нижний левый | |
| 14-6201488 | 14-6201488 | Молдинг нижний правый | |
| 14-6201601 | 14-6201601 | Накладка внутренней панели левая в сборе | |
| 14-6201556 | 14-6201556 | Облицовка накладки порога | |
| 14-6214010 | 14-6214010 | Подлокотник задней двери правый в сборе | |
| 1 | 14-6202210 | Обивка двери верхняя с молдингами правая в сборе | |
| 2 | 14-6202211 | Обивка двери верхняя с молдингами левая в сборе | |
| 3 | 14-6114074 | Облицовка подлокотника | |
| 4 | 224622-П29 | Винт М6-6gх10 ОСТ 37.001.130-81 | |
| 5 | 252037-П29 | Шайба 6 ОСТ 37.001.144-96 | |
| 5 | 252037-П29 | Шайба 6 ОСТ 37.001.144-96 | |
| 6 | 14-6202200 | Накладка облицовочная правая в сборе | |
| 7 | 14-6202201 | Накладка облицовочная левая в сборе | |
| 7 | 240806-П29 | Винт 3х10 | |
| 8 | 240818-П29 | Винт 4х12 ОСТ 37.001.188-81 | |
| 8 | 240818-П29 | Винт 4х12 ОСТ 37.001.188-81 | |
| 8 | 224521-П29 | Винт М3-6gх6 | |
| 9 | 250508-П29 | Гайка М6-6Н ОСТ 37.001.124-93 | |
| 10 | 250464-П29 | Гайка М5-6Н ОСТ 37.001.124-93 | |
| 11 | 252268-П29 | Шайба 5 | |
| 12 | 14-6202252 | Окантовка проема верхней обивки правая | |
| 13 | 14-6202253 | Окантовка проема верхней обивки левая | |
| 14 | 14-6202240 | Вставка верхней обивки правая в сборе | |
| 15 | 14-6202241 | Вставка верхней обивки левая в сборе | |
| 16 | 14-6203290 | Уплотнитель опускного стекла в сборе | |
| 17 | 14-6202212 | Обивка двери верхняя правая в сборе | |
| 18 | 14-6202213 | Обивка двери верхняя левая в сборе | |
| 19 | 14-621-4010 | Подлокотник задней двери правый в сборе | |
| 20 | 223064-П29 | Винт М6-6gх14 | |
| 20 | 14-6214011 | Подлокотник задней двери левый в сборе | |
| 21 | 14-6203447 | Обойма левая в сборе | |
| 21 | 14-6202262 | Молдинг верхней обивки | |
| 22 | 14-6203446 | Обойма правая в сборе | |
| 22 | 14-6202140 | Молдинг обивки двери в сборе | |
| 23 | 14-6200018 | Дверь задняя бондаризованная грунтованная правая в сборе | |
| 24 | 14-6200019 | Дверь задняя бондаризованная грунтованная левая в сборе | |
| 26 | 293226-П29 | Шайба 6,5 | |
| 27 | 14-6201601 | Накладка внутренней панели левая в сборе | |
| 28 | 14-6201488 | Молдинг нижний правый | |
| 29 | 14-6201489 | Молдинг нижний левый | |
| 30 | 14-6207020 | Уплотнитель фланца двери правый | |
| 31 | 14-6207021 | Уплотнитель фланца двери левый | |
| 32 | 21-6102080 | Пистон крепления обивки в сборе | |
| 33 | 14-6202510 | Обивка двери нижняя правая в сборе | |
| 34 | 14-6202511 | Обивка двери нижняя левая в сборе | |
| 35 | 224622-П29 | Винт М6-6gх10 ОСТ 37.001.130-81 | |
| 35 | 224622-П29 | Винт М6-6gх10 ОСТ 37.001.130-81 | |
| 36 | 240817-П29 | Винт М4х10 ОСТ 37.001.188-81 | |
| 37 | 14-6201556 | Облицовка накладки порога | |
| 38 | 240620-П13 | Винт 4Х18 | |
| 39 | 14-6101552 | Накладка порога | |
| 40 | 252269-П29 | Шайба 6 ОСТ 37.001.145-75 | |
| 40 | 252269-П29 | Шайба 6 ОСТ 37.001.145-75 | |
| 41 | 14-6206094 | Направляющая ограничителя в сборе | |
| 42 | 14-6206082 | Ограничитель задней двери в сборе | |
| 43 | 24-6106086 | Буфер ограничителя двери | |
| 44 | 14-6203470 | Окантовка проема окна наружная нижняя в сборе | |
| 44 | 14-6206080 | Рычаг ограничителя задней двери в сборе | |
| 45 | 14-6201560 | Облицовка порога | |
| 46 | 14-6103480 | Окантовка проема окна наружная | |
| 47 | 14-6207126 | Кант проема с уплотнителем в сборе | |
| 48 | 260009-П29 | Палец 6х14 ОСТ 37.001.163-97 | |
| 49 | 258011-П29 | Шплинт 2х10 ОСТ 37.001.171-93 | |
| 49 | 258011-П29 | Шплинт 2х10 ОСТ 37.001.171-93 | |
| 50 | 14-6202270 | Облицовка верхней обивки в сборе | |
| 51 | 14-6202290 | Окантовка облицовки верхней обивки | |
| 52 | 24-6106060 | Заглушка двери | |
| 53 | 201415-П29 | Болт М6-6gх10 ОСТ 37.001.123-96 | |
| 54 | 24-6106088 | Кронштейн ограничителя | |
| 55 | 24-6106208 | Крышка стопора | |
| 56 | 24-6106180-01 | Стопор в сборе | |
| 57 | 24-6106182-10 | Корпус стопора ограничителя | |
| 58 | 24-6106184 | Ролик стопора ограничителя | |
| 59 | 24-6106206 | Буфер стопора | |
| 60 | 260021-П29 | Палец 6х42 ОСТ 37.001.163-97 | |
| 61 | 293221-П29 | Шайба 6 | |
| 62 | 290749-П29 | Болт М10Х1Х18 | |
| 63 | 252136-П29 | Шайба 10Т | |
| 64 | 201518-П29 | Болт М10х1-6gх25 | |
| 65 | 252156-П29 | Шайба 10 | |
| 66 | А202-6206000 | Петля задней двери правая в сборе (14-6206010) | |
| 67 | А203-6206000 | Петля задней двери левая в сборе (14-6206011) |
Содержащиеся в справочниках-каталогах запасные части и детали не предлагаются к продаже, а носят исключительно информационный характер