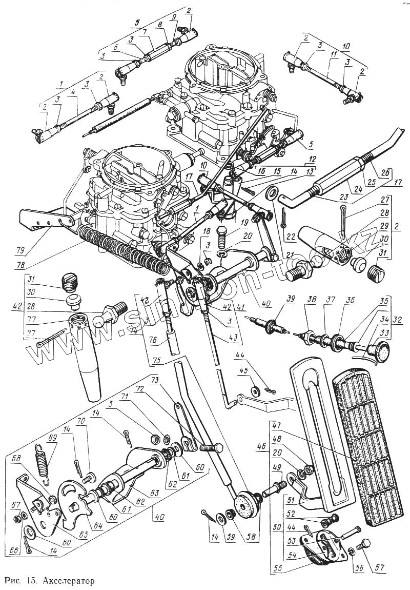
Каталог запасных частей к технике: ГАЗ-14 (Чайка). Акселератор
1
1
2
2
2
2
2
2
3
3
3
3
3
3
3
3
3
3
4
5
5
6
7
8
9
10
10
11
12
13
14
14
14
14
14
15
16
17
17
18
19
20
20
21
22
23
24
25
26
27
27
28
28
29
30
30
31
31
32
33
34
35
36
37
38
39
40
40
41
42
42
42
43
44
44
45
46
47
48
49
50
51
52
53
54
55
56
57
58
59
60
60
60
61
61
62
62
63
64
65
66
67
68
69
70
71
72
73
74
75
76
77
78
79
| Позиция на иллюстрации | Заводской номер детали | Название детали | |
|---|---|---|---|
| 1 | 14-1103054 | Тяга рычага дроссельной заслонки в сборе | |
| 2 | 21Ю-1108055-А | Наконечник в сборе | |
| 3 | 250608-П29 | Гайка М6-6Н ОСТ 37.001.124-93 | |
| 3 | 250608-П29 | Гайка М6-6Н ОСТ 37.001.124-93 | |
| 4 | 14-1108058 | Тяга | |
| 5 | 14-1108050 | Тяга рычага дроссельной заслонки правого карбюратора в сборе | |
| 6 | 14-1108051 | Тяга | |
| 7 | 14-1108079 | муфта | |
| 8 | 292703-П29 | Гайка М6 | |
| 9 | 14-1108053 | Тяга | |
| 10 | 14-1108112 | Тяга промежуточного рычага в сборе | |
| 11 | 14-1108116 | Тяга | |
| 12 | 14-1108032-10 | Рычаг акселератора в сборе | |
| 13 | 14-1108124 | Шпилька | |
| 14 | 258038-П29 | Шплинт 3,2х16 ОСТ 37.001.171-93 | |
| 14 | 258038-П29 | Шплинт 3,2х16 ОСТ 37.001.171-93 | |
| 15 | 14-1108145 | Рычаг в сборе | |
| 16 | 293301-П29 | Шайба 10 | |
| 17 | 14-1108224 | Тяга промежуточная воздушной заслонки в сборе | |
| 18 | 252154-П29 | Шайба 6Л ОСТ 37.001.115-75 | |
| 19 | 201458-П29 | Болт М8-6gх25 ОСТ 37.001.123-96 | |
| 20 | 252135-П29 | Шайба 8Т | |
| 20 | 252135-П29 | Шайба 8Т | |
| 21 | 252002-П29 | Шайба 4 ОСТ 37.001.144-96 | |
| 22 | 258000-П29 | Шплинт 1,6х10 ОСТ 37.001.171-93 | |
| 23 | 14-1108227 | Тяга короткая | |
| 24 | 14-1108135 | Муфта регулировочная | |
| 25 | 250462-П29 | Гайка М4-6Н ОСТ 37.001.124-93 | |
| 26 | 14-1108226 | Тяга длинная | |
| 27 | 258003-П29 | Шплинт 1,6х20 ОСТ 37.001.171-93 | |
| 27 | 258003-П29 | Шплинт 1,6х20 ОСТ 37.001.171-93 | |
| 28 | 21Ю-1108059-А | Палец шаровой | |
| 28 | 21Ю-1108059-А | Палец шаровой | |
| 29 | 21Ю-1108056-Б | Наконечник | |
| 30 | 70-142892 | Сухарь наконечника | |
| 30 | 70-142892 | Сухарь наконечника | |
| 31 | 21Ю-1108061-Б | Пробка | |
| 31 | 21Ю-1108061-Б | Пробка | |
| 32 | 14-1108100 | Тяга воздушной заслонки в сборе | |
| 33 | 14-1108102 | Тяга с ручкой в сборе | |
| 34 | М-9778-А | Пружина муфты | |
| 35 | 14-1108115 | Трубка защитная оболочки тяги воздушной заслонки | |
| 36 | 14-1108138 | Шайба облицовочная | |
| 37 | 252205-П29 | Шайба 12 | |
| 38 | 250615-П29 | Гайка М12х1,25-6Н ОСТ 37.001.124-93 | |
| 39 | 24-8406224 | Втулка оболочки тяги | |
| 40 | 14-1108029 | Валик акселератора с кронштейном и рычагами в сборе | |
| 41 | 14-1712160 | Тяга привода дроссельного регулятора коробки передач в сборе | |
| 42 | 21Ю-1712155 | Наконечник шарнирный тяги акселератора в сборе | |
| 42 | 21Ю-1712155 | Наконечник шарнирный тяги акселератора в сборе | |
| 43 | 14-1712161 | Тяга привода дроссельного регулятора коробки передач | |
| 44 | 258012-П29 | Шплинт 2х12 ОСТ 37.001.171-93 | |
| 45 | 252004-П29 | Шайба 6 ОСТ 37.001.144-96 | |
| 46 | 14-1108009-10 | Педаль акселератора с накладкой, чехлом и пальцем в сборе | |
| 47 | 14-1108048 | Накладка педали | |
| 48 | 250510-П29 | Гайка М8-6Н ОСТ 37.001.124-93 | |
| 49 | 14-1108147 | Палец | |
| 50 | 14-1108010-10 | Педаль акселератора в сборе | |
| 51 | 14-1108011-10 | Педаль акселератора с рычагом в сборе | |
| 52 | 52-1108098 | Втулка тяги педали акселератора | |
| 53 | 260017-П29 | Палец 6Х32 | |
| 54 | 52-50-1108032 | Кронштейн педали в сборе | |
| 55 | 52-1108152 | Чехол защитный рычага педали | |
| 56 | 252134-П29 | Шайба 6 | |
| 57 | 201420-П29 | Болт М6-6gх20 ОСТ 37.001.123-96 | |
| 58 | 13-3508134 | Втулка | |
| 59 | 252005-П29 | Шайба 8 ОСТ 37.001.144-96 | |
| 60 | 252006-П29 | Шайба 10 ОСТ 37.001.144-96 | |
| 61 | 293298-П29 | Шайба 10 | |
| 62 | 21-1108041-Б | Втулка валика акселератора | |
| 63 | 14-1108039 | Кронштейн | |
| 64 | 14-1108030 | Валик акселератора в сборе | |
| 65 | 13-1108032-Б | Рычаг | |
| 66 | 252273-П29 | Шайба 5 ОСТ 37.001.146-75 | |
| 67 | 250464-П29 | Гайка М5-6Н ОСТ 37.001.124-93 | |
| 68 | 13-1108068 | Ролик | |
| 69 | 14-1108042 | Пружина | |
| 70 | 13-1108067-Б | Винт | |
| 71 | 252274-П29 | Шайба 6 ОСТ 37.001.146-75 | |
| 72 | 201422-П29 | Болт М6-6gх25 ОСТ 37.001.123-96 | |
| 73 | 14-1108065 | Рычаг | |
| 74 | 14-1108034-10 | Тяга рычага валика акселератора в сборе | |
| 75 | 14-1108099 | Втулка рычага педали | |
| 76 | 14-1108035-10 | Тяга рычага валика акселератора | |
| 77 | 21Ю-1712156 | Наконечник | |
| 78 | 14-1108174 | Пружина | |
| 79 | 14-1108038-10 | Кронштейн пружины акселератора |
Содержащиеся в справочниках-каталогах запасные части и детали не предлагаются к продаже, а носят исключительно информационный характер