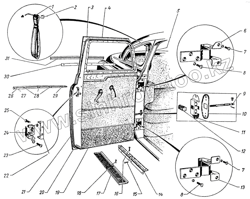
Каталог запасных частей к технике: ГАЗ-12 (ЗИМ). Задняя дверь
1
2
3
4
5
6
7
7
8
8
9
10
11
12
13
14
15
16
17
18
19
20
21
22
23
24
25
26
27
28
29
30
31
| Позиция на иллюстрации | Заводской номер детали | Название детали | |
|---|---|---|---|
| 32-6107081 | 32-6107081 | Уплотнитель фланца передней двери угловой левый | |
| 224624-П8 | 224624-П8 | Винт М6-6gх14 | |
| 258000-П8 | 258000-П8 | Шплинт 1,5х10 | |
| 252264-П8 | 252264-П8 | Шайба 8 | |
| 252264-П8 | 252264-П8 | Шайба 8 | |
| 252264-П8 | 252264-П8 | Шайба 8 | |
| 252264-П8 | 252264-П8 | Шайба 8 | |
| 293226-П8 | 293226-П8 | Шайба 6 пружинная | |
| 252233-П8 | 252233-П8 | Шайба 5 пружинная | |
| 252263-П8 | 252263-П8 | Шайба 6 пружинная | |
| 252265-П8 | 252265-П8 | Шайба | |
| 32-8202259 | 32-8202259 | Скоба бокового держателя левая | |
| 32-6206027 | 32-6206027 | Петля задней двери нижняя левая с кронштейном в сборе | |
| 261853-П9 | 261853-П9 | Гвоздь диаметром 1,6х12 обойный крепления канта проема | |
| 240817-П8 | 240817-П8 | Винт 4х10 | |
| 250789-П8 | 250789-П8 | Гайка 1М8х1 | |
| 250789-П8 | 250789-П8 | Гайка 1М8х1 | |
| 250763-П8 | 250763-П8 | Гайка М5х0,8 | |
| 32-6206011 | 32-6206011 | Петля задней двери верхняя левая с кронштейном в сборе | |
| 32-6201481 | 32-6201481 | Накладка задней двери декоративная верхняя левая | |
| 32-6202030-А | 32-6202030-А | Накладка обивки задней двери декоративная в сборе | |
| 32-6203412 | 32-6203412 | Накладка обивки задней двери декоративная верхняя в сборе | |
| 32-6201553 | 32-6201553 | Накладка порога задней двери левая | |
| 32-6201561 | 32-6201561 | Облицовка порога задней двери левая | |
| 260009-П8 | 260009-П8 | Палец 6х14 крепления рычага ограничителя | |
| 1 | 32-8202250 | Держатель боковой в сборе | |
| 2 | 32-8202258 | Скоба бокового держателя правая | |
| 3 | 32-6107078 | Уплотнитель фланца передней двери верхний угловой | |
| 4 | 32-6207029 | Уплотнитель фланца задней двери задний | |
| 5 | 32-6107048 | Кант проема передней двери в сборе | |
| 6 | 32-6206010 | Петля задней двери верхняя правая с кронштейном в сборе | |
| 7 | 221691-П8 | Винт 1М8х18 | |
| 7 | 221691-П8 | Винт 1М8х18 | |
| 8 | 221747-П8 | Винт 1М10х22 | |
| 8 | 221747-П8 | Винт 1М10х22 | |
| 9 | 32-6206090 | Рычаг ограничителя задней двери | |
| 10 | 32-6106192 | Облицовка ограничителя передней двери | |
| 11 | 32-6106180 | Стопор ограничителя передней двери в сборе | |
| 12 | 30-6106086 | Буфер ограничителя двери | |
| 13 | 32-6206026 | Петля задней двери нижняя правая с кронштейном в сборе | |
| 14 | 32-6201560 | Облицовка порога задней двери правая | |
| 15 | 241820-П13 | Винт М4х8 | |
| 16 | 241821-П13 | Винт 4х22 | |
| 17 | 32-6201552 | Накладка порога задней двери правая | |
| 18 | 241820-П4 | Винт М4х18 крепления накладки порога передней двери | |
| 19 | 32-6207020 | Уплотнитель фланца задней двери нижний | |
| 20 | 32-6107080 | Уплотнитель фланца передней двери угловой правый | |
| 21 | 32-6107029 | Уплотнитель фланца передней двери задний | |
| 22 | 32-6106114 | Шип фиксатора передней двери | |
| 23 | 233126-П13 | Винт М8х1,25х25 крепления фиксатора | |
| 24 | 32-6106100 | Фиксатор передней двери в сборе | |
| 25 | 233124-П13 | Винт М8х1,25х20 крепления шипа | |
| 26 | 32-6201488 | Накладка задней двери декоративная нижняя в сборе | |
| 27 | 32-8403120 | Держатель нижней декоративной накладки передней двери в сборе | |
| 28 | 32-6201496 | Держатель нижней декоративной накладки задней двери средний в сборе | |
| 29 | 32-6201580 | Держатель нижней декоративной накладки задней двери задний в сборе | |
| 30 | 32-6201484 | Держатель верхней декоративной накладки задней двери | |
| 31 | 32-6201480 | Накладка задней двери декоративная верхняя правая |
Содержащиеся в справочниках-каталогах запасные части и детали не предлагаются к продаже, а носят исключительно информационный характер