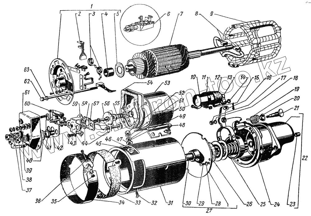
Каталог запасных частей к технике: ГАЗ-12 (ЗИМ). Стартер
1
2
3
4
5
6
7
8
9
10
11
12
13
14
15
16
17
18
19
20
22
23
24
25
26
27
28
29
30
31
32
33
34
35
36
37
38
39
40
41
42
43
44
45
46
47
48
49
50
51
52
53
54
55
56
57
58
59
60
61
62
63
| Позиция на иллюстрации | Заводской номер детали | Название детали | |
|---|---|---|---|
| 8Х-1548 | 8Х-1548 | Винт | |
| РСЛ-136-37 | РСЛ-136-37 | Болт контактный | |
| Х9-10-81Д | Х9-10-81Д | Шплинт | |
| МХ-0440 | МХ-0440 | Шайба изоляционная | |
| 1-МЮ-37 | 1-МЮ-37 | Шайба контактного болта | |
| 8Х-1497 | 8Х-1497 | Шайба 5 | |
| М11-41081 | М11-41081 | Шайба 5Т пружинная | |
| МХ-0607 | МХ-0607 | Шайба диаметром 5 мм | |
| Х-1012 | Х-1012 | Шайба 4 пружинная | |
| МХ-0287 | МХ-0287 | Шайба замковая | |
| РС6-3708015 | РС6-3708015 | Пружина | |
| СТ8-3708014 | СТ8-3708014 | Ось рычага включения привода стартера | |
| РС6-3708020 | РС6-3708020 | Контакт подвижной в сборе | |
| 2-МАБ-5А | 2-МАБ-5А | Коллектор в сборе | |
| М11-90118 | М11-90118 | Гайка М5 | |
| 8Х-1531 | 8Х-1531 | Гайка М5 | |
| РС6-3708017 | РС6-3708017 | Втулка изоляционная | |
| РС9-3708000 | РС9-3708000 | Реле стартера в сборе | |
| 1 | 2-МАР-2065 | Крышка со стороны коллектора в сборе | |
| 2 | 1-МАФ-13 | Щетка стартера в сборе на массу | |
| 3 | 1-М3-19 | Пружина щетки стартера | |
| 4 | 1-М3-40А | Втулка крышки со стороны коллектора | |
| 5 | 1-МЮ-54 | Шайба упорная якоря стартера задняя | |
| 6 | ВК4-3720000-В | Включатель кнопочный стартера в сборе (12-3708100) | |
| 7 | СТ20-3708200 | Якорь стартера в сборе | |
| 8 | 1-МАФ-12 | Щетка стартера в сборе изолированная | |
| 9 | СТ20-3708110 | Катушка возбуждения в сборе | |
| 10 | РС6-3708051 | Якорь | |
| 11 | РС9-3708080 | Хомут в сборе | |
| 12 | РС20-3708008 | Колпачок защитный резиновый | |
| 13 | РС6-3708060 | Винт с серьгами в сборе | |
| 14 | Х-4100Д | Шайба штифта | |
| 15 | СЛ-15-85Д | Штифт рычага | |
| 16 | СТ20-3708020-Б | Рычаг привода стартера в сборе | |
| 17 | 8Х-1537 | Гайка М8 | |
| 18 | Х-4069 | Шайба 8 пружинная | |
| 19 | СТ8-3708016 | Пружина оси рычага | |
| 20 | СТ8-3708015 | Седло пружины оси рычага | |
| 22 | СТ20-3708400-Б | Крышка со стороны привода в сборе | |
| 23 | СЛ-138-88 | Втулка крышки со стороны привода | |
| 24 | Х3-9411 | Шайба упорная якоря стартера передняя | |
| 25 | СТ8-3708600-А | Привод стартера в сборе | |
| 26 | СТ06005 | Шайба упорная привода стартера | |
| 27 | СТ8-3708050 | Подшипник промежуточный в сборе | |
| 28 | Х-4001 | Шайба 5Т пружинная | |
| 29 | МХ-0097 | Винт М5-8gх12 | |
| 30 | СТ8-3708052 | Втулка промежуточного подшипника | |
| 31 | СТ20-3708100-Б | Корпус стартера в сборе | |
| 32 | 8Х-1580 | Винт крепления щетки | |
| 33 | МАФ-10-1358 | Прокладка | |
| 34 | СЛ-8534 | Лента защитная | |
| 35 | 8Х-1531 | Гайка М5 | |
| 36 | МХ-0139 | Винт М5 | |
| 37 | М11-41081 | Шайба 5Т пружинная | |
| 38 | 8Х-1537 | Гайка М8 | |
| 39 | МХ-0246 | Шайба 8 пружинная | |
| 40 | Х5-9262 | Шайба резиновая | |
| 41 | РС6-370806 | Втулка изоляционная | |
| 42 | РС6-3708011 | Втулка | |
| 43 | РСО1007 | Винт крепления основания | |
| 44 | РС6-3708057 | Шайба | |
| 45 | 1-МЮ-39 | Шайба изоляционная контактного болта | |
| 46 | 1-МАБ-85 | Втулка контактного болта | |
| 47 | 1-МАБ-31 | Шайба контактного болта изолирующая | |
| 48 | МХ-0032 | Болт крепления реле | |
| 49 | 1-МЮ-28 | Болт контактный | |
| 50 | 1-МЮ-37 | Шайба контактного болта | |
| 51 | МХ-0246 | Шайба 8 пружинная | |
| 52 | 8Х-1537 | Гайка М8 | |
| 53 | РС9-3708200 | Ярмо с катушками в сборе | |
| 54 | РС5-3708013 | Прокладка уплотнительная | |
| 55 | РС15-3708003 | Пружина | |
| 56 | РС13-6504191 | Диск контактный | |
| 57 | РС6-3708053 | Прокладка | |
| 58 | 1-МЮ-52 | Шайба контактного болта изолирующая | |
| 59 | РС6-3708040 | Основание контактов | |
| 60 | РС9-3708300 | Реле включения в сборе | |
| 61 | РС6-3708070 | Крышка в сборе | |
| 62 | 1-МВВ-20-Б | Винт корпуса стартера стяжной | |
| 63 | Х-1482 | Шайба 6Т пружинная |
Содержащиеся в справочниках-каталогах запасные части и детали не предлагаются к продаже, а носят исключительно информационный характер