Вернуться на главную
Поиск
Каталоги запчастей к технике
Легковые автомобили
ГАЗ
ГАЗ-12 (ЗИМ)
Поворотные кулаки
Каталог запасных частей к технике: ГАЗ-12 (ЗИМ). Поворотные кулаки
zoom-in
zoom-out
enlarge
shrink
circle-right
circle-left
file-text2
info
cart
Тип техники
Не выбрано
Легковые автомобили
Грузовые автомобили и прицепы
Автобусы
Сельхозтехника
Спецтехника
Двигатели
Мототехника
Марка
Не выбрано
BYD
Chevrolet
Daewoo
Geely
Great Wall
Hyundai
Lifan
Tata
АЗЛК
ВАЗ
ГАЗ
ЗАЗ
ЗИЛ
ИЖ
ЛуАЗ
РАФ
УАЗ
Модель
Не выбрано
АКП Волга Сайбер (2009)
ГАЗ-12 (ЗИМ)
ГАЗ-14 (Чайка) (1980)
ГАЗ-21
ГАЗ-21 (каталог 69 г.) (1969)
ГАЗ-2217 (доп. с дв. Chr Е 3) (2009)
ГАЗ-2217 (доп. с дв. ЗМЗ Е 3) (2009)
ГАЗ-2217 (Соболь) (1999)
ГАЗ-24
ГАЗ-24-10 (1995)
ГАЗ-2705 (Cummins E-4) (2015)
ГАЗ-2705 (ГАЗель) (2000)
ГАЗ-2705 (дв. ЗМЗ-402) (2006)
ГАЗ-2705 (дв. ЗМЗ-406) (2006)
ГАЗ-2705 (дв. УМЗ-4215) (2006)
ГАЗ-2705 (доп. с дв. Chr Е-3) (2009)
ГАЗ-2705 (доп. с дв. ЗМЗ Е-3) (2009)
ГАЗ-2705, 3221 (куз. детали) (2006)
ГАЗ-2752 (доп. с дв. Chr Е 3) (2009)
ГАЗ-2752 (доп. с дв. ЗМЗ Е 3) (2009)
ГАЗ-3102 (2000)
ГАЗ-3102, 3110 (дополнение) (2009)
ГАЗ-31029
ГАЗ-3105 (1996)
ГАЗ-3110
ГАЗ-31105
ГАЗ-31105 (дополнение) (2005)
ГАЗ-3111 (2004)
ГАЗ-3221 (1999)
ГАЗ-3221 (2006) (2006)
ГАЗ-3221 (доп. с дв. Chr Е-3) (2009)
ГАЗ-3221 (Уст. АБС 8.1) (2008)
ГАЗ-3302 (2004) (2004)
ГАЗ-3302 (Cummins E-4) (2015)
ГАЗ-3302 (ГАЗель)
ГАЗ-3302 (доп. с дв. Chr Е 3) (2009)
ГАЗ-3302 (доп. с дв. ЗМЗ Е 3) (2009)
ГАЗ-3302 (Кузовные дет.) (2011)
ГАЗ-3302 (с двиг. УМЗ) (2015)
ГАЗ-3302, 2705 (доп. для ГБО) (2015)
ГАЗ-33027 (Дополнение)
ГАЗ-69 (1957)
ГАЗель 4x4 (Дополнение) (2012)
ГАЗель 4х4 (2001) (2009)
ГАЗЕЛЬ NEXT A65R32-40 (2021)
ГАЗель NEXT Citiline A64R42 (2021)
ГАЗель, Соболь (2003) (2003)
ГАЗель-Бизнес 2705-393 (2015)
ГУР 3110 и 3102 (2000)
Кузов ГАЗ 31029
М20 Победа
Облицовка ГАЗ-31105, 3102 (2009)
Установка климатическая (2009)
Схема
>
Не выбрано
Детали пола
Стеклоочиститель и привод
Детали ветрового окна
Передок
Вещевой ящик
Окно боковины
Задок кузова
Окно задка
Замок и ручка чемодана
Передняя дверь
Окно передней двери
Опускное стекло передней двери
Замок и ручка передней двери
Задняя дверь
Окно задней двери
Опускное стекло задней двери
Замок и ручка задней двери
Переднее сиденье
Перегородка кузова
Отопитель кузова
Вентилятор обдува ветрового окна
Капот
Заднее крыло
Облицовка радиатора
Двигатель
Подвеска двигателя
Блок цилиндров
Головка блока цилиндров
Поршень и шатун
Коленчатый вал и маховик
Распределительный вал
Клапаны и толкатели
Газопровод
Масляный картер
Маслоприемник
Насос масляный
Масляный фильтр грубой очистки
Масляный радиатор
Детали вентиляции картера
Масляный фильтр тонкой очистки
Бензиновый бак
Трубопроводы для бензина и гидравлических тормозов
Насос бензиновый
Карбюратор
Привод дроссельной заслонки
Фильтр воздушный
Глушитель
Радиатор
Вентилятор
Сцепление
Привод выключения сцепления ножного тормоза
Гидравлическая муфта
Коробка передач
Механизм переключения передач
Управление коробкой передач
Карданные валы
Главная передача и дифференциал, полуоси, картер и кожухи полуосей
Рама
Передний буфер
Задний буфер
Передняя подвеска
Амортизатор передней подвески
Стабилизатор поперечной устойчивости передней подвески
Задние рессоры
Амортизатор задней подвески
Поворотные кулаки
Колеса и ступицы
Рулевое управление
Тяги рулевые
Передние ножные тормоза и тормозные барабаны
Задние ножные тормоза и тормозные барабаны
Главный цилиндр тормоза
Управление ручного тормоза
Генератор
Реле-регулятор
Аккумуляторная батарея
Замок зажигания
Катушка зажигания и запальные свечи
Распределитель
Стартер
Центральный и ножной переключатели света и прикуриватель
Фара
Подфарник
Приборы внутреннего освещения
Задний фонарь
Освещение заднего номерного знака
Фонарь сигнала "Стоп"
Звуковые сигналы
Схема электрооборудования
Комбинация приборов
Часы и спидометр
Радиооборудование
Шоферский инструмент и принадлежности
2
4
5
6
7
8
9
10
11
12
13
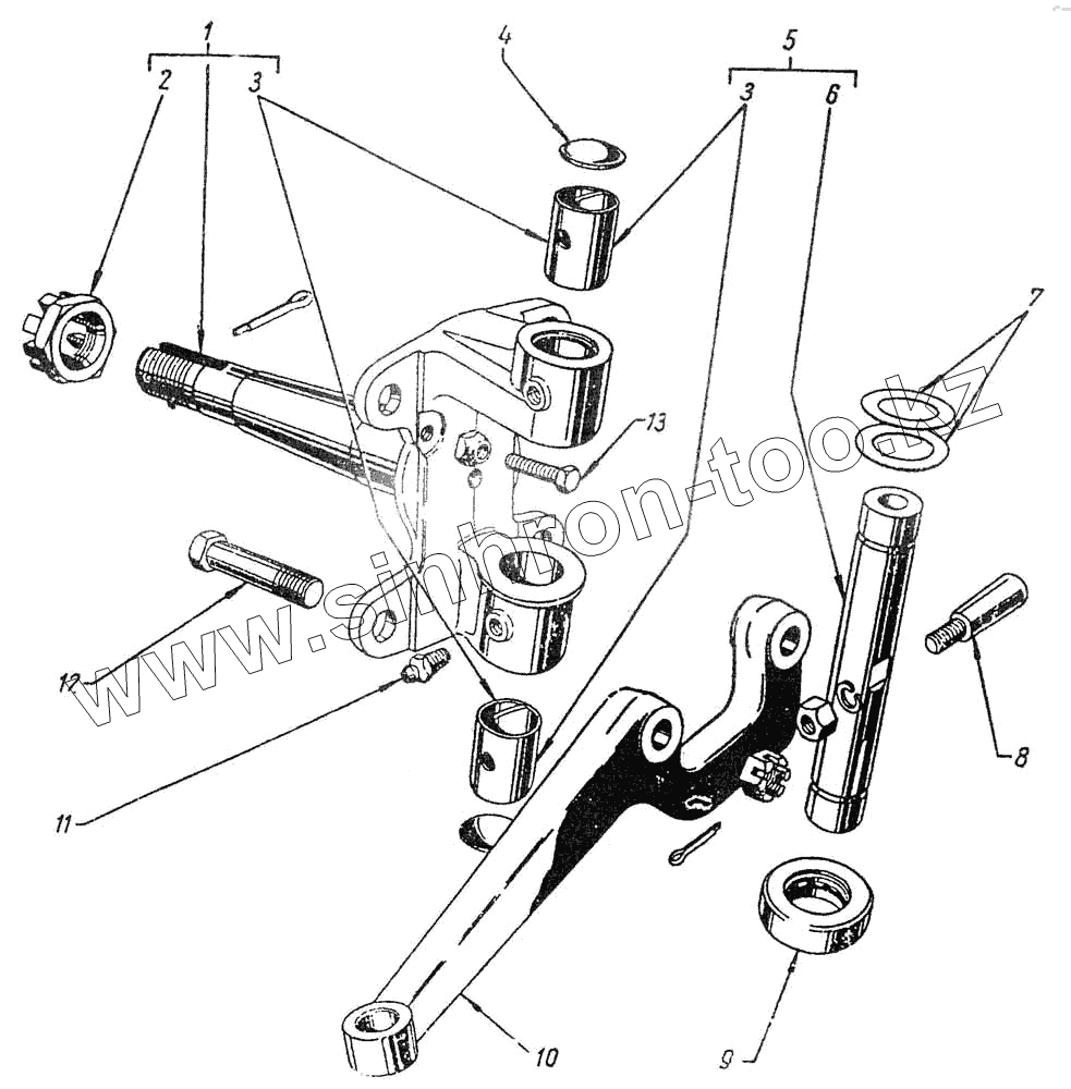
Позиция на иллюстрации
Заводской номер детали
Название детали
250977-П8
250977-П8
Гайка 1М12х1,26
292740-П8
292740-П8
Контргайка 1М8х1 болта ограничителя поворотного кулака
12-3001031
12-3001031
Рычаг рулевой трапеции левый
25663-S2
25663-S2
Шайба 11 пружинная
258070-П
258070-П
Шплинт 5х40
258040-П
258040-П
Шплинт 2,7х25
292801-П8
292801-П8
Гайка 1М11х1
2
292957-П2
Гайка М24х1,5-4Н5Н
4
260313-П
Заглушка 32 ОСТ 37.001.173-82
5
12-2900101
Втулки и шкворень (комплект) для ремонта поворотного кулака
6
12-3001019
Шкворень поворотного кулака
7
20-3001022
Шайба поворотного кулака регулировочная
8
20-3001025
Штифт стопорный шкворня поворотного кулака
9
11-3123
Подшипник 108905У шариковый упорный поворотного кулака переднего моста (ГПЗ-108905)
10
12-3001030
Рычаг рулевой трапеции правый
11
264020-П8
Пресс-масленка К 1/8"
12
290917-П8
Болт 1М12х1,25х50
13
201478-П8
Болт 1М8х1х25
Содержащиеся в справочниках-каталогах запасные части и детали не предлагаются к продаже, а носят исключительно информационный характер
Дополнительная информация
×
Название:
Номер:
Примечание: