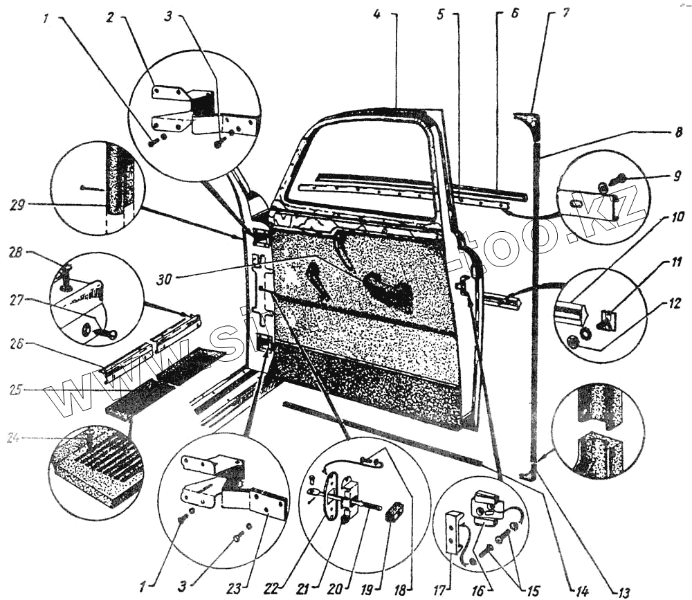
Каталог запасных частей к технике: ГАЗ-12 (ЗИМ). Передняя дверь
1
1
2
3
3
4
5
6
7
8
9
10
11
12
13
14
15
16
17
18
19
20
21
22
23
24
25
26
27
28
29
30
| Позиция на иллюстрации | Заводской номер детали | Название детали | |
|---|---|---|---|
| 252136-П2 | 252136-П2 | Шайба 10 ОТ ОСТ 37.001.115-75 | |
| 32-5702050 | 32-5702050 | Дуга № 7 обивки крыши | |
| 32-6101481 | 32-6101481 | Накладка передней двери декоративная верхняя левая | |
| 32-6101552 | 32-6101552 | Накладка порога передней двери правая | |
| 30-6906020 | 30-6906020 | Облицовка подлокотника | |
| 32-6101560 | 32-6101560 | Облицовка порога передней двери правая | |
| 260009-П8 | 260009-П8 | Палец 6х14 крепления рычага ограничителя | |
| 32-6106011 | 32-6106011 | Петля передней двери верхняя левая с кронштейном в сборе | |
| 32-6106027 | 32-6106027 | Петля передней двери нижняя левая с кронштейном в сборе | |
| 32-6107081 | 32-6107081 | Уплотнитель фланца передней двери угловой левый | |
| 240822-П8 | 240822-П8 | Винт 4х26 крепления держателей | |
| 252136-П2 | 252136-П2 | Шайба 10 ОТ ОСТ 37.001.115-75 | |
| 252233-П8 | 252233-П8 | Шайба 5 пружинная | |
| 293226-П8 | 293226-П8 | Шайба 6 пружинная | |
| 252037-П8 | 252037-П8 | Шайба 6 | |
| 252264-П8 | 252264-П8 | Шайба 8 | |
| 252264-П8 | 252264-П8 | Шайба 8 | |
| 252264-П8 | 252264-П8 | Шайба 8 | |
| 252264 -П8 | 252264 -П8 | Шайба диаметром 8 мм пружинная коническая зубчатая | |
| 258011-П | 258011-П | Шплинт 2х10 | |
| 292394-П8 | 292394-П8 | Гвоздь 2,8х20 крепления канта проема передней двери | |
| 32-5702048 | 32-5702048 | Дуга № 6 обивки крыши | |
| 241820-П8 | 241820-П8 | Винт 4х12 крепления облицовки подлокотника | |
| 220120-П8 | 220120-П8 | Винт М6х1х55 крепления подлокотника | |
| 233124-П13 | 233124-П13 | Винт М8х1,25х20 крепления шипа | |
| 250789-П8 | 250789-П8 | Гайка 1М8х1 | |
| 250789-П8 | 250789-П8 | Гайка 1М8х1 | |
| 251261-П2 | 251261-П2 | Гайка М6 | |
| 261853-П9 | 261853-П9 | Гвоздь диаметром 1,6х12 обойный крепления канта проема | |
| 32-6200015 | 32-6200015 | Дверь задняя в сборе левая | |
| 32-5702040 | 32-5702040 | Дуга № 1 обивки крыши | |
| 32-5702046 | 32-5702046 | Дуга № 4 и 5 обивки крыши | |
| 32-5702042 | 32-5702042 | Дуга № 2 и 3 обивки крыши | |
| 32-6200014 | 32-6200014 | Дверь задняя в сборе правая | |
| 32-6100010 | 32-6100010 | Дверь передняя в сборе с арматурой и стеклами, окрашенная и обитая правая | |
| 32-6100011 | 32-6100011 | Дверь передняя в сборе с арматурой и стеклами, окрашенная и обитая левая | |
| 32-6100014 | 32-6100014 | Дверь передняя в сборе правая | |
| 32-6100015 | 32-6100015 | Дверь передняя в сборе левая | |
| 32-6200010 | 32-6200010 | Дверь задняя с арматурой и стеклами в сборе окрашенная и обитая правая | |
| 32-6200011 | 32-6200011 | Дверь задняя с арматурой и стеклами в сборе окрашенная и обитая левая | |
| 1 | 221691-П8 | Винт 1М8х18 | |
| 1 | 221691-П8 | Винт 1М8х18 | |
| 2 | 32-6106010 | Петля передней двери верхняя правая с кронштейном в сборе | |
| 3 | 290754-П8 | Болт М10х1-6gх28 | |
| 3 | 290754-П8 | Болт М10х1-6gх28 | |
| 4 | 32-6107028-Б | Уплотнитель фланца передней двери передний | |
| 5 | 32-6101484 | Держатель верхней декоративной накладки передней двери | |
| 6 | 32-6101480 | Накладка передней двери декоративная верхняя правая | |
| 7 | 32-6107078 | Уплотнитель фланца передней двери верхний угловой | |
| 8 | 32-6107029 | Уплотнитель фланца передней двери задний | |
| 9 | 240817-П8 | Винт 4х10 | |
| 10 | 32-6101488 | Накладка передней двери декоративная нижняя | |
| 11 | 32-8403120 | Держатель нижней декоративной накладки передней двери в сборе | |
| 12 | 250763-П8 | Гайка М5х0,8 | |
| 13 | 32-6107080 | Уплотнитель фланца передней двери угловой правый | |
| 14 | 32-6107020 | Уплотнитель фланца передней двери нижний | |
| 15 | 233124-П13 | Винт М8х1,25х20 крепления шипа | |
| 16 | 32-6106100 | Фиксатор передней двери в сборе | |
| 17 | 32-6106114 | Шип фиксатора передней двери | |
| 18 | 224624-П8 | Винт М6-6gх14 | |
| 19 | 30-6106086 | Буфер ограничителя двери | |
| 20 | 32-6106090 | Рычаг ограничителя передней двери | |
| 21 | 32-6106180 | Стопор ограничителя передней двери в сборе | |
| 22 | 32-6106192 | Облицовка ограничителя передней двери | |
| 23 | 32-6106026 | Петля передней двери нижняя правая с кронштейном в сборе | |
| 24 | 241820-П4 | Винт М4х18 крепления накладки порога передней двери | |
| 25 | 32-6101553 | Накладка порога передней двери левая | |
| 26 | 32-6101561 | Облицовка порога передней двери левая | |
| 27 | 241820-П13 | Винт М4х8 | |
| 28 | 241821-П13 | Винт 4х22 | |
| 29 | 32-6107048 | Кант проема передней двери в сборе | |
| 30 | 32-6906010 | Подлокотник в сборе |
Содержащиеся в справочниках-каталогах запасные части и детали не предлагаются к продаже, а носят исключительно информационный характер