Каталог запасных частей к технике: ГАЗ-12 (ЗИМ). Передняя подвеска
1
1
1
1
2
3
4
5
6
7
8
8
9
9
10
11
12
13
14
15
16
17
18
19
20
20
21
22
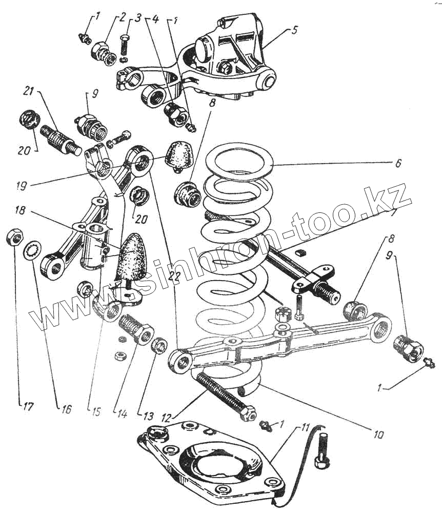
| Позиция на иллюстрации | Заводской номер детали | Название детали | |
|---|---|---|---|
| 12-2902735 | 12-2902735 | Чашка пружины передней подвески опорная левая в сборе | |
| 12-2905007 | 12-2905007 | Амортизатор передней подвески левый в сборе | |
| 257882-П | 257882-П | Шплинт-проволока | |
| 258038-П | 258038-П | Шплинт 2,7х15 | |
| 252135-П2 | 252135-П2 | Шайба 8Т ОСТ 37.001.115-75 | |
| 252135-П2 | 252135-П2 | Шайба 8Т ОСТ 37.001.115-75 | |
| 252137-П2 | 252137-П2 | Шайба 12.ОТ ОСТ 37.001.115-75 | |
| 264030-П8 | 264030-П8 | Пресс-масленка 2.3.45.Ц6 | |
| 22-2901015 | 22-2901015 | Подвеска передняя в сборе (без тормозов и колес) | |
| 12-2904033 | 12-2904033 | Ось нижних рычагов передней подвески левая | |
| 250789-П8 | 250789-П8 | Гайка 1М8х1 | |
| 292818-П8 | 292818-П8 | Гайка 1М12х1,25 квадратная | |
| 250869-П8 | 250869-П8 | Гайка 1М12х1,25 | |
| 205464-П8 | 205464-П8 | Болт 1М12х1,25х55 крепления чашки пружины передней подвески | |
| 201567-П8 | 201567-П8 | Болт 1М12х1,25х40 крепления картера коробки передач к нижнему картеру сцепления | |
| 290909-П8 | 290909-П8 | Болт 1М12х1,25х35 крепления оси нижних рычагов передней подвески к поперечине | |
| 1 | 264020-П8 | Пресс-масленка К 1/8" | |
| 1 | 264020-П8 | Пресс-масленка К 1/8" | |
| 1 | 264020-П8 | Пресс-масленка К 1/8" | |
| 2 | 20-2904080 | Втулка | |
| 3 | 201482-П8 | Болт М8х1-6gх35 | |
| 4 | 20-2904084 | Втулка кронштейна маятникового рычага рулевой трапеции в сборе - нижняя | |
| 5 | 12-2905006 | Амортизатор передней подвески правый в сборе | |
| 6 | 12-2902730 | Прокладка пружины | |
| 7 | 12-2904032 | Ось нижних рычагов передней подвески правая | |
| 8 | 12-2904034 | Кольцо оси нижних рычагов передней подвески защитное | |
| 9 | 12-2904040 | Втулка нижних рычагов передней подвески в сборе | |
| 10 | 12-2902712 | Пружина передней подвески | |
| 11 | 12-2902734 | Чашка пружины передней подвески опорная правая в сборе | |
| 12 | 12-2904068 | Палец стойки передней подвески резьбовой нижний | |
| 13 | 12-2904072 | Кольцо нижнего резьбового пальца стойки передней подвески уплотнительное | |
| 14 | 12-2904062 | Втулка стойки передней подвески резьбовая | |
| 15 | 12-2904056 | Стойка передней подвески | |
| 16 | 252241-П8 | Шайба диаметром 20 мм пружинная | |
| 17 | 250639-П8 | Контргайка М20х2,5 нижнего резьбового пальца стойки передней подвески | |
| 18 | 12-2902622-А | Буфер в сборе | |
| 19 | 12-2902654-А | Буфер хода отдачи | |
| 20 | 20-2904092 | Кольцо резьбового пальца передней подвески уплотнительное | |
| 21 | 20-2904076 | Палец резьбовой стойки передней подвески верхний | |
| 22 | 12-2904020 | Рычаги передней подвески нижние (комплект) |
Содержащиеся в справочниках-каталогах запасные части и детали не предлагаются к продаже, а носят исключительно информационный характер