Каталог запасных частей к технике: ГАЗ-12 (ЗИМ). Отопитель кузова
1
2
3
4
4
5
6
7
8
9
10
11
12
13
14
15
16
17
18
19
20
21
22
23
24
25
26
26
27
28
29
30
31
32
33
34
35
36
37
38
39
40
| Позиция на иллюстрации | Заводской номер детали | Название детали | |
|---|---|---|---|
| 290514-П8 | 290514-П8 | Болт М6х1х22 крепления тяги привода вентиляции передка | |
| 201417-П8 | 201417-П8 | Болт М6х1х14 | |
| 201454-П8 | 201454-П8 | Болт М8-6gх16 | |
| 241820-П13 | 241820-П13 | Винт М4х8 | |
| 240836-П8 | 240836-П8 | Винт М5х12 | |
| 240836-П8 | 240836-П8 | Винт М5х12 | |
| 220027-П8 | 220027-П8 | Винт М3,5х8 | |
| 220030-П8 | 220030-П8 | Винт М3,5х14 крепления пластины к кольцу | |
| 221578-П8 | 221578-П8 | Винт М5х0,8х12 крепления прокладки кожуха радиатора отопителя | |
| 221580-П8 | 221580-П8 | Винт М5х0,8х16 крепления прокладки радиатора отопителя | |
| 220086-П8 | 220086-П8 | Винт М5х0,8х30 | |
| 220086-П8 | 220086-П8 | Винт М5х0,8х30 | |
| 220086-П8 | 220086-П8 | Винт М5х0,8х30 | |
| 220086-П8 | 220086-П8 | Винт М5х0,8х30 | |
| 222496-П8 | 222496-П8 | Винт М5-6gх8 ОСТ 37.001.128-96 | |
| 220105-П8 | 220105-П8 | Винт М6х16 | |
| 250634-П8 | 250634-П8 | Гайка М14х1,5 | |
| 251084-П8 | 251084-П8 | Гайка М5х0,8 | |
| 251084-П8 | 251084-П8 | Гайка М5х0,8 | |
| 251084-П8 | 251084-П8 | Гайка М5х0,8 | |
| 251084-П8 | 251084-П8 | Гайка М5х0,8 | |
| 250763-П8 | 250763-П8 | Гайка М5х0,8 | |
| 251104-П8 | 251104-П8 | Гайка М6х1 | |
| 250764-П8 | 250764-П8 | Гайка М6х1 | |
| 250764-П8 | 250764-П8 | Гайка М6х1 | |
| 250956-П8 | 250956-П8 | Гайка М6 | |
| 32-8104198 | 32-8104198 | Крышка вентиляции кузова в сборе | |
| 297595-П8 | 297595-П8 | Лента хомута шланга стяжная | |
| 297584-П8 | 297584-П8 | Лента 10х235 | |
| 32-8101010 | 32-8101010 | Отопитель в сборе | |
| 260018-П8 | 260018-П8 | Палец 6х35 | |
| 260008-П8 | 260008-П8 | Палец диаметром 6х12 | |
| 297580-П8 | 297580-П8 | Пряжка хомута | |
| 297580-П8 | 297580-П8 | Пряжка хомута | |
| 297580-П8 | 297580-П8 | Пряжка хомута | |
| 32-8104220 | 32-8104220 | Уплотнитель крышки вентиляции кузова | |
| 288014-П8 | 288014-П8 | Хомутик диаметром 48 шланга радиатора | |
| 288014-П8 | 288014-П8 | Хомутик диаметром 48 шланга радиатора | |
| 288014-П8 | 288014-П8 | Хомутик диаметром 48 шланга радиатора | |
| 252178-П8 | 252178-П8 | Шайба 14 пружинная | |
| 252001-П8 | 252001-П8 | Шайба диаметром 3,7 | |
| 252151-П8 | 252151-П8 | Шайба диаметром 3,5 мм пружинная | |
| 252003-П8 | 252003-П8 | Шайба 5 | |
| 252004-П8 | 252004-П8 | Шайба 6 | |
| 252004 -ГГ8 | 252004 -ГГ8 | Шайба диаметром 6 мм | |
| 293224-П | 293224-П | Шайба диаметром 6,5 | |
| 293225-П | 293225-П | Шайба 6,5 | |
| 252134-П2 | 252134-П2 | Шайба 6Т ОСТ 37.001.115-75 | |
| 252134-П2 | 252134-П2 | Шайба 6Т ОСТ 37.001.115-75 | |
| 293226-П8 | 293226-П8 | Шайба 6 пружинная | |
| 293238-П8 | 293238-П8 | Шайба 6 плоская | |
| 252135-П2 | 252135-П2 | Шайба 8Т ОСТ 37.001.115-75 | |
| 252005-П8 | 252005-П8 | Шайба 8 | |
| 258024 -П | 258024 -П | Шплинт | |
| 258038-П | 258038-П | Шплинт 2,7х15 | |
| 258013-П | 258013-П | Шплинт 2х15 | |
| 258011-П | 258011-П | Шплинт 2х10 | |
| 258011-П | 258011-П | Шплинт 2х10 | |
| 297575-П8 | 297575-П8 | Шплинт хомутика | |
| 297575-П8 | 297575-П8 | Шплинт хомутика | |
| 297575-П8 | 297575-П8 | Шплинт хомутика | |
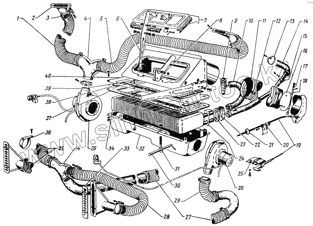
| 1 | 30-8102060 | Шланг трубопровода вентилятора длинный | |
| 2 | 32-8102040 | Патрубок трубопровода вентилятора обдува ветрового окна в сборе | |
| 3 | 288014-П8 | Хомутик диаметром 48 шланга радиатора | |
| 4 | 32-8101430 | Тройник трубопровода вентилятора обдува ветрового окна в сборе | |
| 4 | 32-8101430 | Тройник трубопровода вентилятора обдува ветрового окна в сборе | |
| 5 | 32-8101438 | Шланг трубопровода вентилятора обдува ветрового окна | |
| 6 | 32-8104182 | Рычаг привода вентиляции кузова в сборе | |
| 7 | 32-8104196 | Крышка вентиляции кузова с уплотнителем в сборе | |
| 8 | 81-6103086 | Зажим оси поворотного стекла передней двери | |
| 9 | 30-8101020 | Краник запорный отопителя в сборе | |
| 10 | 69-1014075 | Шланг соединительный вентиляции картера | |
| 11 | 32-8104174 | Шланг воздухопровода вентиляции кузова | |
| 12 | 30-8101038 | Шланг впускной трубы отопителя - длинный | |
| 13 | 297584-П8 | Лента 10х235 | |
| 14 | 32-8101032 | Труба отопителя выпускная | |
| 15 | 297507-П8 | Скоба крепления выпускной трубы отопителя | |
| 16 | 32-8104146 | Заслонка воздухопровода вентиляции кузова | |
| 17 | АА-2233 | Пружина оси заслонки воздухопровода вентиляции кузова | |
| 18 | 32-8104150 | Ось заслонки воздухопровода вентиляции кузова в сборе | |
| 19 | 32-8104156 | Привод заслонки воздухопровода вентиляции кузова в сборе | |
| 20 | М-9706-А | Зажим | |
| 21 | 70-143183 | Втулка привода заслонки воздухопровода вентиляции кузова | |
| 22 | 30-8101174 | Обойма уплотнителя трубок радиатора отопителя | |
| 23 | 30-8101170 | Уплотнитель трубок радиатора отопителя | |
| 24 | 32-8101120 | Заслонка кожуха радиатора отопителя | |
| 25 | 20-1310229 | Кронштейн крепления тяги управления жалюзи радиатора в сборе | |
| 26 | 32-8102010 | Вентилятор обдува ветрового окна в сборе | |
| 26 | 32-8102010 | Вентилятор обдува ветрового окна в сборе | |
| 27 | 30-8102060 | Шланг трубопровода вентилятора длинный | |
| 28 | 32-8101438 | Шланг трубопровода вентилятора обдува ветрового окна | |
| 29 | 30-8102062 | Шланг трубопровода вентилятора короткий | |
| 30 | 295808-П8 | Палец 8х145 тяги крепления отопителя | |
| 31 | 30-8101016 | Тяга крепления отопителя | |
| 32 | 32-8101098 | Кожух радиатора отопителя | |
| 33 | 32-8101454 | Облицовка патрубка трубопровода отопителя | |
| 34 | 32-8101060 | Радиатор отопителя в сборе | |
| 35 | 32-8101436 | Шланг обдува ветрового стекла | |
| 36 | 32-8101442 | Скоба | |
| 37 | 32-8101118 | Прокладка кожуха радиатора отопителя нижняя | |
| 38 | 32-8101160 | Прокладка радиатора отопителя | |
| 39 | 32-8101114 | Прокладка кожуха радиатора отопителя верхняя | |
| 40 | 32-8101116 | Прокладка кожуха радиатора отопителя средняя |
Содержащиеся в справочниках-каталогах запасные части и детали не предлагаются к продаже, а носят исключительно информационный характер