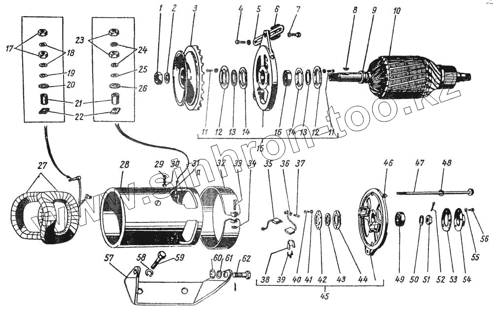
Каталог запасных частей к технике: ГАЗ-12 (ЗИМ). Генератор
1
2
3
4
5
6
7
8
9
10
11
11
12
12
13
13
14
14
15
16
17
18
19
20
21
21
22
23
24
25
26
27
28
29
30
31
32
33
34
35
36
37
38
39
40
41
42
43
44
45
46
47
48
49
50
51
52
53
54
55
56
57
58
59
60
61
62
| Позиция на иллюстрации | Заводской номер детали | Название детали | |
|---|---|---|---|
| Х-4001 | Х-4001 | Шайба 5Т пружинная | |
| М11-90118 | М11-90118 | Гайка М5 | |
| 258025-П2 | 258025-П2 | Шплинт 2,5х20 | |
| 1 | МХ-0235 | Гайка М16х1,5-6Н | |
| 2 | МХ-0234 | Шайба 16Л пружинная | |
| 3 | Г20-3701051-Б | Шкив генератора | |
| 4 | 201457-П8 | Болт М8-6gх22 | |
| 5 | 20Е-3701035 | Планка установочная генератора | |
| 6 | 70-10003 | Скоба прижимная | |
| 7 | 252135-П2 | Шайба 8Т ОСТ 37.001.115-75 | |
| 8 | Б-16 | Шпонка сегментная шкива генератора | |
| 9 | Г21-3701005 | Чашка переднего подшипника генератора опорная | |
| 10 | Г20-3701200 | Якорь генератора в сборе | |
| 11 | 7Х-4066 | Винт крепления держателя сальника переднего подшипника якоря генератора | |
| 12 | Г21-3701402-Б | Держатель сальника переднего подшипника якоря генератора наружный (шайба) | |
| 13 | МХ-0326 | Сальник переднего подшипника якоря генератора | |
| 14 | Г21-3701403-Б | Держатель сальника переднего подшипника якоря генератора внутренний (шайба) | |
| 15 | Г20-3701400-Б | Крышка генератора со стороны привода в сборе | |
| 16 | ГПЗ-203 | Подшипник шариковый якоря генератора передний | |
| 17 | 8Х-1532 | Гайка вывода Ш | |
| 18 | М11-41081 | Шайба 5Т пружинная | |
| 19 | 8Х-1497 | Шайба 5 | |
| 20 | Х-4489 | Шайба изоляционная шунтового вывода | |
| 21 | Г21-3701104-А | Втулка изоляционная | |
| 21 | Г21-3701104 | Втулка щеточного вывода изоляционная | |
| 22 | Г21-3701106 | Шайба изоляционная шунтового и щеточного выводов | |
| 23 | 8Х-1533 | Гайка М6-6Н | |
| 24 | М11-40076 | Шайба пружинная | |
| 25 | МХ-0276 | Шайба 6 | |
| 26 | Х-4490 | Шайба изоляционная щеточного вывода | |
| 27 | Г21-3701110 | Катушка возбуждения в сборе | |
| 28 | Г21-3701100 | Корпус генератора в сборе | |
| 29 | 7Х-1598 | Винт М5-8hх12 | |
| 30 | Х-4001 | Шайба 5Т пружинная | |
| 31 | Г15-3701180 | Вывод щеточный в сборе (клемма Я) | |
| 32 | Г21-3701041 | Лента защитная коллектора генератора | |
| 33 | МХ-0139 | Винт М5 | |
| 34 | 8Х-1531 | Гайка М5 | |
| 35 | Г20-3701020 | Щетка генератора в сборе | |
| 36 | Х-4001 | Шайба 5Т пружинная | |
| 37 | 7Х-1598 | Винт М5-8hх12 | |
| 38 | Г16-3701305 | Рычаг щетки генератора прижимной | |
| 39 | Г13-3701304 | Пружина щетки генератора | |
| 40 | 8Х-1541 | Винт | |
| 41 | Х-1012 | Шайба 4 пружинная | |
| 42 | Г21-3701313 | Держатель сальника заднего подшипника генератора наружный (шайба) | |
| 43 | Х5-9268 | Сальник заднего подшипника генератора | |
| 44 | Г21-3701314 | Держатель сальника заднего подшипника генератора внутренний (шайба) | |
| 45 | Г20-3701300 | Крышка генератора со стороны коллектора в сборе | |
| 46 | ГБФ-1561 | Масленка подшипника генератора | |
| 47 | Г21-3701080 | Болт стяжной генератора | |
| 48 | Х-4069 | Шайба 8 пружинная | |
| 49 | ГПЗ-202 | Подшипник шариковый якоря генератора задний | |
| 50 | Х3-9411 | Шайба упорная якоря стартера передняя | |
| 51 | Х2-10-83Д | Гайка крепления подшипника заднего конца якоря генератора | |
| 52 | М11-40077 | Шплинт | |
| 53 | СБА-25-33Д | Прокладка крышки заднего подшипника генератора | |
| 54 | СБА-25-22Д | Крышка заднего подшипника генератора | |
| 55 | Х-1012 | Шайба 4 пружинная | |
| 56 | 8Х-1541 | Винт | |
| 57 | 12-3701030 | Кронштейн крепления генератора к блоку цилиндров двигателя | |
| 58 | 252136-П2 | Шайба 10 ОТ ОСТ 37.001.115-75 | |
| 59 | 201497-П8 | Болт М10х25 | |
| 60 | 250867-П8 | Гайка М8х1 | |
| 61 | 252155-П2 | Шайба 8Л ОСТ 37.001.115-75 | |
| 62 | 290667-П8 | Болт 1М8х1х30 |
Содержащиеся в справочниках-каталогах запасные части и детали не предлагаются к продаже, а носят исключительно информационный характер