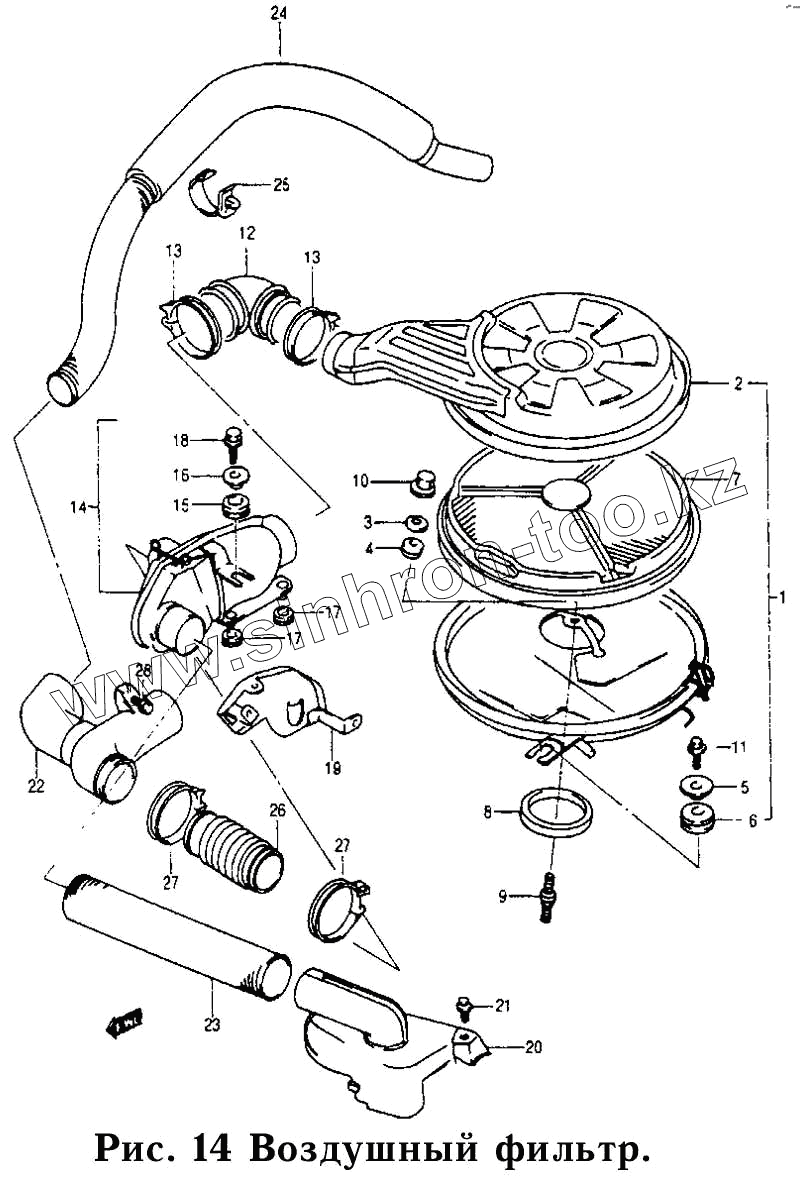
Каталог запасных частей к технике: Daewoo Tico. Воздушный фильтр
1
2
3
4
5
6
7
8
9
10
11
12
13
13
14
15
16
17
17
19
20
21
22
23
25
26
27
27
28
83
| Позиция на иллюстрации | Заводской номер детали | Название детали | |
|---|---|---|---|
| 1 | 13700А78В02-000 | Воздухоочиститель в сборе | |
| 2 | 13770А78В02-000 | Крышка воздухоочистителя | |
| 3 | 13877-78В00-000 | Установочная втулка корпуса | |
| 4 | 13878-51 А00-000 | Установочная подушка корпуса | |
| 5 | 13838А84000-000 | Втулка | |
| 6 | 13876А84000-000 | Подушка воздухоочистителя | |
| 7 | 13780А78В00-000 | Воздушный фильтр | |
| 8 | 13879А78800-000 | Прокладка воздухоочистителя | |
| 9 | 13875А78В00-000 | Установочная шпилька | |
| 10 | 08316-26063-000 | Гайка | |
| 11 | 01954-06163-000 | Болт | |
| 12 | 13883А78800-000 | Направляющий шланг | |
| 13 | 13821А78В00-000 | Зажим шланга | |
| 14 | 13720А78В10-000 | Впускное устройство | |
| 15 | 13876А84000-000 | Подушка воздухоочистителя | |
| 16 | 13838А84000-000 | Втулка | |
| 17 | 13878-51 А00-000 | Установочная подушка корпуса | |
| 19 | 13810А78В00-000 | Кронштейн | |
| 20 | 14130А78802-000 | Крышка выпускного коллектора | |
| 21 | 09103-06034-000 | Болт | |
| 22 | 13880-78800-000 | Впускной шланг | |
| 23 | 13841В78В00-000 | Шланг теплого воздуха | |
| 24 | 13890-72В00-000 | Глушитель в комплекте | |
| 25 | 13884-70800-000 | Зажим камеры глушителя | |
| 26 | 13885А78В00-000 | Впускной шланг воздуха | |
| 27 | 13821А78В00-000 | Зажим шланга | |
| 28 | 02142-06163-000 | Винт | |
| 83 | 01804-06163-000 | Болт |
Содержащиеся в справочниках-каталогах запасные части и детали не предлагаются к продаже, а носят исключительно информационный характер