Каталог запасных частей к технике: Daewoo Tico. Тормозные патрубки
1
1
2
2
3
3
4
5
6
7
8
9
10
10
10
11
12
13
14
14
15
15
16
16
17
18
19
19
20
20
20
20
21
22
22
23
24
25
26
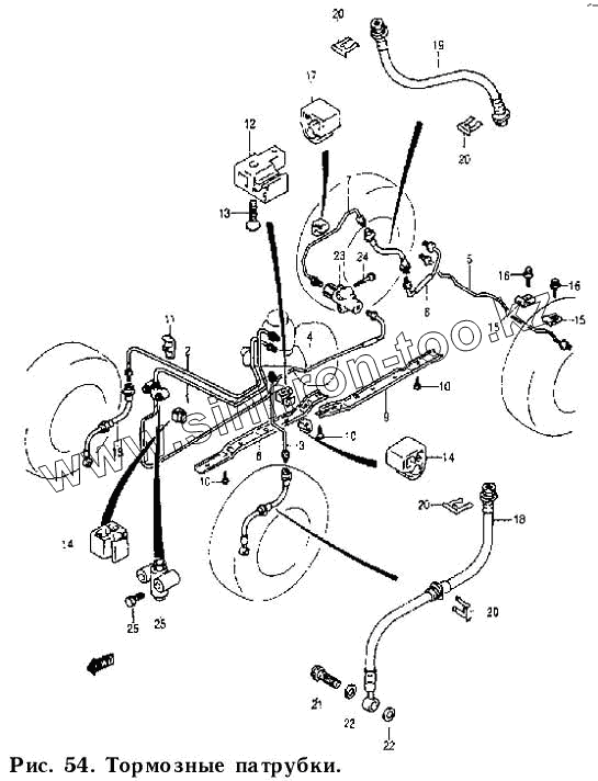
| Позиция на иллюстрации | Заводской номер детали | Название детали | |
|---|---|---|---|
| 1 | 51410А78В20-000 | Тормозная трубка | |
| 1 | 51410А78В01-000 | Тормозная трубка | |
| 2 | 51420А78В01-000 | Тормозная трубка | |
| 2 | 51420А78В20-000 | Тормозная трубка | |
| 3 | 51430А78В00-000 | Тормозная трубка | |
| 3 | 51430А78В20-000 | Тормозная трубка | |
| 4 | 51460А78В01-000 | Трубка соединения клапана | |
| 5 | 51480А70В00-000 | Трубка | |
| 6 | 51490А50А00-000 | Трубка | |
| 7 | 51520А70В00-000 | Трубка клапана шланга | |
| 8 | 51711А78В31-000 | Крышка тормозной трубки | |
| 9 | 51721А78В31-000 | Крышка тормозной трубки | |
| 10 | 03241-05103-000 | Винт | |
| 11 | 51751-60В00-000 | Зажим тормозной трубки №2 | |
| 12 | 51751-70В00-000 | Зажим тормозной трубки | |
| 13 | 02122-06203-000 | Винт | |
| 14 | 51752-70В00-000 | Зажим тормозной трубки | |
| 15 | 09403А06401-000 | Зажим тормозной трубки №2 | |
| 16 | 09132А06006-000 | Винт | |
| 17 | 51771-60В00-000 | Зажим тормозной трубки | |
| 18 | 51550-70В30-000 | Тормозной шланг | |
| 19 | 51570-70В30-000 | Тормозной шланг в комплекте | |
| 20 | 09383-13001-000 | Кольцо тормозного шланга | |
| 21 | 09360-10026-000 | Болт | |
| 22 | 09161-10010-000 | Шайба | |
| 23 | 51910А50А12-000 | Пропорциональный клапан | |
| 24 | 01537-06353-000 | Болт | |
| 25 | 51610-84040-000 | Соединитель тормозной трубки | |
| 26 | 01537-06353-000 | Болт |
Содержащиеся в справочниках-каталогах запасные части и детали не предлагаются к продаже, а носят исключительно информационный характер