Каталог запасных частей к технике: Daewoo Tico. Стеклоочиститель и стеклоомыватель
1
1
2
2
3
3
4
4
5
5
6
6
7
7
8
8
9
10
11
12
13
14
15
16
17
18
19
20
21
22
23
24
25
26
27
28
29
30
31
32
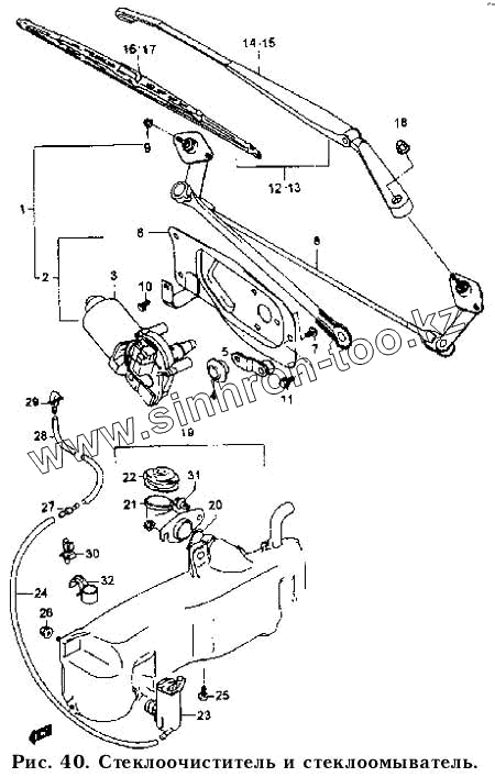
| Позиция на иллюстрации | Заводской номер детали | Название детали | |
|---|---|---|---|
| 1 | 38100А78В02-000 | Стеклоочиститель в сборе | |
| 1 | 381 00А78В12-000 | Стеклоочиститель в сборе | |
| 2 | 38200А78В10-000 | Мотор стеклоочистителя в сборе | |
| 2 | 38200А78В00-000 | Мотор стеклоочистителя в сборе | |
| 3 | 38101А78В00-000 | Мотор стеклоочистителя в сборе | |
| 3 | 38101А78В10-000 | Мотор стеклоочистителя в сборе | |
| 4 | 38147А78В00-000 | Прокладка | |
| 4 | 38147А78В10-000 | Прокладка | |
| 5 | 38174А78В 10-000 | Рычаг стеклоочистителя в сборе | |
| 5 | 38174А78В00-000 | Рычаг стеклоочистителя в сборе | |
| 6 | 38252А78В10-000 | Кронштейн | |
| 6 | 38252А78В00-000 | Кронштейн | |
| 7 | 01934-06106-000 | Болт | |
| 7 | 01934-06126-000 | Болт | |
| 8 | 38102А78В00-000 | Рычаг стеклоочистителя в сборе | |
| 8 | 38102А78В10-000 | Рычаг стеклоочистителя в сборе | |
| 9 | 08316-26063-000 | Гайка | |
| 10 | 09115А06001-000 | Болт | |
| 11 | 01974-06126-000 | Болт | |
| 12 | 38301А78В00-000 | Рычаг и щетка стеклоочистителя | |
| 13 | 38302А78В00-000 | Рычаг и щетка стеклоочистителя | |
| 14 | 38330А78В00-000 | Рычаг привода в сборе | |
| 15 | 38310А78В00-000 | Рычаг в сборе | |
| 16 | 38340А78В00-000 | Щетка стеклоочистителя в сборе | |
| 17 | 38320А78В00-000 | Щетка стеклоочистителя в сборе | |
| 18 | 08313-21089-000 | Гайка | |
| 19 | 38400А71В02-000 | Омыватель ветрового стекла | |
| 20 | 09280А21001-000 | Кольцо | |
| 21 | 38453-71 В00-000 | Трубка | |
| 22 | 38452-60В00-000 | Колпачок | |
| 23 | 38410-66113-000 | Насос в сборе | |
| 24 | 38491-60А20-000 | Шланг омывателя | |
| 25 | 02142-06123-000 | Винт | |
| 26 | 08316-26063-000 | Гайка | |
| 27 | 38491-78В00-000 | Клапан | |
| 28 | 38832А78В00-000 | Передний шланг омывателя | |
| 29 | 38480А70В00-000 | Сопло омывателя в сборе | |
| 30 | 09403-07319-000 | Зажим шланга | |
| 31 | 09409-07308-000 | Заглушка впускного отверстия | |
| 32 | 34935А60D00-000 | Зажим шланга №1 |
Содержащиеся в справочниках-каталогах запасные части и детали не предлагаются к продаже, а носят исключительно информационный характер