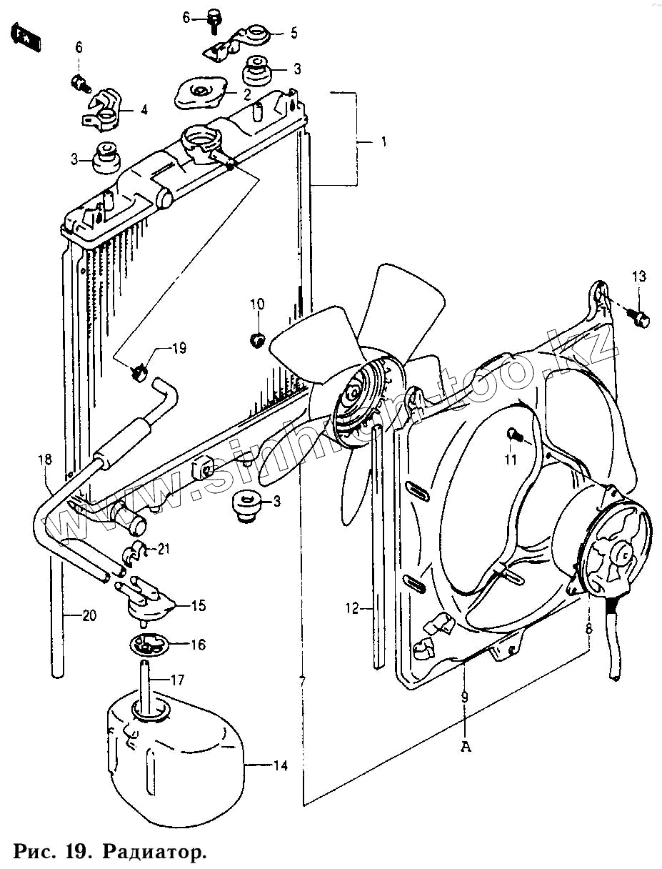
Каталог запасных частей к технике: Daewoo Tico. Радиатор
1
2
3
3
3
4
5
6
6
7
8
9
10
11
12
13
14
15
16
17
18
19
20
21
| Позиция на иллюстрации | Заводской номер детали | Название детали | |
|---|---|---|---|
| 17100А78В00-000 | 17100А78В00-000 | Вентилятор охлаждения | |
| 1 | 17700А78800-000 | Радиатор в сборе | |
| 2 | 17920А78В10-000 | Крышка радиатора в комплекте | |
| 3 | 17879-70В01-000 | Крепление опоры радиатора | |
| 4 | 17862-78В00-000 | Кронштейн опоры радиатора | |
| 5 | 17861А78В00-000 | Кронштейн опоры радиатора | |
| 6 | 01954-06103-000 | Болт | |
| 7 | 17111 -62050-000 | Вентилятор охлаждения | |
| 8 | 17120-62050-000 | Мотор вентилятора | |
| 9 | 17760-62050-000 | Кожух вентилятора охлаждения | |
| 10 | 08316-26053-000 | Гайка | |
| 11 | 17129А86000-000 | Винт | |
| 12 | 17799А84010-000 | Уплотнитель кожуха вентилятора | |
| 13 | 01954-06103-000 | Болт | |
| 14 | 17931А70В00-000 | Бачок резерва воды | |
| 15 | 17932А60000-000 | Крышка бачка резерва воды | |
| 16 | 17933-60В00-000 | Уплотнительная крышка бачка | |
| 17 | 09352-70111-115 | Шланг резервного бачка | |
| 18 | 17938А78В00-000 | Шланг накопительного бачка | |
| 19 | 09401А11408-000 | Зажим шланга резервного бачка | |
| 20 | 09352-70111-220 | Шланг вентиляции | |
| 21 | 09408-00100-000 | Зажим шланга |
Содержащиеся в справочниках-каталогах запасные части и детали не предлагаются к продаже, а носят исключительно информационный характер