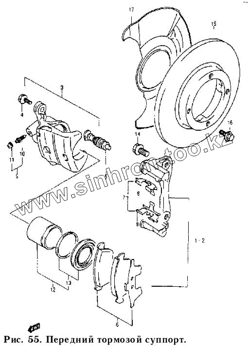
Каталог запасных частей к технике: Daewoo Tico. Передний тормозной суппорт
1
2
3
4
5
6
7
8
9
9
10
11
12
13
14
15
16
17
| Позиция на иллюстрации | Заводской номер детали | Название детали | |
|---|---|---|---|
| 1 | 55101А78В00-000 | Передний тормозной суппорт | |
| 2 | 55102А78В00-000 | Передний тормозной суппорт | |
| 3 | 55800-70800-000 | Чехол в комплекте | |
| 4 | 55206-78451-000 | Болт | |
| 5 | 55850-70В00-000 | Чехол направляющего пальца | |
| 6 | 55201-78820-000 | Тормозная колодка в сборе | |
| 7 | 55230-70800-000 | Пружина в комплекте | |
| 8 | 55234-70В01-000 | Пружина накладки | |
| 9 | 55150-78450-000 | Пробка и колпак | |
| 10 | 55151-78450-000 | Пробка выпуска воздуха | |
| 11 | 55150А66310-000 | Колпак пробки выпуска воздуха | |
| 12 | 55840-70В00-000 | Поршень в комплекте | |
| 13 | 55830-70В00-000 | Уплотнитель поршня | |
| 14 | 09117А12006-000 | Болт | |
| 15 | 55311А60В11-000 | Передний тормозной диск | |
| 16 | 09117А10042-000 | Болт тормозного диска | |
| 17 | 55321-70В00-000 | Пылезащитный чехол |
Содержащиеся в справочниках-каталогах запасные части и детали не предлагаются к продаже, а носят исключительно информационный характер