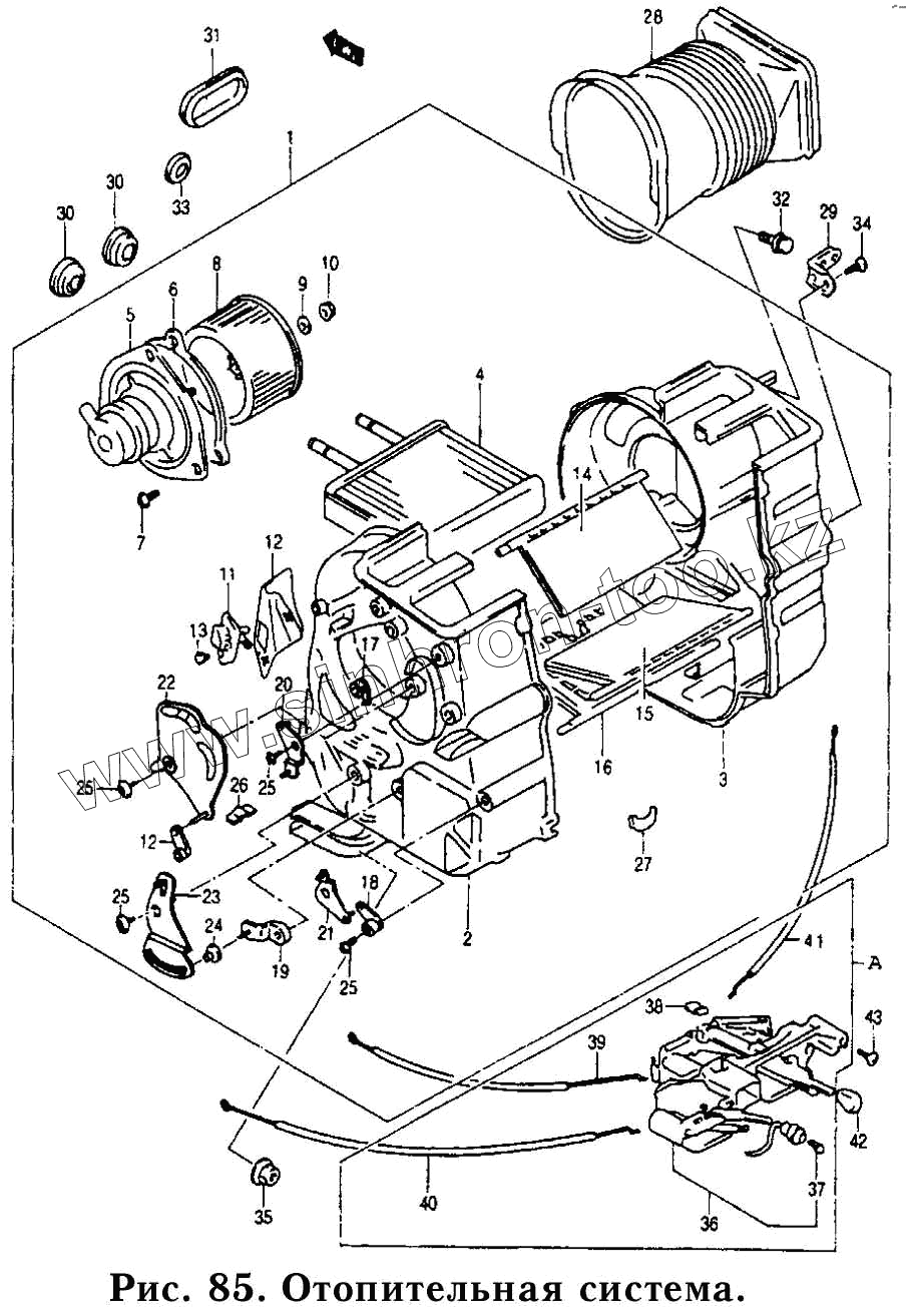
Каталог запасных частей к технике: Daewoo Tico. Отопительная система
1
2
3
4
5
6
7
8
9
10
11
12
12
13
14
15
16
17
18
19
20
21
22
23
24
25
25
25
25
26
27
28
29
30
30
31
32
33
34
35
36
37
38
39
40
41
42
43
| Позиция на иллюстрации | Заводской номер детали | Название детали | |
|---|---|---|---|
| 744S1-78ВХ0-000 | 744S1-78ВХ0-000 | Рычаг управления обогревателя | |
| 1 | 74100А78В04-000 | Блок обогревателя | |
| 2 | 74111А78В00-000 | Кожух обогревателя | |
| 3 | 74112А78В00-000 | Кожух обогревателя | |
| 4 | 74120А78В00-000 | Сердечник обогревателя в сборе | |
| 5 | 74130А78В00-000 | Мотор обогревателя в сборе | |
| 6 | 74131А78В00-000 | Прокладка мотора обогревателя | |
| 7 | 74132А78В00-000 | Винт мотора обогревателя | |
| 8 | 74133А78В00-000 | Центробежный вентилятор | |
| 9 | 74134А78В00-000 | Шайба вентилятора | |
| 10 | 08316-26056-000 | Гайка | |
| 11 | 74140А78В00-000 | Резистор вентилятора | |
| 12 | 74141А78В00-000 | Пластина резистора | |
| 13 | 03211-04128-000 | Винт | |
| 14 | 14150А78В00-000 | Заслонка дефростера | |
| 15 | 74151А78В00-000 | Заслонка впускного воздуха | |
| 16 | 74152А78В00-000 | Заслонка выпускного воздуха | |
| 17 | 74160А78В00-000 | Рычаг дефростера | |
| 18 | 74161А78В00-000 | Рычаг впускного воздуха | |
| 19 | 74162А78В00-000 | Рычаг выпускного воздуха | |
| 20 | 74170А78В00-000 | Коромысло рычага дефростера | |
| 21 | 74171А78В00-000 | Коромысло рычага | |
| 22 | 74172А78В00-000 | Соединитель троса | |
| 23 | 74173А78В00-000 | Коромысло рычага | |
| 24 | 74146А78В00-000 | Подшипник заслонки | |
| 25 | 74181А78В00-000 | Винт | |
| 26 | 74182А78В00-000 | Зажим кабеля | |
| 27 | 74183А78В00-000 | Зажим корпуса | |
| 28 | 74611А70В01-000 | Патрубок обогревателя | |
| 29 | 74671-70В00-000 | Стойка вещевого ящика | |
| 30 | 74811А70В00-000 | Уплотнитель трубки обогревателя | |
| 31 | 74812-70В02-000 | Уплотнитель воздухозаборника | |
| 32 | 09118-06021-000 | Болт | |
| 33 | 09250-25003-000 | Уплотнитель | |
| 34 | 03241-05103-000 | Винт | |
| 35 | 08361-25066-000 | Гайка | |
| 36 | 74400А78В00-000 | Рычаг управления обогревателя | |
| 37 | 74517А78В00-000 | Лампа накаливания | |
| 38 | 74441-78В00-000 | Держатель кабеля обогревателя | |
| 39 | 74451А70В00-000 | Провод контроля воздуха | |
| 40 | 74452А70В00-000 | Кабель управления | |
| 41 | 74453А70В00-000 | Провод управления | |
| 42 | 74461-78В00-000 | Кнопка | |
| 43 | 03241-05163-000 | Винт | |
| 44 | 74500А78В00-000 | Пружина |
Содержащиеся в справочниках-каталогах запасные части и детали не предлагаются к продаже, а носят исключительно информационный характер