Каталог запасных частей к технике: Daewoo Tico. Механизм привода управления КПП (5МТ)
1
1
2
3
3
4
4
5
5
6
7
8
8
9
9
9
9
9
9
9
9
10
11
13
14
15
16
17
17
17
18
18
18
19
19
19
20
21
22
23
24
25
26
28
29
30
31
32
33
34
34
35
36
36
36
37
37
39
39
40
41
42
43
44
45
46
46
47
48
49
50
52
56
57
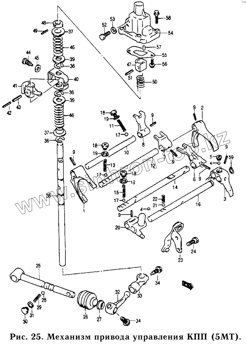
| Позиция на иллюстрации | Заводской номер детали | Название детали | |
|---|---|---|---|
| 1 | 09205-05018-000 | Палец механизма блокировки з/х | |
| 1 | 25211А73801-000 | Вилка шестерни 1 и 2 передачи | |
| 2 | 25221-70В00-000 | Вилка шестерни 3 и 4 передачи | |
| 3 | 25231-70В50-000 | Вилка шестерни 5 передачи | |
| 3 | 08322-11083-000 | Шайба | |
| 4 | 25573-60В50-000 | Крышка привода механизма | |
| 4 | 06112-10004-000 | Шарик фиксатора вала | |
| 5 | 25575-60В50-000 | Пластина | |
| 5 | 09248-10006-000 | Пробка вилки 5 передачи | |
| 6 | 25261-70В52-000 | Вилка штока переключения | |
| 7 | 25281-70В01-000 | Вилка штока переключения | |
| 8 | 01957-06253-000 | Болт | |
| 8 | 25271-70В02-000 | Вилка штока переключения | |
| 9 | 08331-31129-000 | Кольцо стопорной вилки | |
| 9 | 09205-04009-000 | Палец штока | |
| 10 | 25411А63D01-000 | Шток механизма переключения | |
| 11 | 25415А70В00-000 | Пружина фиксатора 1 и 2 передач | |
| 13 | 25421А63D01-000 | Пружина фиксатора | |
| 14 | 25451А73В52-000 | Шток механизма заднего хода | |
| 15 | 25435А70В00-000 | Пружина фиксатора | |
| 16 | 25431А73В51-000 | Вал переключения 5 передачи | |
| 17 | 06112-10004-000 | Шарик фиксатора вала | |
| 18 | 09128-10005-000 | Болт | |
| 19 | 08322-11103-000 | Шайба | |
| 20 | 25251-73В50-000 | Рычаг механизма заднего хода | |
| 21 | 06112-10004-000 | Шарик фиксатора вала | |
| 22 | 25255А60В01-000 | Пружина рычага заднего хода | |
| 23 | 25460-73В00-000 | Рычаг переключения заднего хода | |
| 24 | 01937-08203-000 | Болт | |
| 25 | 25510А73В01-000 | Вал привода механизма | |
| 26 | 25595А82000-000 | Чехол вала привода механизма | |
| 28 | 09289-14001-000 | Шарик | |
| 29 | 25515А60В01-000 | Пружина фиксатора вала | |
| 30 | 09128-10004-000 | Болт | |
| 31 | 09168-10007-000 | Шайба | |
| 32 | 25521А70В02-000 | Рычаг механизма переключения | |
| 33 | 25531А60В01-000 | Вилка штока | |
| 34 | 25701А60803-000 | Болт скобы привода механизма | |
| 35 | 25571А73В50-000 | Вал переключения и выбора | |
| 36 | 09383-12002-000 | Стопорное кольцо вала отбора | |
| 37 | 25588-60В00-000 | Направляющая пружина отбора | |
| 39 | 08212-14301-000 | Шайба | |
| 40 | 25311А78В00-000 | Пластина блокировки механизма | |
| 41 | 25541-60В00-000 | Рычаг переключения и выбора | |
| 42 | 09205-03016-000 | Внутренний палец рычага отбора | |
| 43 | 09205-06017-000 | Наружный палец рычага отбора | |
| 44 | 25321А60В00-000 | Болт | |
| 45 | 09168-10032-000 | Прокладка | |
| 46 | 25577А70В00-000 | Пружина | |
| 47 | 25581-60В50-000 | Кулачок переключения 5 передачи | |
| 48 | 255В2-60В50-000 | Кулачок переключения | |
| 49 | 09205-03035-000 | Направляющий палец кулачка | |
| 50 | 25583А60В50-000 | Возвратная пружина | |
| 52 | 25584А60В50-000 | Болт блокиратора 5 передачи | |
| 56 | 09103А06128-000 | Болт пластины корпуса | |
| 57 | 04221-06129-000 | Установочный палец |
Содержащиеся в справочниках-каталогах запасные части и детали не предлагаются к продаже, а носят исключительно информационный характер