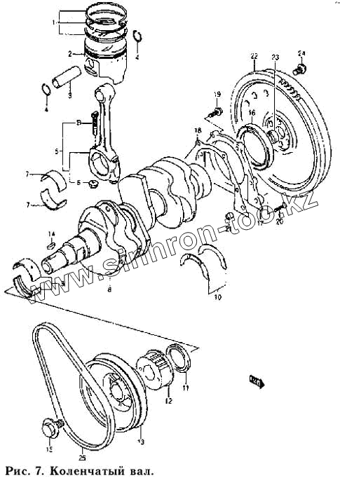
Каталог запасных частей к технике: Daewoo Tico. Коленчатый вал
1
1
1
2
2
2
3
4
4
5
5
6
7
7
7
7
7
8
9
9
9
10
10
11
12
13
13
14
15
16
17
18
19
20
21
22
23
24
25
| Позиция на иллюстрации | Заводской номер детали | Название детали | |
|---|---|---|---|
| 1 | 12140А78В 10-025 | Комплект поршневых колец (0.25) | |
| 1 | 12140А78В 10-000 | Комплект поршневых колец | |
| 1 | 12140А78В 10-050 | Комплект поршневых колец (0.50) | |
| 2 | 12111А78В01-0А0 | Поршень | |
| 2 | 12111А78В01-025 | Поршень (0.25) | |
| 2 | 12111А78В01.050 | Поршень (0.50) | |
| 3 | 12151А29001-000 | Палец поршня | |
| 4 | 09381-16001-000 | Стопорное кольцо поршня | |
| 5 | 12163А60В 00-000 | Болт шатуна | |
| 5 | 12160А78В 00-000 | Шатун в сборе | |
| 6 | 09159А08033-000 | Гайка шатуна | |
| 7 | 12181А81051-0А0 | Шатунный подшипник | |
| 7 | 12181А81051-0В0 | Шатунный подшипник (0.25) | |
| 7 | 12181А81051-050 | Шатунный подшипник (0.50) | |
| 7 | 12181А81051-075 | Шатунный подшипник (0.75) | |
| 7 | 12181А81051-100 | Шатунный подшипник (1.00) | |
| 8 | 12221А78В01-000 | Коленчатый вал | |
| 9 | 12300-61810-0А0 | Коренной подшипник в сборе | |
| 9 | 12341А60D00-025 | Коренной подшипник (0.25) | |
| 9 | 12341А60D00-050 | Коренной подшипник (0.50) | |
| 10 | 12300-82810-000 | Упорный подшипник в боре | |
| 10 | 12300-82820-000 | Упорный подшипник в боре | |
| 11 | 09283-32026-000 | Передний сальник коленвала | |
| 12 | 12631А78В00-000 | Шкив привода ремня коленвала | |
| 13 | 12611-71 В 00-000 | Шкив коленчатого вала | |
| 13 | 95131-78В00-000 | Шкив коленчатого вала | |
| 14 | 08341-31059-000 | Шпонка шкива коленчатого вала | |
| 15 | 12619А60В 00-000 | Болт шкива коленчатого вала | |
| 16 | 09283-60005-000 | Задний сальник коленвала | |
| 17 | 11341А70В01-000 | Корпус сальника | |
| 18 | 11349-73003-000 | Прокладка корпуса сальника | |
| 19 | 01957-06203-000 | Болт | |
| 20 | 02122-06253-000 | Болт | |
| 21 | 04211-09109-000 | Установочный палец | |
| 22 | 12652-61000-000 | Маховик в сборе | |
| 23 | 12623А70В 00-000 | Подшипник входного вала | |
| 24 | 09103-10097-000 | Болт маховика | |
| 25 | 17521А78В00.000 | Ремень генератора |
Содержащиеся в справочниках-каталогах запасные части и детали не предлагаются к продаже, а носят исключительно информационный характер