Каталог запасных частей к технике: Daewoo Tico. Главный тормозной цилиндр
1
1
1
2
2
2
3
3
4
4
4
5
6
7
7
7
8
9
10
11
12
13
13
14
15
16
16
16
16
17
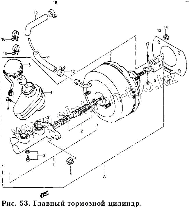
| Позиция на иллюстрации | Заводской номер детали | Название детали | |
|---|---|---|---|
| 51000А78В40-000 | 51000А78В40-000 | Главный тормозной цилиндр | |
| 51000А8В21-000 | 51000А8В21-000 | Главный тормозной цилиндр | |
| 51000А78В00-000 | 51000А78В00-000 | Главный тормозной цилиндр | |
| 1 | 51100-70В20-000 | Главный тормозной цилиндр | |
| 1 | 51100А70В30-000 | Главный тормозной цилиндр | |
| 1 | 51100А70В40-000 | Главный тормозной цилиндр | |
| 2 | 51190-70В 20-000 | Поршень тормозного цилиндра | |
| 2 | 51190-70В 30-000 | Поршень тормозного цилиндра | |
| 2 | 51190-70В40-000 | Поршень тормозного цилиндра | |
| 3 | 51197-84210-000 | Прокладка | |
| 4 | 51210-70В 20-000 | Резервуар главного цилиндра | |
| 4 | 51210-70В 30-000 | Резервуар главного цилиндра | |
| 4 | 51210-70В40-000 | Резервуар главного цилиндра | |
| 5 | 51220-70В 30-000 | Крышка резервуара | |
| 6 | 51233-54310-000 | Болт | |
| 7 | 51300-78В00-000 | Тормозной усилитель в сборе | |
| 7 | 51300А78В21-000 | Тормозной усилитель в сборе | |
| 7 | 51300А78В40-000 | Тормозной усилитель в сборе | |
| 8 | 08361-15086-000 | Гайка | |
| 9 | 51182-70В 20-000 | Скова тяги цилиндра | |
| 10 | 08316-22086-000 | Гайка | |
| 11 | 51021А78В02-000 | Шланг вакуумного усилителя | |
| 12 | 51030А78В01-000 | Шланг вакуумного усилителя | |
| 13 | 51132-82002-000 | Держатель главного цилиндра | |
| 13 | 51132-84001-000 | Держатель главного цилиндра | |
| 14 | 09159-08051-000 | Гайка | |
| 15 | 09200А08068-000 | Палец тормозного цилиндра | |
| 16 | 09401 А15402-000 | Зажим тормозного шланга №1 | |
| 17 | 04111-25206-000 | Шплинт |
Содержащиеся в справочниках-каталогах запасные части и детали не предлагаются к продаже, а носят исключительно информационный характер