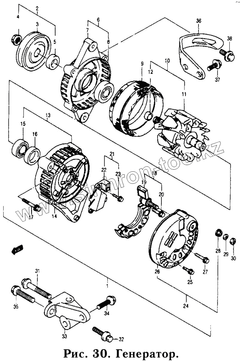
Каталог запасных частей к технике: Daewoo Tico. Генератор
1
2
3
4
5
6
7
8
9
10
11
12
13
14
15
16
17
18
19
20
21
22
23
24
25
26
27
28
29
30
31
32
33
34
35
36
37
38
| Позиция на иллюстрации | Заводской номер детали | Название детали | |
|---|---|---|---|
| 1 | 31400А78В03-000 | Генератор сборе | |
| 2 | 31401А78800-000 | Шкив генератора | |
| 3 | 31171А78В00-000 | Шкив генератора | |
| 4 | 31775А78В00-000 | Гайка генератора | |
| 5 | 31792А78В00-000 | Втулка генератора | |
| 6 | 31501А78800-000 | Крышка в комплекте | |
| 7 | 31580А78В00-000 | Крышка в сборе | |
| 8 | 31582А78В00-000 | Подшипник конца привода | |
| 9 | 31410А78В00-000 | Статор в сборе | |
| 10 | 31720А78В00-000 | Ротор генератора в сборе | |
| 11 | 31710А78В00-000 | Ротор генератора | |
| 12 | 31793А78В00-000 | Втулка генератора | |
| 13 | 31601А78В00-000 | Каркас генератора в сборе | |
| 14 | 31611А78В00-000 | Каркас генератора | |
| 15 | 31612А78В00-000 | Подшипник рамы | |
| 16 | 31585А78В00-000 | Держатель рамы | |
| 17 | 31651А78В00-000 | Болт рамы | |
| 18 | 31620А78В00-000 | Узел держателя в сборе | |
| 19 | 31621А78В00-000 | Держатель | |
| 20 | 31692А78В00-000 | Болт | |
| 21 | 32501А78В00-000 | Узел щеток и регулятора | |
| 22 | 32500А78В00-000 | Щетка и регулятор в сборе | |
| 23 | 32691А78В00-000 | Болт щетки регулятора | |
| 24 | 31610А78800-000 | Кожух заднего конца генератора | |
| 25 | 31691А78В00-000 | Болт крышки генератора | |
| 26 | 31614А78В00-000 | Крышка генератора | |
| 27 | 31692А78В00-000 | Болт | |
| 28 | 08316-16066-000 | Гайка крышки генератора | |
| 29 | 08321-31068-000 | Стопорная шайба клеммы | |
| 30 | 08310-11063-000 | Гайка | |
| 31 | 01957-08353-000 | Болт | |
| 32 | 01957-08303-000 | Болт генератора | |
| 33 | 17911А78В00-000 | Кронштейн генератора | |
| 34 | 01957-08253-000 | Болт | |
| 35 | 01957-08353-000 | Болт | |
| 36 | 17921-78В00-000 | Рычаг | |
| 37 | 01957-08203-000 | Болт | |
| 38 | 09118-08057-000 | Регулировочный болт |
Содержащиеся в справочниках-каталогах запасные части и детали не предлагаются к продаже, а носят исключительно информационный характер