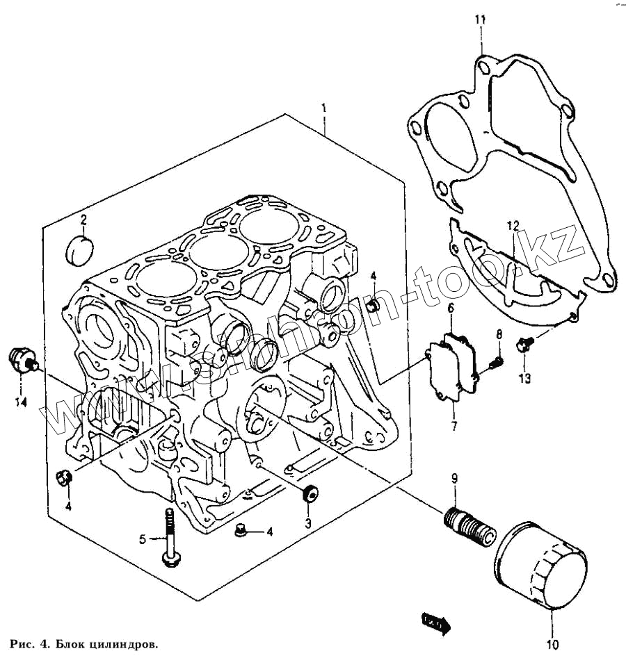
Каталог запасных частей к технике: Daewoo Tico. Блок цилиндров
1
2
3
3
4
4
5
6
7
10
11
12
13
14
| Позиция на иллюстрации | Заводской номер детали | Название детали | |
|---|---|---|---|
| 11221А73000-000 | 11221А73000-000 | Пластина блока цилиндров | |
| 1 | 11200А73В 00-000 | Блок цилиндров в сборе | |
| 2 | 03241-30002-000 | Пробка | |
| 3 | 09246А05003-000 | Пробка масляной магистрали 1/8 | |
| 3 | 11241 А73В 00-000 | Штуцер масляного фильтра | |
| 4 | 09246А06002-000 | Пробка масляной магистрали 1/4 | |
| 5 | 11261 А73В 00-000 | Болт | |
| 6 | 02142-06103-000 | Винт | |
| 7 | 11223-73000-000 | Прокладка пластины блока | |
| 10 | 16510-73013-000 | Масляный фильтр в сборе | |
| 11 | 11311А60011-000 | Пластина корпуса сцепления | |
| 12 | 11321-70В 00-000 | Нижняя пластина | |
| 13 | 01 354-06103-000 | Болт пластины корпуса сцепления | |
| 14 | 37630А62010-000 | Датчик давления масла в сборе |
Содержащиеся в справочниках-каталогах запасные части и детали не предлагаются к продаже, а носят исключительно информационный характер