Вернуться на главную
Поиск
Каталоги запчастей к технике
Легковые автомобили
Daewoo
Tico
Аккумуляторная батарея
Каталог запасных частей к технике: Daewoo Tico. Аккумуляторная батарея
zoom-in
zoom-out
enlarge
shrink
circle-right
circle-left
file-text2
info
cart
Тип техники
Не выбрано
Легковые автомобили
Грузовые автомобили и прицепы
Автобусы
Сельхозтехника
Спецтехника
Двигатели
Мототехника
Марка
Не выбрано
BYD
Chevrolet
Daewoo
Geely
Great Wall
Hyundai
Lifan
Tata
АЗЛК
ВАЗ
ГАЗ
ЗАЗ
ЗИЛ
ИЖ
ЛуАЗ
РАФ
УАЗ
Модель
Не выбрано
Damas
Espero
Lanos (2007)
Matiz
Matiz II (2007)
Nexia
Tico
Схема
>
Не выбрано
Боковина и крыша
Отделка салона
Крышки и клипсы
Пол
Настил пола салона
Стекла
Стеклоочиститель и стеклоомыватель
Передняя кузовная панель
Консоль
Инструментальная панель
Полка багажного отсека
Передняя дверь
Стеклоподъемник передней двери
Замок передней двери
Задняя дверь
Стеклоподъемник задней двери
Замок задней двери
Крышка багажного отсека
Замок багажного отсека
Переднее сиденье
Заднее сиденье
Воздуховодные каналы
Отопительная система
Регулятор воздушной тяги
Кондиционер
Испаритель
Компрессор
Солнцезащитный козырек и зеркала
Ремни безопасности
Молдинги
Эмблемы
Надписи
Комплект замков
Капот
Переднее крыло
Комплект прокладок двигателя
Головка цилиндров
Блок цилиндров
Масляный поддон
Подушки двигателя
Коленчатый вал
Распределительный вал с клапанами
Приводной ремень
Масляный насос
Впускной коллектор
Карбюратор
Воздушный фильтр
Система питания
Топливный бак
Выхлопная магистраль
Водяной насос
Радиатор
Водопроводная система
Сцепление механической трансмиссии
Механизм привода управления КПП (4МТ)
4-х скоростная механическая КПП
5-ти скоростная механическая КПП
Механизм привода управления КПП (5МТ)
Кожух трансмиссии
Механизм привода переключения скоростей
Полуоси
Дифференциал
Передний бампер
Задний бампер
Передний телескопический амортизатор
Стабилизатор
Задняя ось
Задняя подвеска
Колесо
Ступица переднего колеса
Рулевое колесо
Рулевая колонка
Рулевой механизм
Педали
Стояночный тормоз
Главный тормозной цилиндр
Тормозные патрубки
Передний тормозной суппорт
Задний тормозной суппорт
Стартер
Генератор
Распределитель зажигания
Аккумуляторная батарея
Фары и освещение салона
Задние фонари
Электрическая проводка
Электропроводка кондиционера
Спидометр
Электрические приборы автомобиля
Радиооборудование
Инструменты
Масла и специальные жидкости
Автомобиль в сборе
1
2
3
4
5
6
Позиция на иллюстрации
Заводской номер детали
Название детали
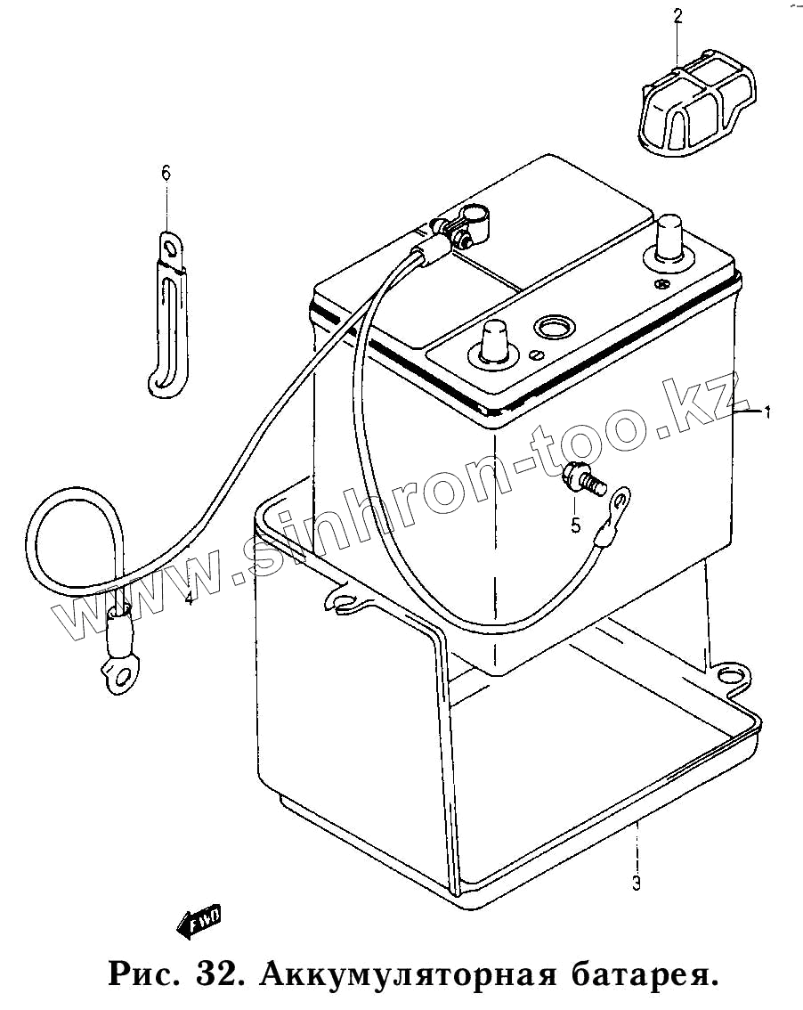
1
33610А78В40-000
Аккумуляторная батарея в сборе
2
33613А81410-000
Изоляция клеммы аккумулятора
3
33660-70В10-000
Поднос аккумулятора
4
33850А78В10-000
Кабель массы аккумулятора
5
09115А06001-000
Болт
6
09407-14405-000
Зажим кабеля
Содержащиеся в справочниках-каталогах запасные части и детали не предлагаются к продаже, а носят исключительно информационный характер
Дополнительная информация
×
Название:
Номер:
Примечание: