Вернуться на главную
Поиск
Каталоги запчастей к технике
Легковые автомобили
Daewoo
Nexia
Блок двигателя
Каталог запасных частей к технике: Daewoo Nexia. Блок двигателя
zoom-in
zoom-out
enlarge
shrink
circle-right
circle-left
file-text2
info
cart
Тип техники
Не выбрано
Легковые автомобили
Грузовые автомобили и прицепы
Автобусы
Сельхозтехника
Спецтехника
Двигатели
Мототехника
Марка
Не выбрано
BYD
Chevrolet
Daewoo
Geely
Great Wall
Hyundai
Lifan
Tata
АЗЛК
ВАЗ
ГАЗ
ЗАЗ
ЗИЛ
ИЖ
ЛуАЗ
РАФ
УАЗ
Модель
Не выбрано
Damas
Espero
Lanos (2007)
Matiz
Matiz II (2007)
Nexia
Tico
Схема
>
Не выбрано
Настил салона
Стекла
Стеклоочиститель
Стеклоомыватель
Панель щитка и колпак
Инструментальная панель
Панель управления
Центральная инструментальная панель
Консоль
Боковина
Отделка стойки
Крышка бензоналивной горловины
Багажник
Замок багажника
Настил багажника
Крыша
Отделка крыши салона
Двери
Замок передней двери
Стеклоподъемник передней двери
Отделка передней двери I
Отделка передней двери II
Замок задней двери
Стеклоподъемник задней двери
Отделка задней двери I
Отделка задней двери II
Переднее сиденье
Рельсы сиденья
Заднее сиденье
Воздуховодные каналы
Испаритель
Вентилятор
Корпус вентилятора
Компрессор
Установка компрессора
Кондиционер
Система управления микроклиматом салона
Молдинг кузова
Замки автомобиля
Наружное зеркало
Эмблемы и надписи
Брызговик
Солнцезащитный козырек и зеркало заднего вида
Ремни безопасности переднего сидения
Ремни безопасности заднего сидения
Капот
Крыло
Решетка радиатора
Передняя панель
Двигатель в сборе
Блок цилиндров в сборе
Установка ремней автомобиля
Ремонтный набор прокладок
Блок двигателя
Подушки двигателя
Коленвал и поршни
Головка цилиндров
Суппорт распредвала и распредвал
Кожух зубчатого ремня
Масляный поддон и насос
Вентиляция масляного поддона
Впускной коллектор
Выпускной коллектор
Топливный бак
Топливопроводная линия
Система впрыска топлива
Управление дроссельной заслонкой
Воздухоподача
Вакуумная система
Выхлопная магистраль
Радиатор
Система охлаждения
Трубопроводная система радиатора
Термостат
Электронное управление
Диск и корзина сцепления
Гидравлика сцепления
Педаль сцепления
Механическая коробка переменных передач
Части привода управления коробкой переменных передач
Механизм коробки переменных передач
Реверс и обгонная шестерня
Подшипниковый корпус
Кожух коробки переменных передач
Механизм привода переключения скоростей
Привод равных угловых скоростей
Полуоси
Дифференциал
Рама
Передний бампер
Задний бампер
Подвеска
Задняя ось
Задний амортизатор
Передняя стойка
Шарнир и ступица
Рулевая тяга
Колеса и колпак колеса
Рулевое колесо
Кожух рулевой колонки
Рулевая колонка
Рулевой механизм в сборе
Механизм рулевого управления с гидроусилителем
Патрубки гидроусилителя
Передний тормозной суппорт
Задний тормозной суппорт
Педаль тормоза
Стояночный тормоз
Главный тормозной цилиндр в сборе
Тормозной усилитель
Главный тормозной цилиндр
Тормозные патрубки
Провода зажигания
Распределитель зажигания
Генератор
Крепление генератора
Стартер
Аккумуляторная батарея
Предохранители и реле
Передняя фара
Задний фонарь
Электрическая проводка
Панель приборов
Приборы электрические
Антенна
Инструмент
Масло, смазочный материал и краска
Автомобиль в сборе
1
2
2
3
4
5
6
7
8
9
10
11
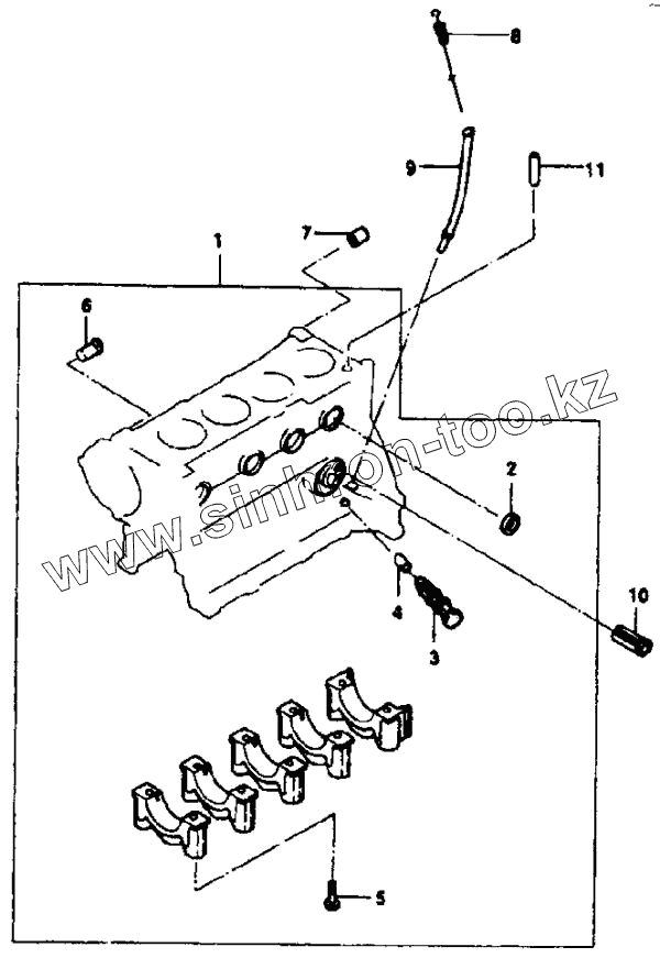
Позиция на иллюстрации
Заводской номер детали
Название детали
1
К90232239
Блок цилиндров в сборе
2
11070803
Заглушка
2
96180730
Заглушка
3
90091048
Пробка втулки
4
90091049
Втулка
5
90215694
Болт
6
90091526
Патрубок
7
90108591
Соединительная втулка
8
96101290
Масляный щуп
9
96180632
Направляющая трубка
10
90136113
Обходной клапан
11
90091779
Соединительная втулка
Содержащиеся в справочниках-каталогах запасные части и детали не предлагаются к продаже, а носят исключительно информационный характер
Дополнительная информация
×
Название:
Номер:
Примечание: