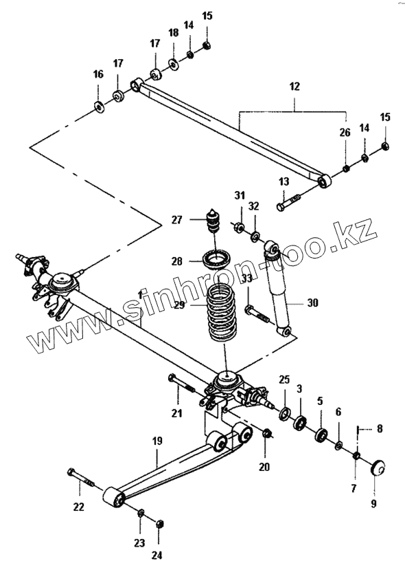
Каталог запасных частей к технике: Daewoo Matiz II. Задняя подвеска
1
1
3
5
6
7
8
9
12
13
14
14
15
15
16
17
17
18
19
20
21
22
23
24
25
26
27
28
29
30
31
32
33
| Позиция на иллюстрации | Заводской номер детали | Название детали | |
|---|---|---|---|
| 1 | 96503578 | ОСЬ ЗАДНЯЯ | |
| 1 | 96342031 | ОСЬ ЗАДНЯЯ | |
| 3 | 96316635 | ПОДШИПНИК ЗАДНЕЙ СТУПИЦЫ, ВНУТРЕННИЙ | |
| 5 | 96316634 | ПОДШИПНИК ЗАДНЕЙ СТУПИЦЫ, НАРУЖНИЙ | |
| 6 | 08322-21163 | Шайба | |
| 7 | 96380565 | ГАЙКА КОРОНЧАТАЯ | |
| 8 | 04111-40203-000 | Штифт | |
| 9 | 43241-79000-000 | Головка шпинделя | |
| 12 | 96316777 | ТЯГА ДИАГОНАЛЬНАЯ | |
| 13 | 09100A12033-000 | Болт | |
| 14 | 08321-31123-000 | Стопорная шайба | |
| 15 | 08310-11123-000 | Гайка | |
| 16 | 09160A17045-000 | Шайба | |
| 17 | 09305A16005-000 | Втулка | |
| 18 | 09160A12078-000 | Шайба | |
| 19 | 96346531 | РЫЧАГ ЗАДНЕЙ ПОДВЕСКИ | |
| 20 | 09159A12025-000 | Гайка | |
| 21 | 09100A12047-000 | Болт | |
| 22 | 09100A12035-000 | Болт | |
| 23 | 08321-31123-000 | Стопорная шайба | |
| 24 | 08310-11123-000 | Гайка | |
| 25 | 96316633 | САЛЬНИК ПОДШИПНИКА | |
| 26 | 09319A12040-000 | Втулка | |
| 27 | 96318363 | БУФЕР ХОДА СЖАТИЯ | |
| 28 | 41341-50A00-000 | Седло пружины верхнее | |
| 29 | 96517821 | ПРУЖИНА ЗАДНЕЙ ПОДВЕСКИ | |
| 30 | 96342033 | АМОРТИЗАТОР ЗАДНЕЙ ПОДВЕСКИ | |
| 31 | 08310-11123-000 | Гайка | |
| 32 | 08321-31123-000 | Стопорная шайба | |
| 33 | 09117A12004-000 | Болт с шайбой |
Содержащиеся в справочниках-каталогах запасные части и детали не предлагаются к продаже, а носят исключительно информационный характер