Каталог запасных частей к технике: Daewoo Matiz II. Коробка передач
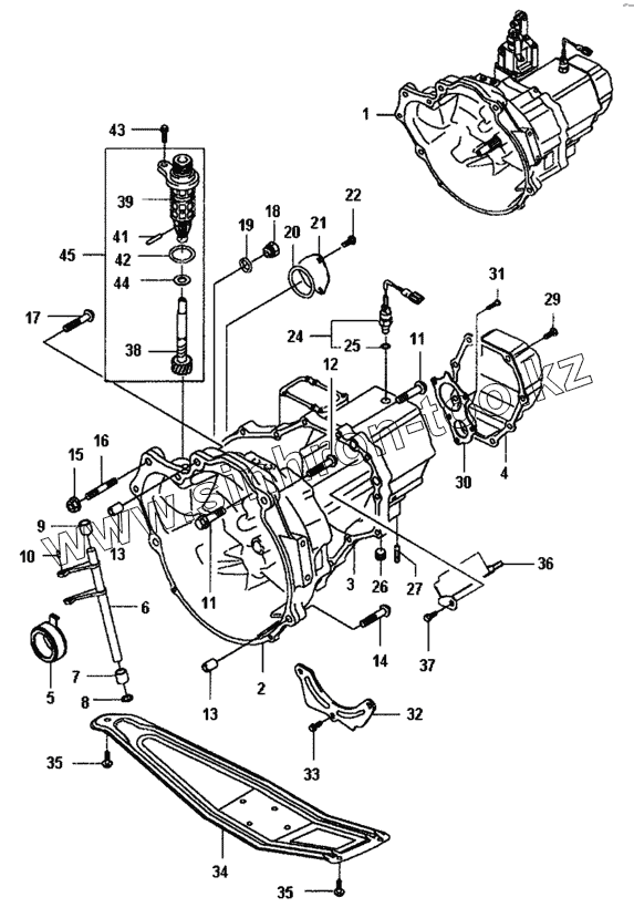
1
2
3
4
5
5
6
7
8
9
10
11
11
12
13
13
14
15
16
17
18
19
21
22
24
25
26
27
29
30
31
32
33
34
35
35
36
37
38
39
41
42
43
44
45
| Позиция на иллюстрации | Заводской номер детали | Название детали | |
|---|---|---|---|
| 1 | 96251489 | КОРОБКА ПЕРЕДАЧ, МЕХАНИЧЕСКАЯ | |
| 2 | 96238799 | КАРТЕР КПП | |
| 3 | 96569421 | КАРТЕР КПП | |
| 4 | 24730A78B50-000 | Крышка боковая КПП | |
| 5 | 23265-78B00-000 | Подшипник выжимной сцепления | |
| 5 | 96564141 | ПОДШИПНИК ВЫЖИМНОЙ СЦЕПЛЕНИЯ | |
| 6 | 23260A73B00-000 | Вал механизма сцепления | |
| 7 | 09300-14017 | ВТУЛКА | |
| 8 | 09284-14005 | САЛЬНИК | |
| 9 | 09300-14016 | ВТУЛКА | |
| 10 | 09205-03024 | ПАЛЕЦ | |
| 11 | 09103A08237-000 | Болт | |
| 12 | 01517-10503-000 | Болт | |
| 13 | 04211-13149-000 | Крепежная втулка | |
| 14 | 01517-10553-000 | Болт | |
| 15 | 08316-28103 | ГАЙКА | |
| 16 | 01421-10353 | ШПИЛЬКА | |
| 17 | 01517-10603-000 | Болт | |
| 18 | 09246-16009 | Пробка | |
| 19 | 24761-50A00-000 | Прокладка | |
| 21 | 24741A78141-000 | Крышка | |
| 22 | 09135A06022-000 | Болт | |
| 24 | 96314357 | ВКЛЮЧАТЕЛЬ ФОНАРЯ ЗАДНЕГО ХОДА | |
| 25 | 09280-16012-000 | Кольцо | |
| 26 | 09246A16010-000 | Пробка | |
| 27 | 09108-10016 | Шпилька | |
| 29 | 09135A06022-000 | Болт | |
| 30 | 24725A73B50-000 | Пластина опорная | |
| 31 | 09120-06002-000 | Винт пластинки | |
| 32 | 24815-73B00-000 | Кронштейн | |
| 33 | 01134-06123-000 | Болт | |
| 34 | 96340167 | ЩИТОК КПП | |
| 35 | 01517-08163 | Болт | |
| 36 | 24810-73B00-000 | Пластина масляной канавки | |
| 37 | 01134-06123-000 | Болт | |
| 38 | 26131-78B30 | Шестерня привода спидометра | |
| 39 | 29431-78B30 | Корпус привода спидометра | |
| 41 | 09205-03036-000 | Палец корпуса спидометра | |
| 42 | 09280-16012-000 | Кольцо | |
| 43 | 01514-06160-000 | Болт | |
| 44 | 26132-78B30-000 | Шайба | |
| 45 | 26130-78B30-000 | Привод спидометра в сборе |
Содержащиеся в справочниках-каталогах запасные части и детали не предлагаются к продаже, а носят исключительно информационный характер