Каталог запасных частей к технике: Daewoo Matiz. Подвеска двигателя
1
1
2
2
3
4
5
5
7
7
8
8
8
8
8
8
9
10
10
10
10
11
11
12
12
13
13
13
13
14
14
14
14
15
15
15
15
15
15
16
16
17
17
18
18
18
18
19
19
20
20
21
21
24
25
25
26
26
27
27
28
29
30
31
31
32
32
33
33
34
34
35
35
36
36
37
37
38
39
39
40
40
41
41
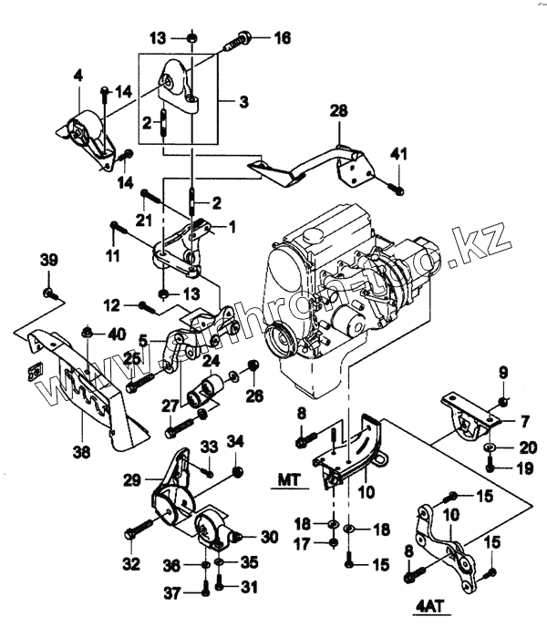
| Позиция на иллюстрации | Заводской номер детали | Название детали | |
|---|---|---|---|
| 1 | 96286731 | КРОНШТЕЙН ПОДВЕСКИ ДВИГАТЕЛЯ | |
| 1 | 96380727 | КРОНШТЕЙН ПОДВЕСКИ ДВИГАТЕЛЯ | |
| 2 | 96316094 | ШПИЛЬКА | |
| 3 | 96340021 | КРОНШТЕЙН ПОДВЕСКИ ДВИГАТЕЛЯ | |
| 4 | 96322963 | ПОДУШКА ПОДВЕСКИ ДВИГАТЕЛЯ | |
| 5 | 96380728 | КРОНШТЕЙН ПОДВЕСКИ ДВИГАТЕЛЯ | |
| 5 | 96286732 | КРОНШТЕЙН ПОДВЕСКИ ДВИГАТЕЛЯ | |
| 7 | 96341722 | ПОДУШКА ПОДВЕСКИ ТРАНСМИССИИ | |
| 7 | 96566113 | ПОДУШКА ПОДВЕСКИ ТРАНСМИССИИ | |
| 8 | 94501034 | БОЛТ | |
| 8 | 94501171 | БОЛТ | |
| 8 | 94501161 | БОЛТ | |
| 9 | 94515378 | ГАЙКА | |
| 10 | 96338152 | КРОНШТЕЙН ПОДВЕСКИ ТРАНСМИССИИ | |
| 10 | 96610289 | КРОНШТЕЙН ПОДВЕСКИ ТРАНСМИССИИ | |
| 11 | 09103-08035 | БОЛТ | |
| 11 | 94500958 | БОЛТ | |
| 12 | 94500960 | БОЛТ | |
| 12 | 09103-08037 | БОЛТ | |
| 13 | 08316-28103 | ГАЙКА | |
| 13 | 94515133 | ГАЙКА | |
| 14 | 02803-10253 | БОЛТ | |
| 14 | 94500698 | БОЛТ | |
| 15 | 94500664 | БОЛТ | |
| 15 | 94501017 | БОЛТ | |
| 16 | 02803-14503 | БОЛТ | |
| 16 | 94500719 | БОЛТ | |
| 17 | 08316-28103 | ГАЙКА | |
| 17 | 94515133 | ГАЙКА | |
| 18 | 08321-31103-000 | Шайба | |
| 18 | 94525021 | ШАЙБА | |
| 19 | 02803-10353 | БОЛТ | |
| 19 | 94500699 | БОЛТ | |
| 20 | 94525084 | ШАЙБА | |
| 20 | 09160-10009 | ШАЙБА | |
| 21 | 09103-08036 | БОЛТ | |
| 21 | 94500959 | БОЛТ | |
| 24 | 96565732 | КРОНШТЕЙН | |
| 25 | 09103-12043 | БОЛТ | |
| 25 | 94501120 | БОЛТ | |
| 26 | 08316-28123 | ГАЙКА | |
| 26 | 94515134 | ГАЙКА | |
| 27 | 02803-12853 | БОЛТ | |
| 27 | 94500717 | БОЛТ | |
| 28 | 96323343 | СЕРЬГА ПОДВЕСКИ ДВИГАТЕЛЯ | |
| 29 | 96565728 | КРОНШТЕЙН ПОДВЕСКИ ДВИГАТЕЛЯ | |
| 30 | 96565731 | ПОДУШКА ПЕРЕДНЯЯ ПОДВЕСКИ ДВИГАТЕЛЯ | |
| 31 | 09103-10072 | БОЛТ | |
| 31 | 94501047 | БОЛТ | |
| 32 | 02803-12803 | БОЛТ | |
| 32 | 94500716 | БОЛТ | |
| 33 | 09103-08035 | БОЛТ | |
| 33 | 94500958 | БОЛТ | |
| 34 | 08316-28123 | ГАЙКА | |
| 34 | 94515134 | ГАЙКА | |
| 35 | 09160-10009 | ШАЙБА | |
| 35 | 94525084 | ШАЙБА | |
| 36 | 09160-08093-000 | Шайба | |
| 36 | 94525072 | ШАЙБА | |
| 37 | 09103-08025 | БОЛТ | |
| 37 | 94500950 | БОЛТ | |
| 38 | 96333186 | ВОДООТРАЖАТЕЛЬ | |
| 39 | 03141-15165-000 | Винт | |
| 39 | 94520286 | БОЛТ С ШАЙБОЙ | |
| 40 | 08361-25060-000 | ГАЙКА С ШАЙБОЙ | |
| 40 | 94515146 | ГАЙКА С ШАЙБОЙ | |
| 41 | 09116-08006 | БОЛТ | |
| 41 | 94501421 | БОЛТ |
Содержащиеся в справочниках-каталогах запасные части и детали не предлагаются к продаже, а носят исключительно информационный характер