Каталог запасных частей к технике: Daewoo Matiz. Крышка головки цилиндров и распредвал
1
1
2
2
3
3
4
4
5
6
7
7
7
7
8
8
8
8
9
9
9
9
10
10
11
11
11
11
11
11
12
13
13
14
14
15
15
16
17
17
18
18
19
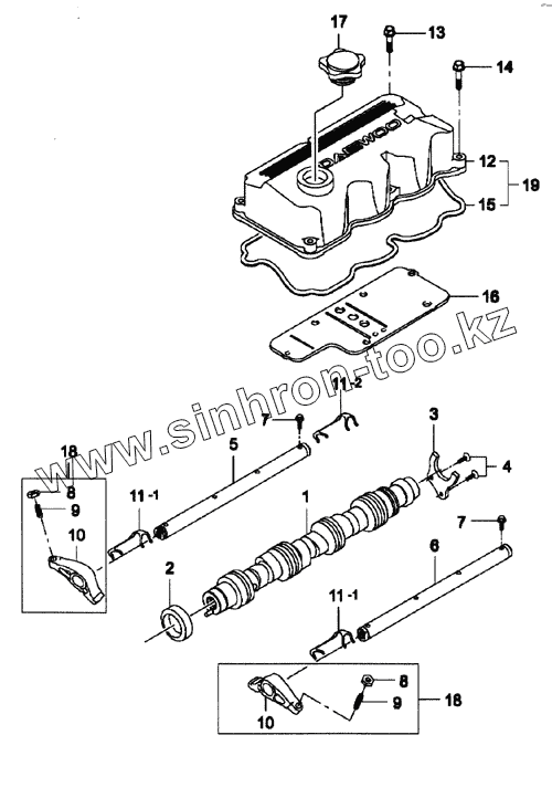
| Позиция на иллюстрации | Заводской номер детали | Название детали | |
|---|---|---|---|
| 1 | 96571295 | ВАЛ РАСПРЕДЕЛИТЕЛЬНЫЙ | |
| 1 | 96316214 | ВАЛ РАСПРЕДЕЛИТЕЛЬНЫЙ | |
| 2 | 09283-32026-000 | Передний сальник коленвала | |
| 2 | 94535472 | САЛЬНИК РАСПРЕДВАЛА | |
| 3 | 12749А78В00-00 | ПЛАСТИНА ОПОРНАЯ | |
| 3 | 94580138 | ПЛАСТИНА ОПОРНАЯ | |
| 4 | 02126-06125-000 | ВИНТ | |
| 4 | 94520091 | ВИНТ | |
| 5 | 96352715 | ОСЬ ВЫПУСКНЫХ КОРОМЫСЕЛ | |
| 6 | 96316351 | ОСЬ ВПУСКНЫХ КОРОМЫСЕЛ | |
| 7 | 01957-06123-000 | Болт | |
| 7 | 94500400 | БОЛТ | |
| 8 | 09159А07002-000 | Регулировочная гайка клапана | |
| 8 | 94515441 | ГАЙКА | |
| 9 | 94580142 | ШПИЛЬКА РЕГУЛИРОВОЧНАЯ | |
| 9 | 12848А73000-000 | Регулировочный винт клапана | |
| 10 | 96316348 | КОРОМЫСЛО КЛАПАНА | |
| 11 | 96316353 | ФИКСАТОР КОРОМЫСЛА № 1 | |
| 11 | 96316355 | ФИКСАТОР КОРОМЫСЛА № 1 | |
| 12 | 96352725 | КРЫШКА ГОЛОВКИ БЛОКА ЦИЛИНДРОВ | |
| 13 | 07120-06255-000 | Болт крышки №1 | |
| 13 | 94500739 | БОЛТ | |
| 14 | 07120-06355-000 | Болт крышки № 2 | |
| 14 | 94500741 | БОЛТ | |
| 15 | 11189А78В00-00 | ПРОКЛАДКА КРЫШКИ ГОЛОВКИ БЛОКА | |
| 15 | 94580083 | ПРОКЛАДКА КРЫШКИ ГОЛОВКИ БЛОКА | |
| 16 | 96517736 | ПЛАСТИНА КАРТЕРНЫХ ГАЗОВ | |
| 17 | 16920А86501-000 | Крышка масляного фильтра | |
| 17 | 94580172 | КРЫШКА МАСЛОЗАЛИВНОЙ ГОРЛОВИНЫ | |
| 18 | 96323003 | КОМПЛЕКТ КЛАПАННОГО КОРОМЫСЛА | |
| 19 | 96323070 | КОМПЛЕК КРЫШКИ ГОЛОВКИ БЛОКА ЦИЛИНДРОВ |
Содержащиеся в справочниках-каталогах запасные части и детали не предлагаются к продаже, а носят исключительно информационный характер