Каталог запасных частей к технике: Daewoo Matiz. Части привода управления КПП
1
2
2
3
3
4
4
5
5
6
6
7
7
8
8
9
9
10
10
10
10
11
11
12
12
12
12
13
13
14
14
15
15
16
16
17
17
18
18
19
19
20
20
21
21
23
24
24
25
25
26
26
28
28
29
29
30
30
31
31
32
32
33
34
34
34
34
35
35
36
36
37
37
38
40
40
41
41
42
42
43
43
45
45
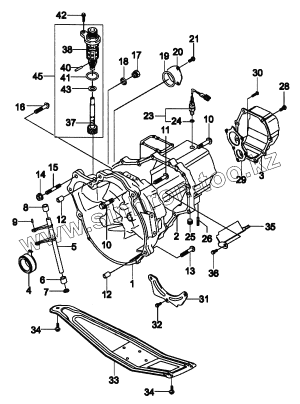
| Позиция на иллюстрации | Заводской номер детали | Название детали | |
|---|---|---|---|
| 1 | 96238799 | КАРТЕР КПП | |
| 2 | 96238209 | КАРТЕР КПП | |
| 2 | 96569421 | КАРТЕР КПП | |
| 3 | 24730А78В50-00 | КРЫШКА БОКОВАЯ КПП | |
| 3 | 94580271 | КРЫШКА БОКОВАЯ КПП | |
| 4 | 23265-78В00-000 | Выжимной подшипник | |
| 4 | 96564141 | ПОДШИПНИК ВЫЖИМНОЙ СЦЕПЛЕНИЯ | |
| 5 | 23260А73В00-00 | ВАЛ МЕХАНИЗМА СЦЕПЛЕНИЯ | |
| 5 | 94580193 | ВАЛ МЕХАНИЗМА СЦЕПЛЕНИЯ | |
| 6 | 09300-14017 | ВТУЛКА | |
| 6 | 94535280 | ВТУЛКА | |
| 7 | 09284-14005 | САЛЬНИК | |
| 7 | 94535480 | САЛЬНИК | |
| 8 | 09300-14016 | ВТУЛКА | |
| 8 | 94535279 | ВТУЛКА | |
| 9 | 09205-03024 | ПАЛЕЦ | |
| 9 | 94535784 | ПАЛЕЦ | |
| 10 | 09103А08237-000 | Болт кожуха | |
| 10 | 94501221 | БОЛТ | |
| 11 | 01957-10503-000 | Болт | |
| 11 | 94500461 | БОЛТ | |
| 12 | 04211-13149-000 | Крепежная втулка | |
| 12 | 94535939 | ПАЛЕЦ УСТАНОВОЧНЫЙ | |
| 13 | 01957-10553-000 | Болт № 1 | |
| 13 | 94500462 | БОЛТ | |
| 14 | 08316-28103 | ГАЙКА | |
| 14 | 94515133 | ГАЙКА | |
| 15 | 01421-10353 | ШПИЛЬКА | |
| 15 | 94500278 | ШПИЛЬКА | |
| 16 | 01957-10603-000 | Болт | |
| 16 | 94500463 | БОЛТ | |
| 17 | 09247-18004 | ПРОБКА | |
| 17 | 94535681 | ПРОБКА | |
| 18 | 01960-18018-000 | ШАЙБА | |
| 18 | 94525083 | ШАЙБА | |
| 19 | 24761-50А00-000 | Кольцо нижней крышки колпака | |
| 19 | 94580276 | ПРОКЛАДКА | |
| 20 | 24741А78141-000 | КРЫШКА | |
| 20 | 94580275 | КРЫШКА | |
| 21 | 09135А06022-000 | Болт | |
| 21 | 94520523 | БОЛТ | |
| 23 | 96314357 | ВКЛЮЧАТЕЛЬ ФОНАРЯ ЗАДНЕГО ХОДА | |
| 24 | 94535507 | САЛЬНИК | |
| 24 | 09280-16012-000 | Кольцо | |
| 25 | 09246А16010-000 | Дренажная пробка | |
| 25 | 94535693 | ПРОБКА | |
| 26 | 09108-10006 | ШПИЛЬКА | |
| 26 | 94501299 | ШПИЛЬКА | |
| 28 | 09135А06022-000 | Болт | |
| 28 | 94520523 | БОЛТ | |
| 29 | 94580270 | ПЛАСТИНА ОПОРНАЯ | |
| 29 | 24725А73В50-00 | ПЛАСТИНА ОПОРНАЯ | |
| 30 | 09120-06002-000 | Винт пластинки | |
| 30 | 94520431 | ВИНТ | |
| 31 | 24815-73В00-000 | Болт | |
| 31 | 94580281 | КРОНШТЕЙН | |
| 32 | 01934-06123-000 | БОЛТ | |
| 32 | 94500145 | БОЛТ | |
| 33 | 96340167 | ЩИТОК КПП | |
| 34 | 01510-08163 | БОЛТ | |
| 34 | 94500433 | БОЛТ | |
| 35 | 24810-73В00-000 | Пластинка масляной канавки | |
| 35 | 94580277 | ПЛАСТИНА МАСЛЯНОЙ КАНАВКИ | |
| 36 | 01934-06123-000 | БОЛТ | |
| 36 | 94500145 | БОЛТ | |
| 37 | 26131-78В30 | ШЕСТЕРНЯ ПРИВОДА СПИДОМЕТРА | |
| 37 | 94580308 | ШЕСТЕРНЯ ПРИВОДА СПИДОМЕТРА | |
| 38 | 96246828 | КОРПУС ПРИВОДА СПИДОМЕТРА | |
| 40 | 94535787 | ПАЛЕЦ | |
| 40 | 09205-03036-000 | Палец корпуса спидометра | |
| 41 | 09280-16012-000 | Кольцо | |
| 41 | 94535507 | САЛЬНИК | |
| 42 | 01954-06160-000 | БОЛТ | |
| 42 | 94500369 | БОЛТ | |
| 43 | 26132-78В30-000 | ШАЙБА | |
| 43 | 94580309 | ШАЙБА | |
| 45 | 26130-78В30-000 | ПРИВОД СПИДОМЕТРА В СБОРЕ | |
| 45 | 94580307 | ПРИВОД СПИДОМЕТРА В СБОРЕ |
Содержащиеся в справочниках-каталогах запасные части и детали не предлагаются к продаже, а носят исключительно информационный характер