Каталог запасных частей к технике: Daewoo Lanos. Внутренние детали коробки передач
1
2
3
4
5
5
6
7
7
8
8
9
9
10
11
11
12
13
13
14
14
15
16
17
18
18
18
18
19
20
20
20
21
21
21
22
23
23
24
25
26
27
28
29
29
30
31
32
33
34
34
34
36
38
39
39
44
45
45
47
47
48
49
51
52
53
53
54
54
55
56
58
59
59
59
59
59
59
59
59
59
61
61
61
61
62
62
63
64
64
66
67
68
70
71
71
71
72
73
75
76
77
78
78
79
80
80
81
82
82
83
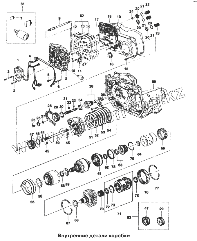
| Позиция на иллюстрации | Заводской номер детали | Название детали | |
|---|---|---|---|
| 1 | 24208987 | Масляной насос | |
| 2 | 24200209 | Болт | |
| 3 | 24200208 | Болт | |
| 4 | 15302843 | Электропроводка К/П | |
| 5 | 24200093 | Болт | |
| 6 | 24200206 | Болт | |
| 7 | 08683769 | Масляной фильтр в сборе | |
| 8 | 24209128 | Клапанный узел | |
| 8 | 24224400 | Клапанный узел | |
| 9 | 24218296 | Вал привода масляного насоса | |
| 9 | 08684255 | Вал привода масляного насоса | |
| 10 | 24200214 | Болт | |
| 11 | 24211822 | Опора прокладочной пластины | |
| 11 | 08685213 | Опора прокладочной пластины | |
| 12 | 24207387 | Уплотнение клапанной коробки | |
| 13 | 24205050 | Пластина прокладки корпуса клапанов | |
| 13 | 24229148 | Пластина прокладки корпуса клапанов | |
| 14 | 24207386 | Уплотнение клапанной коробки | |
| 14 | 24212642 | Уплотнение клапанной коробки | |
| 15 | 24200207 | Болт | |
| 16 | 08684379 | Шайба | |
| 17 | 00147485 | Шарик | |
| 18 | 24210070 | Панель каналов | |
| 18 | 24223045 | Панель каналов | |
| 18 | 24223045 | Панель каналов | |
| 18 | 24213193 | Панель каналов | |
| 19 | 24201096 | Прокладка панели | |
| 20 | 24210506 | Поршень | |
| 21 | 24206623 | Уплотнение поршня в сборе | |
| 22 | 08685241 | Пружина | |
| 23 | 08685240 | Пружина | |
| 24 | 24203557 | Пружина | |
| 25 | 08643058 | Уплотнение | |
| 26 | 08652868 | Шайба | |
| 27 | 08631210 | Стопорное кольцо | |
| 28 | 24200738 | Хомут | |
| 29 | 24204709 | Ведущая звездочка | |
| 30 | 08652841 | Шайба | |
| 31 | 08652382 | Турбинный вал | |
| 32 | 08637170 | Уплотнение вала | |
| 33 | 08877453 | Уплотнение вала | |
| 34 | 24214158 | Подшипник | |
| 34 | 24205179 | Подшипник | |
| 34 | 24211799 | Подшипник | |
| 36 | 08685660 | Опора ведомой звездочки в сборе | |
| 38 | 08685132 | Штифт распределительного вала | |
| 39 | 10456545 | Датчик скорости входного вала | |
| 39 | 24218077 | Датчик скорости входного вала | |
| 44 | 08684482 | Втулка выходного вала | |
| 45 | 07829495 | Кольцо выходного вала | |
| 47 | 24204714 | Ведомое зубчатое кольцо | |
| 48 | 08637227 | Шайба | |
| 49 | 24200733 | Выходной вал | |
| 51 | 24200298 | Диск муфты | |
| 52 | 24200790 | Диск муфты | |
| 53 | 24209723 | Диск муфты | |
| 53 | 08684322 | Диск муфты | |
| 54 | 24209271 | Диск муфты | |
| 54 | 08684324 | Диск муфты | |
| 55 | 08684403 | Лента 4-й передачи | |
| 56 | 08684259 | Шайба | |
| 58 | 24200249 | Упорный подшипник | |
| 59 | 08684470 | Шайба | |
| 59 | 08684471 | Шайба | |
| 59 | 08684472 | Шайба | |
| 59 | 08684473 | Шайба | |
| 59 | 08684474 | Шайба | |
| 59 | 08684475 | Шайба | |
| 59 | 08684476 | Шайба | |
| 59 | 08684477 | Шайба | |
| 59 | 08684469 | Шайба | |
| 61 | 24207008 | Водило в сборе | |
| 61 | 24208590 | Водило в сборе | |
| 61 | 24208591 | Водило в сборе | |
| 61 | 24221744 | Водило в сборе | |
| 62 | 24214159 | Упорный подшипник | |
| 62 | 08644206 | Упорный подшипник | |
| 63 | 24202221 | Подводящий барабан | |
| 64 | 24215666 | Шайба | |
| 64 | 08685039 | Шайба | |
| 66 | 08651614 | Лента муфты прямой передачи | |
| 67 | 24201607 | Опорное кольцо муфты прямой передачи | |
| 68 | 24200250 | Упорный подшипник | |
| 70 | 08684311 | Планетарная шестерня | |
| 71 | 24203709 | Главная передача и дифференциал | |
| 71 | 24215958 | Главная передача и дифференциал | |
| 71 | 24209989 | Главная передача и дифференциал | |
| 72 | 08646254 | Упорный подшипник | |
| 73 | 11501326 | Шестерня главной передачи | |
| 75 | 08631362 | Стопорное кольцо | |
| 76 | 24201608 | Шестерня главной передачи | |
| 77 | 24201612 | Стопорное кольцо | |
| 78 | 24215273 | Шестерня | |
| 78 | 08684574 | Шестерня | |
| 79 | 24203619 | Кольцо | |
| 80 | 24210088 | Картер К/П | |
| 80 | 24208101 | Картер К/П | |
| 81 | 24216254 | Клапан | |
| 82 | 24224336 | Прокладка | |
| 82 | 24224337 | Прокладка | |
| 83 | 24228912 | Звездочка |
Содержащиеся в справочниках-каталогах запасные части и детали не предлагаются к продаже, а носят исключительно информационный характер