Каталог запасных частей к технике: Daewoo Espero. Стартер
1
1
1
2
2
3
4
5
6
7
8
9
10
11
12
13
14
15
16
16
17
18
18
19
19
20
21
21
22
23
24
25
26
27
28
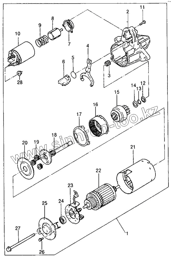
| Позиция на иллюстрации | Заводской номер детали | Название детали | |
|---|---|---|---|
| 1 | 9000801 | Стартер | |
| 1 | 9000794 | Стартер | |
| 1 | 9000817 | Стартер | |
| 2 | 10475966 | Корпус стартера | |
| 2 | 10476430 | Корпус стартера | |
| 3 | 9440923 | Игольчатый подшипник | |
| 4 | 10476003 | Рычаг | |
| 5 | 10475061 | Пластина | |
| 6 | 10475995 | Пробка отверстия в опорном диске | |
| 7 | 10475079 | Колпак защитный | |
| 8 | 10475076 | Плунжер | |
| 9 | 10475059 | Возвратная пружина | |
| 10 | 10475982 | Соленоид | |
| 11 | 10475056 | Винт | |
| 12 | 10477310 | Втулка | |
| 13 | 1927848 | Шайба | |
| 14 | 1927849 | Шестерня ограничителя | |
| 15 | 10475974 | Привод в сборе | |
| 16 | 10475976 | Шестерня | |
| 16 | 110676 | Шестерня | |
| 17 | 10476005 | Подушка | |
| 18 | 110555 | Вал | |
| 18 | 10475970 | Вал в сборе | |
| 19 | 10475979 | Зубчатое колесо | |
| 19 | 110675 | Зубчатое колесо | |
| 20 | 10476004 | Задняя крышка статора | |
| 21 | 10475996 | Статор | |
| 21 | 10476433 | Статор | |
| 22 | 10475990 | Якорь | |
| 23 | 10476006 | Щеткодержатель | |
| 24 | 9440924 | Шариковый подшипник | |
| 25 | 10468555 | Корпус коммутатора | |
| 26 | 10497256 | Стяжной болт | |
| 27 | 10476002 | Болт | |
| 28 | 10498156 | Гайка |
Содержащиеся в справочниках-каталогах запасные части и детали не предлагаются к продаже, а носят исключительно информационный характер