Каталог запасных частей к технике: Daewoo Espero. Рулевая колонка (наклоняемая)
1
1
2
3
4
5
6
7
8
9
10
10
11
12
13
14
15
16
17
18
19
20
21
22
23
24
25
26
27
28
29
30
31
31
32
33
34
35
36
37
38
39
39
41
42
43
44
45
46
47
48
48
48
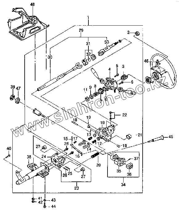
| Позиция на иллюстрации | Заводской номер детали | Название детали | |
|---|---|---|---|
| 1 | SК-49965 | Наклоняемая рулевая колнка в сборе | |
| 1 | 96208281 | Наклоняемая рулевая колнка в сборе | |
| 2 | 530545 | Гайка штока амортизатора | |
| 3 | 530561 | Пружина возвратная | |
| 4 | 530362 | Корпус переключателя сигнала в сборе | |
| 5 | 530590 | Винт | |
| 6 | 530503 | Стопорное кольцо | |
| 7 | 530553 | Обойма пружины | |
| 8 | 530552 | Пружина верхнего подшипника | |
| 9 | 530524 | Седло внутреней обоймы подшипника | |
| 10 | 530283 | Корпус рулевой колонки | |
| 10 | 530307 | Корпус рулевой колонки | |
| 11 | 5693941 | Обойма внутреняя | |
| 12 | /S(10) | Втулка пружины | |
| 13 | /S(10) | Втулка пружины | |
| 14 | /S(10) | Втулка пружины | |
| 15 | /S(10) | Втулка пружины | |
| 16 | /S(10) | Втулка пружины | |
| 17 | /S(10) | Втулка пружины | |
| 18 | /S(10) | Втулка пружины | |
| 19 | 530515 | Палец шкворня | |
| 20 | 530616 | Пружина | |
| 21 | 530509 | Обойма пружины | |
| 22 | 530549 | Срезной болт | |
| 23 | 530412 | Суппорт рулевой колонки | |
| 24 | /S(23) | Суппорт корпуса рулевой колонки | |
| 25 | /S(23) | Суппорт корпуса рулевой колонки | |
| 26 | /S(23) | Суппорт корпуса рулевой колонки | |
| 27 | /S(23) | Суппорт корпуса рулевой колонки | |
| 28 | 530600 | Винт | |
| 29 | 530408 | Вал рулевой колонки в сборе | |
| 30 | /S(29) | Вал | |
| 31 | 26011847 | Запасной комплект | |
| 31 | 530625 | Запасной комплект | |
| 32 | /S(31) | Пружина | |
| 33 | /S(29) | Вал | |
| 34 | 530379 | Гнездо включателя зажигания в сборе | |
| 35 | 530378 | Гнездо включателя зажигания | |
| 36 | 530395 | Включатель зажигания | |
| 37 | 530565 | Винт замка зажигания | |
| 38 | 530402 | Крепление рулевой колонки | |
| 39 | 96192220 | Крышка цилиндра замка | |
| 39 | 90181148 | Крышка цилиндра замка | |
| 41 | 2543782 | Шайба | |
| 42 | 11074601 | Гайка | |
| 43 | 11043011 | Пружинная шайба | |
| 44 | 90305954 | Срезной болт | |
| 45 | 96107094-А | Рычаг рулевой колонки | |
| 46 | 3451666 | Стопорная пластинка | |
| 47 | 96192337 | Крышка | |
| 48 | 90304926 | Кронштейн рулевой колонки | |
| 48 | 96156004 | Кронштейн рулевой колонки | |
| 48 | 96210887 | Кронштейн рулевой колонки |
Содержащиеся в справочниках-каталогах запасные части и детали не предлагаются к продаже, а носят исключительно информационный характер