Каталог запасных частей к технике: Daewoo Espero. Картер и боковая крышка раздаточной коробки
1
1
2
3
4
5
6
7
8
9
11
12
13
13
14
15
16
17
18
19
19
20
21
22
23
24
25
26
27
28
29
29
30
31
31
32
33
34
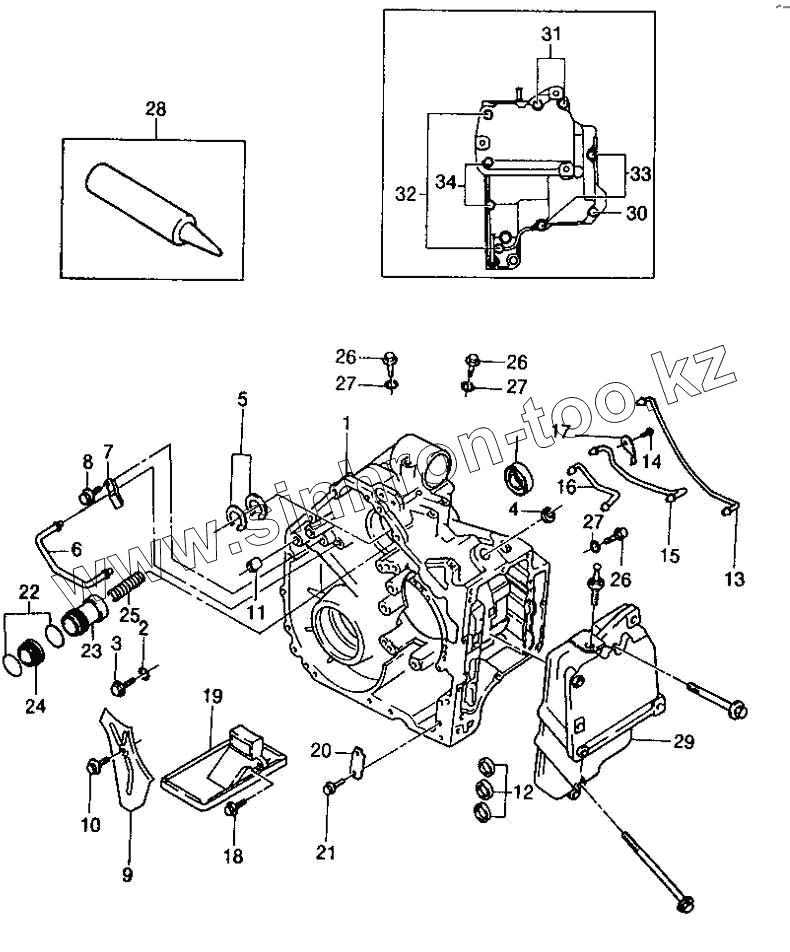
| Позиция на иллюстрации | Заводской номер детали | Название детали | |
|---|---|---|---|
| 1 | 3510450А011 | Картер раздаточной коробки | |
| 1 | 5040565001S | Картер раздаточной коробки | |
| 2 | 0371141003Е | Кольцо | |
| 3 | 5040052001D | Пробка отверстия в опорном диске | |
| 4 | 2030044001J | Уплотнение | |
| 5 | 5040016001Х | Уплотнительное кольцо | |
| 6 | D5040034007F | Трубка | |
| 7 | D5040056011G | Зажим трубки | |
| 8 | D9161140614 | Болт и шайба | |
| 9 | 5040014019К | Планка масляного резервуара | |
| 11 | 1Q40045004N | Прокладка | |
| 12 | 2030045004F | Прокладка | |
| 13 | 5040034002Х | Трубка с3 | |
| 13 | 5040034005М | Трубка с3 | |
| 14 | L040183202Р | Винт и шайба | |
| 15 | 5040034003U | Трубка смазки | |
| 16 | D5040034006J | Трубка | |
| 17 | 5040056009D | Зажим трубки | |
| 18 | 0355683014С | Болт и шайба | |
| 19 | 3530350А010 | Масляный фильтр | |
| 19 | 5040738001N | Масляный фильтр | |
| 20 | 5040014003С | Планка картера раздаточной коробки | |
| 21 | 9161140614 | Болт и шайба | |
| 22 | 0355141001S | Кольцо | |
| 23 | L040124001V | Поршень тормозного накопителя | |
| 24 | 5040039002Е | Крышка тормозного накопителя b4 | |
| 25 | 5040156001Z | Компрессионная пружина | |
| 26 | 0355052005L | Пробка отверстия в опорном диске | |
| 27 | 0355141009R | Кольцо | |
| 28 | 3040045003U | Уплотнение масляного поддона, жидкое | |
| 29 | 05040039003В | Крышка картера | |
| 29 | 5040539006Р | Крышка картера | |
| 30 | 0355183052V | Болт | |
| 31 | 0355183005D | Болт (с уплотнением) | |
| 31 | 05040183005D | Болт (с уплотнением) | |
| 32 | 5040183006А | Болт | |
| 33 | 5040183013М | Болт | |
| 34 | 5040183023Р | Болт (с уплотнением) |
Содержащиеся в справочниках-каталогах запасные части и детали не предлагаются к продаже, а носят исключительно информационный характер