Каталог запасных частей к технике: Daewoo Espero. Части привода управления коробки передач
1
2
3
4
5
6
8
9
9
10
11
11
12
13
14
15
16
17
18
19
20
20
22
23
24
25
26
27
27
28
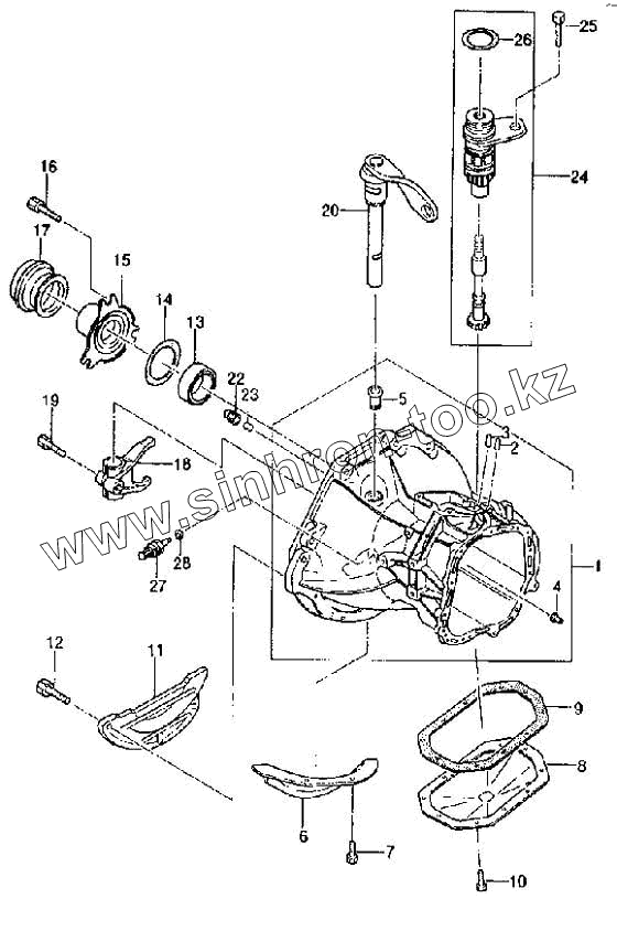
| Позиция на иллюстрации | Заводской номер детали | Название детали | |
|---|---|---|---|
| 1 | К90375355W | Корпус коробки передач в сборе | |
| 2 | 90147339 | Установочный палец | |
| 3 | 90065583 | Направляющий палец | |
| 4 | 90121130 | Муфта маслопротока главного вала | |
| 5 | 90305912 | Втулка вала сцепления | |
| 6 | 96176721 | Крышка гнезда сцепления | |
| 8 | 90305635 | Крышка механизма дифференциала | |
| 9 | 96179240 | Прокладка крышки дифференциала | |
| 9 | 96179241 | Прокладка крышки дифференциала | |
| 10 | 11090652 | Болт | |
| 11 | 90305258 | Крышка корпуса коробки передач | |
| 11 | 96079170 | Винт | |
| 12 | 90344804 | Винт | |
| 13 | 90182168 | Уплотнительное кольцо вала | |
| 14 | 90112258 | Стопорное кольцо | |
| 15 | 90112325 | Муфта выжимного подшипника | |
| 16 | 11010785 | Болт | |
| 17 | 96181631 | Упорный подшипник сцепления | |
| 18 | 90372766 | Вилка выключения сцепления | |
| 19 | 90065404 | Болт вилки | |
| 20 | 96129936 | Рычаг механизма | |
| 20 | 96144874 | Рычаг механизма | |
| 22 | 11030003 | Пробка | |
| 23 | 3449250 | Магнит | |
| 24 | 90375764 | Шестерня спидометра в сборе | |
| 25 | 11089151 | Винт | |
| 26 | 2887067 | Стопорное кольцо | |
| 27 | 90245033 | Включатель лампы заднего хода | |
| 27 | 96192077 | Включатель лампы заднего хода | |
| 28 | 11015212 | Уплотнитель включателя заднего хода |
Содержащиеся в справочниках-каталогах запасные части и детали не предлагаются к продаже, а носят исключительно информационный характер