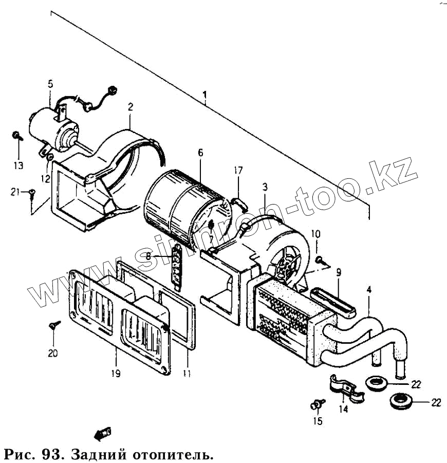
Каталог запасных частей к технике: Daewoo Damas. Задний отопитель
1
2
3
4
5
6
7
8
9
10
11
11
13
14
15
17
19
20
21
22
| Позиция на иллюстрации | Заводской номер детали | Название детали | |
|---|---|---|---|
| 1 | 74300А85502-000 | Задний обогреватель в сборе | |
| 2 | 74311-85501-000 | Кожух заднего обогревателя | |
| 3 | 74312-85501-000 | Кожух заднего обогревателя | |
| 4 | 74320А85500-000 | Нагревательный элемент | |
| 5 | 74330А85500-000 | Двигатель заднего обогревателя | |
| 6 | 74341-85501-000 | Вентилятор заднего обогревателя | |
| 7 | 08831-31066-000 | Стопорное кольцо | |
| 8 | 74313-85500-000 | Элемент коробки обогревателя | |
| 9 | 74361-85850-000 | Держатель | |
| 10 | 74366-85500-000 | Винт держателя | |
| 11 | 74363-85500-000 | Втулка мотора обогревателя | |
| 11 | 74365-85500-000 | Уплотнение мотора обогревателя | |
| 13 | 74367-85500-000 | Винт двигателя обогревателя | |
| 14 | 74362-85500-000 | Крепление трубок обогревателя | |
| 15 | 74363-78800-000 | Винт | |
| 17 | 73616-83000-000 | Зажим коробки | |
| 19 | 74350-85501-000 | Жалюзи заднего обогревателя | |
| 20 | 03141-04125-000 | Винт | |
| 21 | 03141-06123-000 | Винт ограждения панели отопления | |
| 22 | 09308-10005-000 | Уплотнитель трубки отопителя |
Содержащиеся в справочниках-каталогах запасные части и детали не предлагаются к продаже, а носят исключительно информационный характер