Каталог запасных частей к технике: Daewoo Damas. Воздушный фильтр
1
2
3
4
5
6
7
8
9
10
11
12
13
14
15
16
17
19
20
21
22
23
24
25
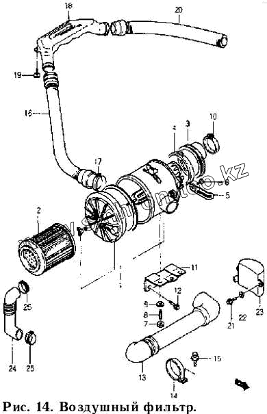
| Позиция на иллюстрации | Заводской номер детали | Название детали | |
|---|---|---|---|
| 1 | 137S1-80D 00-000 | Корпус воздушного фильтра | |
| 2 | 13780А80D00-000 | Воздушный фильтр в комплекте | |
| 3 | 13881-80D00-000 | Переходник | |
| 4 | 09402А00309-000 | Хомут | |
| 5 | 09404А06403-000 | Кронштейн корпуса | |
| 6 | 03141-05106-000 | Викг пепельницы | |
| 7 | 08310-11083-000 | Гайка | |
| 8 | 13711А80D00-000 | Шпилька | |
| 9 | 08321-31083-000 | Шайба | |
| 10 | 09402А57309-000 | Хомут воздухоочистителя | |
| 11 | 11643-80D00-000 | Кронштейн воздухоочистителя | |
| 12 | 01954-08203-000 | Болт | |
| 13 | 13870А80D00-000 | Трубопровод | |
| 14 | 09403-57401-000 | Хомут трубопровода | |
| 15 | 01954-06123-000 | Болт | |
| 16 | 13840А83D01-1 | Трубопровод | |
| 17 | 13821А78В00-000 | Зажим шланга | |
| 18 | 13847-85500-000 | Воздухозаборник теплого воздуха | |
| 19 | 03141-06123-000 | Винт ограждения панели отопления | |
| 20 | 13840А83D00-000 | Трубопровод | |
| 21 | 01954-06123-000 | Болт | |
| 22 | 09180А06142-000 | Распорка | |
| 23 | 13761-80D00-000 | резонатор | |
| 24 | 13762-80D00-000 | Соединитель резонатора | |
| 25 | 09401-26402-000 | Хомут соединителя резонатора |
Содержащиеся в справочниках-каталогах запасные части и детали не предлагаются к продаже, а носят исключительно информационный характер