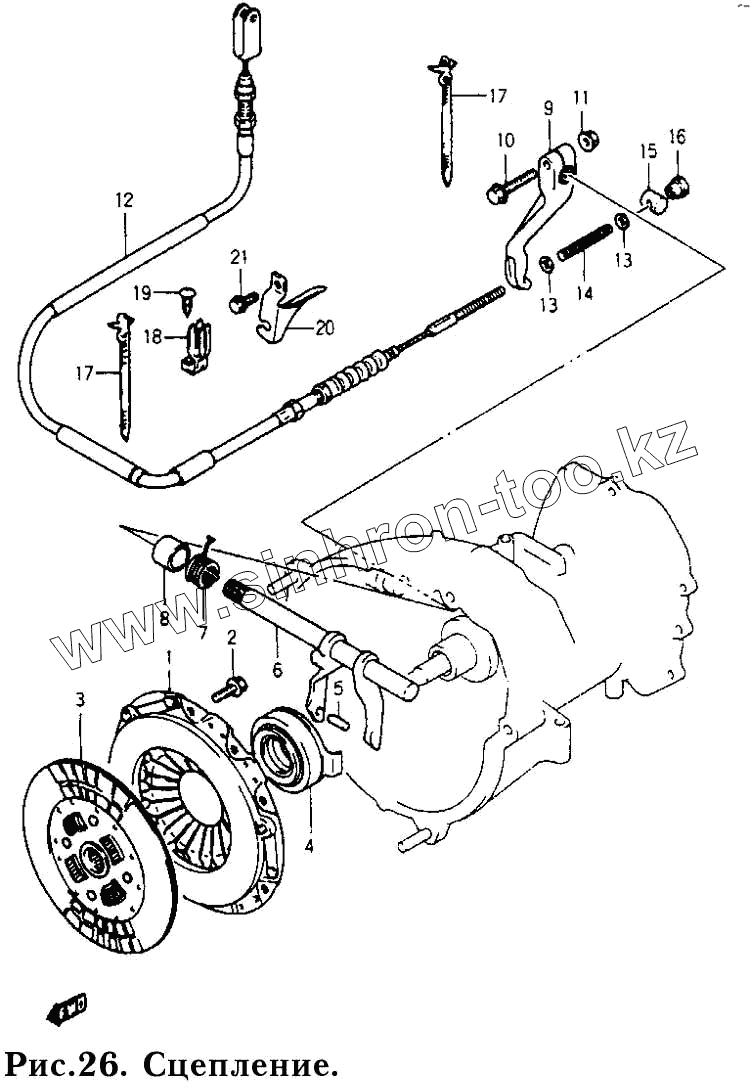
Каталог запасных частей к технике: Daewoo Damas. Сцепление
1
2
3
4
5
6
7
8
9
10
11
12
13
14
15
16
17
18
19
20
21
| Позиция на иллюстрации | Заводской номер детали | Название детали | |
|---|---|---|---|
| 1 | 22100А80000-000 | Корзина сцепления в сборе | |
| 2 | 22113А65С00-000 | Болт корзины сцепления | |
| 3 | 22400А80000-000 | Диск сцепления в комплекте | |
| 4 | 23265-80D00-000 | Выжимной подшипник сцепления | |
| 5 | 09205-03024-000 | Палец вилки | |
| 6 | 23260А60С03-000 | Вал переключения сцепления | |
| 7 | 23269-70D00-000 | Возвратная пружина | |
| 8 | 09300-14017-000 | Втулка №2 | |
| 9 | 23266-85002-000 | Разъединяющий рычаг сцепления | |
| 10 | 01953А08237-000 | Болт | |
| 11 | 08316-26083-000 | Гайка | |
| 12 | 23710А80D10-000 | Трос сцепления в сборе | |
| 13 | 08322-21066-000 | Шайба троса сцепления | |
| 14 | 09440-08026-000 | Пружина троса сцепления | |
| 15 | 09209А13018-000 | Соединительный палец | |
| 16 | 09150А06015-000 | Гайка | |
| 17 | 09407-11402-000 | Крепление троса сцепления №1 | |
| 18 | 23917-80D00-000 | Крепление троса сцепления №2 | |
| 19 | 03141-06128-000 | Винт | |
| 20 | 23911А85400-000 | Кронштейн кабеля сцепления | |
| 21 | 01957-08166-000 | Болт |
Содержащиеся в справочниках-каталогах запасные части и детали не предлагаются к продаже, а носят исключительно информационный характер