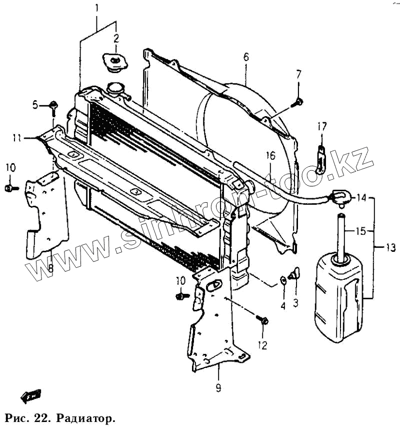
Каталог запасных частей к технике: Daewoo Damas. Радиатор
1
2
3
4
5
7
8
9
10
11
12
13
14
15
16
17
63
| Позиция на иллюстрации | Заводской номер детали | Название детали | |
|---|---|---|---|
| 1 | 17700А80001-000 | Радиатор в сборе | |
| 2 | 17920А80D00-000 | Крышка радиатора в комплекте | |
| 3 | 17711А80D00-000 | Дренажная пробка | |
| 4 | 17712А80D00-000 | Шайба | |
| 5 | 01954-06103-000 | Болт | |
| 7 | 01954-06123-000 | Болт | |
| 8 | 17811-80D00-000 | Правый кронштейн радиатора | |
| 9 | 17821-85580-000 | Левый кронштейн радиатора | |
| 10 | 09116А06125-000 | Болт | |
| 11 | 17831-85581-000 | Крышка радиатора | |
| 12 | 01954-06103-000 | Болт | |
| 13 | 17930-78100-000 | Расширительный бачок в комплекте | |
| 14 | 01954-06103-000 | Болт | |
| 15 | 09352-70111-170 | Водяная трубка | |
| 16 | 09352-70121-520 | Шланг расширительного бачка | |
| 17 | 09404-06402-000 | Крепление водяной трубки | |
| 63 | 17761-85580-000 | Кожух вентилятора |
Содержащиеся в справочниках-каталогах запасные части и детали не предлагаются к продаже, а носят исключительно информационный характер