Каталог запасных частей к технике: Daewoo Damas. Приборы автомобиля электрические
1
2
3
4
5
6
7
8
9
10
11
12
13
14
15
16
17
18
19
20
21
22
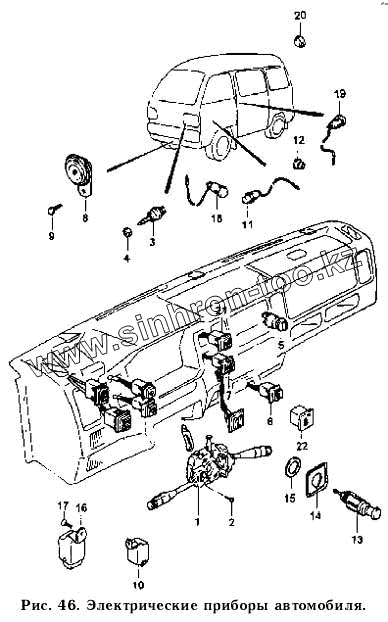
| Позиция на иллюстрации | Заводской номер детали | Название детали | |
|---|---|---|---|
| 1 | 37400А80012-000 | Комбинированный переключатель | |
| 2 | 03241-05163-000 | Винт | |
| 3 | 37740А60А01-000 | Включатель стояночного фонаря | |
| 4 | 08310-22103-000 | Гайка | |
| 5 | 37870А85000-000 | Включатель обогрева и вентилятора | |
| 6 | 37875А85010-000 | Включатель обогрева и вентилятора | |
| 7 | 37860А80D01-000 | Включатель заднего обогреватель | |
| 8 | 38500А80D01-000 | Звуковой сигнал в сборе | |
| 9 | 01934-08166-000 | Болт | |
| 10 | 38610А78В00-000 | Реле поворотного сигнала | |
| 11 | 37940А79000-00 | Включатель стояночного тормоза | |
| 12 | 09308-03005-000 | Уплотнитель провода | |
| 13 | 39400А83000-000 | Прикуриватель в сборе | |
| 14 | 39471А78003-000 | Ободок прикуривателя | |
| 15 | 09160-23007-000 | Шайба | |
| 16 | 38860А76D 10-000 | Датчик топливного насоса | |
| 17 | 03141-06106-000 | Винт решетки передней фары | |
| 18 | 37670А80D 13-000 | Включатель в сборе | |
| 19 | 37670А80002-000 | Задний включатель в сборе | |
| 20 | 09250-14008-000 | Крышка отверстия | |
| 21 | 37210А83D00-000 | Включатель | |
| 22 | 39000-83D00-000 | Регулятор стеклоочистителей |
Содержащиеся в справочниках-каталогах запасные части и детали не предлагаются к продаже, а носят исключительно информационный характер