Вернуться на главную
Поиск
Каталоги запчастей к технике
Легковые автомобили
Chevrolet
Chevrolet Niva 1.7
Колонка рулевая (34, 55)
Каталог запасных частей к технике: Chevrolet Niva 1.7. Колонка рулевая (34, 55)
zoom-in
zoom-out
enlarge
shrink
circle-right
circle-left
file-text2
info
cart
Тип техники
Не выбрано
Легковые автомобили
Грузовые автомобили и прицепы
Автобусы
Сельхозтехника
Спецтехника
Двигатели
Мототехника
Марка
Не выбрано
BYD
Chevrolet
Daewoo
Geely
Great Wall
Hyundai
Lifan
Tata
АЗЛК
ВАЗ
ГАЗ
ЗАЗ
ЗИЛ
ИЖ
ЛуАЗ
РАФ
УАЗ
Модель
Не выбрано
Chevrolet Lanos (2007)
Chevrolet Niva 1.7 (2010)
Chevrolet Viva (2007)
Схема
>
Не выбрано
Кузов
Сиденья передние
Механизм установки передних сидений
Сиденье заднее
Механизм установки заднего сиденья
Ремни безопасности
Термошумоизоляция салона
Термошумоизоляция моторного отсека
Коврики
Коврики (34, 55)
Обивка салона
Обивка салона (34, 55)
Принадлежности салона
Принадлежности салона (34, 55)
Панель приборов в сборе
Панель приборов
Консоль панели приборов
Консоль панели приборов (34, 55)
Ящик вещевой
Капот
Пол кузова
Каркас основания кузова
Каркас передка
Каркас боковины и крыши
Панели кузова
Панели кузова (34, 55)
Двери передние
Навеска боковых дверей и уплотнители
Двери задние
Замки передних дверей
Замки задних дверей
Ручки передних дверей
Ручки задних дверей
Окна передних дверей
Окна задних дверей
Стеклоподъемники передних дверей
Стеклоподъемники задних дверей
Окна
Дверь задка
Навеска двери задка
Замок и ручка двери задка
Система вентиляции и отопления (без кондиционера), (L, GLS)
Система вентиляции и отопления (с кондиционером), (LC, GLC,LCP)
Управление вентиляцией и отоплением
Обогрев ветрового и боковых стекол
Отопитель
Вентилятор климатической установки
Рукоятки и облицовка рычагов управления
Дефлекторы вытяжной вентиляции
Фильтр воздушный климатической установки
Система кондиционирования
Система кондиционирования (34, 55)
Кольца уплотнительные трубопроводов кондиционера
Кольца уплотнительные трубопроводов кондиционера (34, 55)
Омыватель ветрового стекла
Омыватель стекла двери задка
Стеклоочиститель передний
Стеклоочиститель задний
Облицовка радиатора (11, 12, 13, 30, 31, 32)
Брызговики и экраны
Щитки
Накладка облицовочная ветрового стекла
Фартуки, накладки и орнаменты
Фартуки, накладки и орнаменты (34, 55)
Рейлинги (34, 55)
Бампер передний (11, 12, 13, 30, 31, 32)
Бампер передний (10, 34, 55)
Бампер задний
Бампер задний (10, 55, 34)
Схема установки заглушек
Двигатель
Подвеска двигателя
Экран двигателя
Блок цилиндров
Головка блока цилиндров
Картер масляный и крышки блока
Вал коленчатый и маховик
Шатуны и поршни
Привод распределительного вала до 08.2008
Привод распределительного вала (32, 55, 34,10) с 08.2008
Механизм газораспределительный до 08.2008
Механизм газораспределительный (32, 55, 34,10) с 08.2008
Бак топливный (11, 12, 13)
Бак топливный
Трубопроводы топливные (11, 12, 13)
Трубопроводы топливные
Система улавливания паров бензина
Система улавливания паров бензина (31)
Система улавливания паров бензина (32, 55, 34)
Фильтр воздушный
Педаль привода акселератора
Привод акселератора
Система подачи воздуха
Патрубок дроссельный
Рампа, форсунки и регулятор давления (11, 12, 13)
Рампа и форсунки
Труба впускная
Ресивер
Коллектор выпускной
Трубы выхлопные с нейтрализатором (11, 12, 13)
Трубы выхлопные с нейтрализатором (30, 31)
Трубы выхлопные с нейтрализатором (32, 55, 34, 10)
Глушители (11, 12, 13)
Глушители
Насос масляный и привод
Маслоотделитель и фильтр масляный до 08.2008
Маслоотделитель (32, 55, 34, 10) с 08.2008
Установка фильтра масляного (11, 30, 31, 32, 55, 34, 10)
Кронштейн фильтра масляного (11, 30, 31, 32, 55, 34, 10)
Радиатор (L, GLS)
Радиатор (LC, GLC)
Насос водяной и трубопроводы
Насос водяной
Привод вспомогательных агрегатов (L, GLS)
Привод вспомогательных агрегатов (12, 13)
Привод вспомогательных агрегатов (LC, GLC)
Привод компрессора кондиционера
Механизм натяжения ремня
Механизм натяжения ремня привода компрессора
Механизм управления сцеплением
Привод сцепления
Сцепление
Картер сцепления и коробка передач
Коробка передач
Валы первичный и вторичный коробки передач
Вал промежуточный коробки передач
Шестерни коробки передач
Шестерни заднего хода
Привод механизма выбора передач
Механизм выбора передач
Привод управления механизмом переключения передач
Установка привода управления механизмом переключения передач
Привод спидометра
Коробка раздаточная в сборе
Коробка раздаточная
Шестерни раздаточной коробки
Дифференциал раздаточной коробки
Рычаг управления раздаточной коробкой
Рычаг блокировки дифференциала раздаточной коробки
Механизм управления раздаточной коробкой
Привод раздаточной коробки
Вал карданный промежуточный
Привод передних колес
Мост передний
Подвеска переднего моста
Корпус и крышки редуктора
Редуктор и дифференциал переднего моста
Мост задний и полуоси
Редуктор и дифференциал заднего моста
Дифференциал переднего и заднего мостов
Поперечина передней подвески
Рычаги нижние
Рычаги верхние
Амортизаторы и стабилизатор поперечной устойчивости
Рычаги передней подвески в сборе (10, 34, 55)
Штанги задней подвески и пружины
Штанги задней подвески и амортизаторы
Поворотные кулаки и ступицы
Колеса (L, LC)
Колеса (11, 13)
Колеса (GLS, GLC)
Колеса (34, 55, 10)
Педаль тормоза
Элементы привода тормозов (11, 12, 13, 30)
Элементы привода тормозов (31, 32, 34, 55)
Привод гидротормозов
Привод гидротормозов (31, 32, 55, 34)
Привод регулятора давления
Регулятор давления тормозов
Привод стояночного тормоза
Тормоза передние
Тормоза передние
Суппорты передних тормозов
Тормоза задние в сборе
Тормоза задние
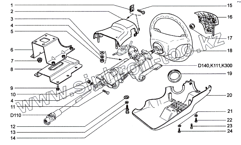
Колонка рулевая
Колонка рулевая (34, 55)
Механизм рулевой
Привод рулевой
Система гидроусилителя рулевого управления до 04.2005
Система гидроусилителя рулевого управления
Вал рулевого управления
Насос гидроусилителя рулевого управления до 10.2003
Тяги рулевые крайние
Рычаг маятниковый с кронштейном
Система зажигания (без кондиционера)
Система зажигания (с кондиционером)
Блоки электронные
Выключатель зажигания и цилиндры замков дверей (комплект)
Выключатель зажигания и цилиндры замков дверей (комплект) (34, 55)
Модуль зажигания (11, 12, 13)
Катушка зажигания (10, 30, 31, 32, 34, 55)
Установка аккумуляторной батареи
Стартер с арматурой
Генератор с арматурой
Генератор с арматурой (12, 13)
Приборы световые передние
Приборы световые передние (34, 55)
Блок-фара
Освещение салона
Освещение салона (34, 55)
Приборы световые задние
Приборы световые задние (34, 55)
Сигналы
Приборы и подсветка
Выключатели
Выключатели (34, 55)
Реле
Блок монтажный (11, 12, 13, 30)
Блок монтажный (31, 32, 55, 34, 10)
Жгуты проводов передка
Жгуты проводов салона
Арматура жгутов проводов
Инструмент шоферский
Держатель запасного колеса
Держатель запасного колеса (GLS,GLC), с 01.07.2008
Чехол запасного колеса
Комплектации и варианты исполнения
Комплектации и варианты исполнения (продолжение)
Комплектации с 8-ми клапанным двигателем ВАЗ-21230
Комплектации с 8-ми клапанным двигателем ВАЗ-21230 (продолжение)
Таблицы нормалей № 1
Таблицы нормалей № 2
Таблицы нормалей № 3
Таблицы нормалей № 4
Таблицы нормалей № 5
Таблицы нормалей № 6
Таблицы нормалей № 7
Таблицы нормалей № 8
Таблицы нормалей № 9
Таблицы нормалей № 10
Таблицы нормалей № 11
Таблицы нормалей № 12
Сальники № 1
Сальники № 2
Сальники № 3
Сальники № 4
Сальники № 5
Сальники № 6
Схема расположения подшипников
Подшипники № 1
Подшипники № 2
Подшипники № 3
Подшипники № 4
Подшипники № 5
Подшипники № 6
1
2
3
4
4
5
6
7
8
9
10
11
12
13
14
15
16
17
18
19
20
21
22
23
24
Позиция на иллюстрации
Заводской номер детали
Название детали
1
21010-8109137-00-0
Гайка пружинная
2
21230-3403070-00-0
Кожух облицовочный верхний
3
00001-0026467-01-0
Шайба 8
4
00001-0005166-70-0
Шайба 8 пружинная
5
00001-0061008-11-0
Гайка М8
6
21230-3403126-20-0
Кронштейн центральный
7
00001-0038322-01-0
Гайка М8 с зубчатым буртиком
8
21230-3403189-00-0
Кронштейн промежуточный
9
00001-0038381-21-0
Болт М8х20 с зубчатым буртиком
10
00001-0061008-21-0
Гайка М8
11
21230-3401138-00-0
Болт крепления накидной вилки
12
21100-3403044-00-0
Пластина фиксирующая
13
00001-0005164-70-0
Шайба 6 пружинная
14
21100-3704324-00-0
Болт М6 с отрывной головкой
15
00001-0076701-07-0
Винт 4,3х12,7 самонарезающий
16
21230-3402050-55-0
Крышка звукового сигнала в сборе
17
21100-3402136-00-0
Гайка рулевого колеса
18
21230-3402018-55-0
Колесо рулевое
19
21100-3403204-00-0
Кольцо уплотнительное кожуха вала руля
20
21230-3403072-00-0
Кожух облицовочный нижний
21
00001-0005193-01-0
Шайба 5
22
00001-0076710-01-0
Винт 4,9x9,5 самонарезающий
23
00001-0033112-01-0
Винт М5х20
24
21140-5325388-00-0
Винт 4,9х16 самонарезающий
Содержащиеся в справочниках-каталогах запасные части и детали не предлагаются к продаже, а носят исключительно информационный характер
Дополнительная информация
×
Название:
Номер:
Примечание: