Вернуться на главную
Поиск
Каталоги запчастей к технике
Легковые автомобили
Chevrolet
Chevrolet Lanos
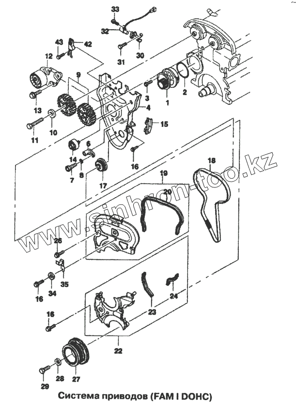
Система приводов (FAM I DOHC)
Каталог запасных частей к технике: Chevrolet Lanos. Система приводов (FAM I DOHC)
zoom-in
zoom-out
enlarge
shrink
circle-right
circle-left
file-text2
info
cart
Тип техники
Не выбрано
Легковые автомобили
Грузовые автомобили и прицепы
Автобусы
Сельхозтехника
Спецтехника
Двигатели
Мототехника
Марка
Не выбрано
BYD
Chevrolet
Daewoo
Geely
Great Wall
Hyundai
Lifan
Tata
АЗЛК
ВАЗ
ГАЗ
ЗАЗ
ЗИЛ
ИЖ
ЛуАЗ
РАФ
УАЗ
Модель
Не выбрано
Chevrolet Lanos (2007)
Chevrolet Niva 1.7 (2010)
Chevrolet Viva (2007)
Схема
>
Не выбрано
Кузов обитый в сборе, декоративные надписи, крепление номерных знаков
Замки под ключ
Напольный ковер
Звукоизоляционный материал
Коврик багажника и знак опознавательный газобаллонного автомобиля
Передний пол
Задний пол
Балки, лонжероны, брусья кузова
Стекло I
Стекло II
Стеклоочиститель ветрового стекла
Стеклоочиститель двери задка
Стеклоомыватель ветрового стекла
Панель приборов
Накладка панели приборов и переключатели
Детали средней части панели приборов
Консоль
Щит передка и панель воздухопритока
Обивка боковых стоек (4-х дверный)
Обивка боковых стоек (5-ти дверный)
Обивка боковых стоек (3-х дверный)
Панель боковины кузова (4-х дверный)
Панель боковины кузова (5-ти дверный)
Панель боковины кузова (3-х дверный)
Крепление малого бокового окна
Крышка заливной горловины топливного бака
Накладки боковины кузова
Полка задняя (4-х дверный)
Полка задняя (3-х/5-ти дверный)
Обивка стойки задка (4-х дверный)
Обивка стойки задка (3-х/5-ти дверный)
Крышка багажника
Замок капота багажника
Обивка крыши
Панель крыши
Люк в крыше
Крепление люка в крыше
Обивка передней двери
Передняя дверь
Замок передней двери
Стеклоподъемник передней двери
Уплотнители передней двери
Обивка задней боковой двери
Задняя боковая дверь
Замок задней боковой двери
Стеклоподъемник задней боковой двери
Уплотнители задней боковой двери
Панель двери задка
Замок двери задка
Переднее сиденье
Детали переднего сиденья
Салазки для выдвижения сиденья
Заднее сиденье (II)
Воздуховоды
Кондиционер
Вентилятор
Испаритель
Конденсор
Компрессор
Крепление компрессора (II)
Крепление компрессора (III)
Трубопроводы кондиционера (I)
Трубопроводы кондиционера (II)
Переключатели кондиционера
Солнцезащитный козырек и внутреннее зеркало
Ремни безопасности переднего сиденья
Ремни безопасности заднего сиденья
Наружные зеркала
Декоративные детали и надписи
Таблички заводских данных
Задний спойлер
Панель капота мотоотсека
Передняя панель
Панель крыла и брызговик
Облицовка передка
Накладки арок колес
Двигатель в сборе (FAM I SOHC)
Двигатель в сборе (FAM I DOHC)
Крепление силового агрегата
Блок цилиндров в сборе (FAM I)
Система ремней
Ремонтный комплект для двигателя (FAM I SOHC)
Ремонтный комплект для двигателя (FAM I DOHC)
Блок двигателя (FAM I)
Коленвал и поршни (FAM I)
Система вентиляции картера двигателя (FAM I)
Головка блока цилиндров (FAM I SOHC)
Головка блока цилиндров (FAM I DOHC)
Крышка и распределительный вал (FAM I SOHC)
Крышки и распределительный вал (FAM I DOHC)
Система приводов (FAM I SOHC)
Система приводов (FAM I DOHC)
Масляный поддон и масляный насос (FAM I)
Впрыск топлива (FAM I SOHC)
Впрыск топлива (FAM I DOHC)
Впускной коллектор (FAM I SOHC)
Впускной коллектор (FAM I DOHC)
Топливный бак
Трубопровод подачи топлива
Бачок паров топлива и топливопроводы (I)
Система воздухозаборника (I)
Система воздухозаборника (II)
Воздушные шланги (FAM I SOHC)
Воздушные шланги (FAM I DOHC)
Привод дроссельной заслонки
Выпускной коллектор (FAM I SOHC)
Выпускной коллектор (FAM I DOHC)
Система выпуска отработавших газов (I)
Система выпуска отработавших газов (II)
Термостат (FAM I SOHC)
Термостат (FAM I DOHC)
Радиатор
Вентилятор системы охлаждения
Трубопровод системы охлаждения двигателя (FAM I)
Трубопровод системы охлаждения двигателя (FAM I)
Трубопровод масляного радиатора АКП (GMPT)
Силовой агрегат МеМЗ-301 и его крепление
Силовой агрегат МеМЗ-307 и его крепление
Облицовка двигателя МеМЗ-301
Облицовка двигателя МеМЗ-307
Блок и головка цилиндров
Поршни, шатуны и коленчатый вал
Детали распределительного механизма
Детали системы смазки
Впускной коллектор, рампа форсунок, трубки подвода и отвода топлива и их крепления для двигателя МеМЗ-307
Элементы системы распределительного впрыска топлива, привод дроссельной заслонки для двигателя МеМЗ-307
Детали системы питания двигателя МеМЗ-301
Детали топливного насоса и привода двигателя МеМЗ-301
Привод дроссельной заслонки двигателя МеМЗ-301
Шланг впускной ресивера, трубки подогрева дроссельного патрубка, шланг вакуумного усилителя тормозов для двигателя МеМЗ-307
Кронштейн, шланги, клапан продувки
Фильтр воздушный и его детали двигателя МеМЗ-301
Редуктор, клапан газовый, трубопровод, кронштейны
Смеситель, клапан электромагнитный, шланги
Баллон газовый, кожух вентиляционный, блок арматуры, выносное заправочное устройство, трубопроводы
Детали редуктора G79 SE
Полный комплект 8960167 редуктора G79 SE
Жгут проводов: датчик кислорода, управления установкой "газ-бензин" и симулятор, блок управления, лямбда-датчик
Впускной и выпускной коллекторы, трубы, резонатор и глушитель
Система выпуска отработавших газов с нейтрализатором
Радиатор и электровентилятор системы охлаждения
Трубопроводы системы охлаждения
Насос водяной 245.1307010-01-С, 245.1307010-02
Насос водяной 245.1307010-03
Крышка картера и диски сцепления
Гидравлический привод сцепления
Педаль сцепления
Механическая коробка передач
Детали коробки передач
Ведомый вал коробки передач
Ведущий вал и шестерня заднего хода
Опора подшипников
Механизм переключения передач и корпус коробки передач
Дифференциал
Автоматическая коробка передач
Картер и сопряженные детали
Внутренние детали коробки передач
Муфта включения заднего хода
Муфта включения прямой передачи и торможения двигателем
Муфта включения переднего хода
Муфта включения переднего хода
Муфта ведомой звездочки в сборе
Парковочный замок и стопорный рычаг
Механизм управления переключением передач (МКПП)
Механизм управления переключением передач (АКПП)
Полуоси
Детали полуосей (МКПП)
Детали полуосей (АКПП)
Механизм управления сцеплением
Привод управления сцеплением
Картер сцепления и коробки передач
Детали коробки передач (1,2,3,4-ая передачи и задний ход)
Детали коробки передач (пятая и главная передача)
Механизм переключения передач
Привод управления механизмом переключения передач
Главная передача и дифференциал
Детали шарнирных валов
Передний буфер
Задний буфер I
Поворотный кулак и ступица передней подвески
Амортизатор передней подвески
Передняя подвеска
Задняя подвеска
Амортизатор задней подвески
Кулак и ступица задней подвески
Диск колеса, шина, колпак колеса
Рулевое колесо
Чехлы рулевой колонки
Рулевая колонка (нерегулируемая)
Рулевая колонка (регулируемая)
Рулевой механизм
Детали рулевого механизма (механическая К/П)
Детали рулевого механизма (с усилителем)
Поперечная рулевая тяга
Трубопроводы рулевого управления с усилителем
Шланг вакуумного усилителя тормозов для двигателя МеМЗ-301, МеМЗ-307
Гидравлический модулятор
Антиблокировочная тормозная система
Тормозные трубки (с АБС)
Тормозные трубки (без АБС)
Опора главного тормозного цилиндра
Главный тормозной цилиндр и усилитель
Узел главного тормозного цилиндра
Стояночный тормоз
Задний тормоз
Передний тормоз (TEVES)
Передний тормоз (DAC)
Тормозная педаль (II)
Тормозная педаль (I)
Система зажигания (FAM I SOHC)
Система зажигания (FAM I DOHC)
Генератор(85А)
Крепление генератора (FAM I SOHC)
Крепление генератора (FAM I DOHC)
Стартер (0,8 кВт)
Управляющие электронные блоки
Крепление управляющих электронных блоков (I)
Крепление управляющих электронных блоков (II)
Крепление управляющих электронных блоков (III)
Генератор, аккумуляторной батареи и их крепление
Детали генератора
Детали системы зажигания двигателя, свечи зажигания МеМЗ-301
Крышка головки цилиндров задняя, модуль зажигания, жгут высоковольтных проводов двигателя, свечи зажигания МеМЗ-307
Стартер, звуковой сигнал, жгут проводов, приборы электрооборудования
Жгут проводов, приборы электрооборудования двигателя МеМЗ-307 (оригинальные детали и узлы)
Электропроводка
Передние фары
Задние фонари (4-дверный)
Задние фонари (3/5-дверный)
Детали электрооборудования
Система сигнализации автомобиля и противоугонная система
Система воздушной подушки безопасности
Аккумуляторная батарея
Предохранители и реле
Электрические замки дверей
Комбинация приборов
Антенна
Аудиосистема
Инструмент водителя и приспособления
1
1
2
3
4
6
7
8
9
9
10
10
11
11
11
12
13
14
15
16
16
16
17
17
18
19
20
22
23
24
26
27
28
28
29
29
29
30
31
32
33
34
35
42
43
Позиция на иллюстрации
Заводской номер детали
Название детали
1
96352649
Водяной насос в сборе
1
96351284
Водяной насос в сборе
2
94580509
Уплотнительное кольцо водяного насоса
3
94501228
Болт
4
96184800
Задняя крышка ремня привода распредвала
6
96184861
Кронштейн механизма коробки передач
7
94500794
Болт
8
94525062
Шайба
9
96184322
Шестерня привода распредвала
9
96182888
Шестерня привода распредвала
10
96334595
Шайба
10
5094008002
Шайба
11
5094008003
Болт
11
94500831
Болт
11
94500842
Болт
12
96350550
Натяжное устройство ремня привода распредвала в сборе
13
94501477
Болт
14
96350526
Промежуточный ролик
15
96350088
Уплотнение
16
94500397
Болт
17
96352740
Шестерня шкива коленвала в сборе
17
96143232
Шестерня шкива коленвала в сборе
18
96183352
Приводной ремень газораспределительного механизма
19
96351626
Верхняя крышка зубчатого ремня привода распредвала в сборе
20
96351628
Верхнее уплотнение крышки ремня привода распредвала
22
96351627
Нижняя крышка зубчатого ремня привода распредвала в сборе
23
96351629
Нижнее уплотнение крышки ремня привода распредвала
24
96351630
Нижнее уплотнение крышки ремня привода распредвала
26
94500421
Болт
27
96351111
Шкив коленвала
28
90409703
Уплотнительное кольцо
28
96352714
Уплотнительное кольцо
29
94501121
Болт
29
94501119
Болт
29
94501123
Болт
30
96351255
Кронштейн датчика положения коленвала
31
94500418
Болт
32
96183235
Датчик положения коленвала
33
94500752
Болт
34
94581126
Шайба
35
96180354
Кронштейн шланга
42
10456508
Датчик положения распредвала
43
94500092
Болт
Содержащиеся в справочниках-каталогах запасные части и детали не предлагаются к продаже, а носят исключительно информационный характер
Дополнительная информация
×
Название:
Номер:
Примечание: