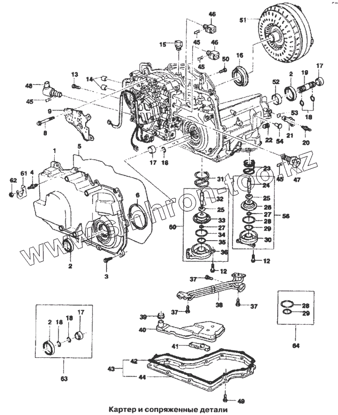
Каталог запасных частей к технике: Chevrolet Lanos. Картер и сопряженные детали
1
1
2
2
2
3
4
5
5
6
6
8
9
9
9
12
12
13
13
14
14
15
16
17
17
17
18
18
18
18
19
20
21
22
22
23
24
25
25
26
27
27
28
28
29
29
30
30
31
32
33
34
35
36
36
37
37
37
38
39
40
40
40
41
42
43
44
45
45
45
45
46
46
47
47
48
48
48
49
49
50
50
51
51
51
52
53
54
56
60
61
62
63
63
64
| Позиция на иллюстрации | Заводской номер детали | Название детали | |
|---|---|---|---|
| 1 | 24209574 | Боковая крышка в сборе | |
| 1 | 24213577 | Боковая крышка в сборе | |
| 2 | 24201936 | Сальник К/П | |
| 3 | 24203912 | Болт | |
| 4 | 24208309 | Болт | |
| 5 | 24200478 | Уплотнение боковой крышки | |
| 5 | 24210446 | Уплотнение боковой крышки | |
| 6 | 24211326 | Уплотнение боковой крышки | |
| 6 | 08685154 | Уплотнение боковой крышки | |
| 8 | 24200205 | Болт | |
| 9 | 24226580 | Выключатель давления | |
| 9 | 24200495 | Выключатель давления | |
| 9 | 24222079 | Выключатель давления | |
| 12 | 24200207 | Болт | |
| 13 | 00444613 | Пробка | |
| 13 | 08654382 | Пробка | |
| 14 | 24221233 | Уплотнение | |
| 14 | 24200326 | Уплотнение | |
| 15 | 24200354 | Сапун | |
| 16 | 08685515 | Сальник гидротрансформатора | |
| 17 | 08684482 | Втулка выходного вала | |
| 18 | 07829495 | Кольцо выходного вала | |
| 19 | 24200734 | Вал | |
| 20 | 24200091 | Болт | |
| 21 | 24207507 | Датчик скорости на выходе | |
| 22 | 00444613 | Пробка | |
| 22 | 08654382 | Пробка | |
| 23 | 08684393 | Возвратная пружина сервопривода | |
| 24 | 08684395 | Штифт сервопривода | |
| 25 | 24203610 | Пружинная шайба сервопривода | |
| 26 | 24203772 | Поршень сервопривода | |
| 27 | 11505767 | Кольцо сервопривода | |
| 28 | 08684674 | Уплотнение поршня сервопривода | |
| 29 | 08684394 | Уплотнение крышки сервопривода | |
| 30 | 24203773 | Крышка сервопривода | |
| 30 | 24201882 | Крышка сервопривода | |
| 31 | 08684350 | Возвратная пружина сервопривода | |
| 32 | 08684404 | Штифт сервопривода | |
| 33 | 24203766 | Поршень сервопривода | |
| 34 | 08684673 | Уплотнение поршня сервопривода | |
| 35 | 08678473 | Уплотнение крышки сервопривода | |
| 36 | 24201880 | Крышка сервопривода | |
| 36 | 24203767 | Крышка сервопривода | |
| 37 | 24200092 | Болт | |
| 38 | 24202349 | Труба подачи масла в сборе | |
| 39 | 08684467 | Уплотнение масляного фильтра | |
| 40 | 24221762 | Масляной фильтр в сборе | |
| 40 | 24203770 | Масляной фильтр в сборе | |
| 40 | 08685185 | Масляной фильтр в сборе | |
| 41 | 24207185 | Клапан фильтра | |
| 42 | 24203590 | Прокладка масляного фильтра | |
| 43 | 24203769 | Картер с прокладкой в сборе | |
| 44 | 08685184 | Масляной поддон | |
| 45 | 08685781 | Шплинт | |
| 46 | 24207236 | Соленоид переключения передач | |
| 47 | 10478146 | Соленоид регулятора давления в сборе | |
| 47 | 10478117 | Соленоид регулятора давления в сборе | |
| 48 | 24227792 | Соленоид муфты | |
| 48 | 24212690 | Соленоид муфты | |
| 48 | 24207054 | Соленоид муфты | |
| 49 | 24210147 | Болт | |
| 49 | 24203911 | Болт | |
| 50 | 24219873 | Болт | |
| 50 | 08685658 | Болт | |
| 51 | 24210082 | Гидротрансформатор | |
| 51 | 24211286 | Гидротрансформатор | |
| 51 | 24203821 | Гидротрансформатор | |
| 52 | 08631119 | Втулка | |
| 53 | 10475299 | Уплотнение датчика скорости ведомого вала | |
| 54 | 24202694 | Опорный палец | |
| 56 | 24203623 | Крышка сервопривода в сборе | |
| 60 | 24203608 | Крышка сервопривода в сборе | |
| 61 | 96258801 | Кронштейн разъема К/П | |
| 62 | 11514596 | Гайка | |
| 63 | 24203910 | Уплотнитель вала | |
| 63 | 24226989 | Уплотнитель вала | |
| 64 | 24203774 | Уплотнитель сервопривода |
Содержащиеся в справочниках-каталогах запасные части и детали не предлагаются к продаже, а носят исключительно информационный характер