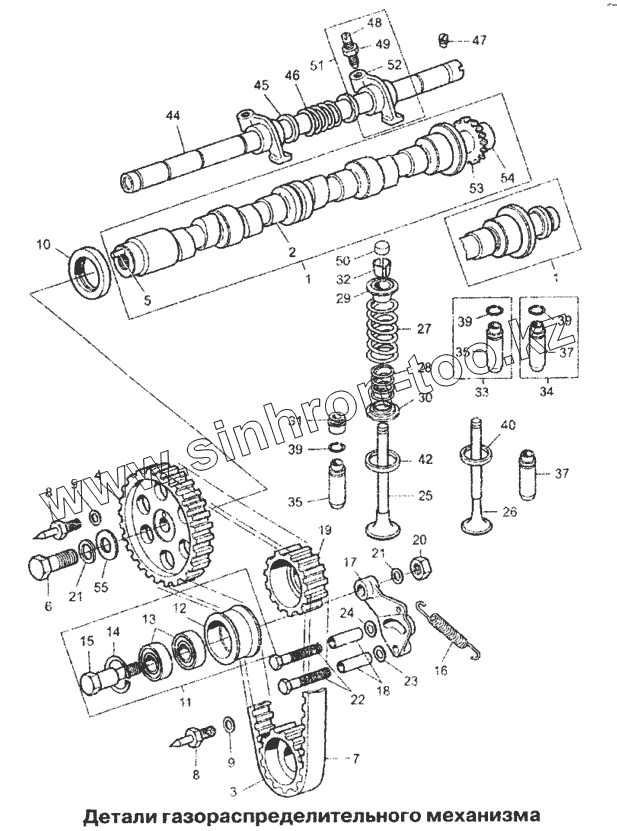
Каталог запасных частей к технике: Chevrolet Lanos. Детали распределительного механизма
1
1
1
1
2
3
4
5
6
7
8
8
9
9
10
10
10
10
11
12
13
13
14
15
16
17
18
19
20
21
21
22
23
24
25
26
27
28
29
30
31
31
31
32
33
34
35
35
35
35
37
37
39
39
39
40
40
42
42
44
45
46
47
48
49
50
51
52
53
54
55
| Позиция на иллюстрации | Заводской номер детали | Название детали | |
|---|---|---|---|
| 1 | 245.1006010 | Вал распределительный в сборе | |
| 1 | 307.1006010 | Вал распределительный в сборе | |
| 2 | 245.1006015 | Вал распределительный | |
| 3 | 245.1006016 | Шкив ведущий | |
| 4 | 245.1006020 | Шкив ведомый | |
| 5 | 245.1006029 | Штифт установочный шкива распределительного вала | |
| 6 | [Болт] | Болт | |
| 7 | 245.1006040 | Ремень | |
| 8 | 245.1006043 | Болт | |
| 9 | [Шайба] | Шайба | |
| 10 | 245.1006085-02 | Манжета распределительного вала в сборе | |
| 10 | 2101-1005034 | Сальник коленчатого вала передний с пружиной в сборе | |
| 10 | 2101-1005034-03 | Сальник коленчатого вала передний с пружиной в сборе | |
| 10 | UKX00008 | Сальник коленчатого вала передний с пружиной в сборе | |
| 11 | 245.1006121 | Ролик в сборе | |
| 12 | 245.1006122 | Ролик | |
| 13 | 6202.2RS.P6Q6/L19 | Подшипник | |
| 13 | 6-180202AL19Ш1 | Подшипник | |
| 14 | 245.1006126-01 | Кольцо | |
| 15 | 245.1006127 | Ось | |
| 16 | 245.1006128 | Пружина | |
| 17 | 245.1006131 | Кронштейн | |
| 18 | 245.1006136 | Втулка | |
| 19 | 245.1307040 | Шкив насоса | |
| 20 | [Гайка] | Гайка | |
| 21 | [Шайба] | Шайба | |
| 22 | [Болт] | Болт | |
| 23 | [Шайба] | Шайба | |
| 24 | [Шайба] | Шайба | |
| 25 | 245.1007010-10 | Клапан впускной в сборе | |
| 26 | 245.1007012-10 | Клапан выпускной в сборе | |
| 27 | 2101-1007020 | Пружина клапана наружная | |
| 28 | 2101-1007021 | Пружина клапана внутренняя | |
| 29 | 245.1007024 | Тарелка пружины клапана | |
| 30 | 245.1007025 | Шайба опорная пружин клапана | |
| 31 | 2108-1007026-03 | Колпачок маслоотражательный с пружиной в сборе | |
| 31 | 245.1007026-02 | Колпачок маслоотражательный с пружиной в сборе | |
| 31 | UKX0009 | Колпачок маслоотражательный с пружиной в сборе | |
| 32 | 968-1007028-В | Сухарь клапана | |
| 33 | 245.1007029-Р | Втулка впускного клапана с кольцом - ремонтная | |
| 34 | 245.1007031-Р | Втулка выпускного клапана с кольцом - ремонтная | |
| 35 | 245.1007032-10 | Втулка впускного клапана | |
| 35 | 245.1007032-Р | Втулка впускного клапана - ремонтная | |
| 37 | 245.1007033-10 | Втулка выпускного клапана | |
| 37 | 245.1007033-Р | Втулка выпускного клапана - ремонтная | |
| 39 | 245.1007035 | Кольцо стопорное | |
| 40 | 245.1007080-Р | Седло выпускного клапана - ремонтное | |
| 40 | 245.1007080-10 | Седло выпускного клапана | |
| 42 | 245.1007082-10 | Седло впускного клапана | |
| 42 | 245.1007082-Р | Седло впускного клапана - ремонтное | |
| 44 | 245.1007101 | Ось коромысел с заглушками в сборе | |
| 45 | 245.1007104 | Шайба оси коромысел | |
| 46 | 245.1007105 | Пружина оси коромысел | |
| 47 | 245.1007121 | Стопор оси коромысел | |
| 48 | 245.1007132-01 | Винт регулировочный | |
| 49 | 965-1007134 | Гайка | |
| 50 | 245.1007137 | Наконечник регулировочного винта | |
| 51 | 245.1007140 | Коромысло клапана в сборе | |
| 52 | 245.1007146 | Коромысло клапана | |
| 53 | 245.1016040-10 | Шестерня ведущая привода-распределителя | |
| 54 | 245.1106185 | Кулачок привода топливного насоса | |
| 55 | [Шайба] | Шайба |
Содержащиеся в справочниках-каталогах запасные части и детали не предлагаются к продаже, а носят исключительно информационный характер