Вернуться на главную
Поиск
Каталоги запчастей к технике
Легковые автомобили
АЗЛК
Москвич 412
Задняя подвеска в сборе
Каталог запасных частей к технике: АЗЛК Москвич 412. Задняя подвеска в сборе
zoom-in
zoom-out
enlarge
shrink
circle-right
circle-left
file-text2
info
cart
Тип техники
Не выбрано
Легковые автомобили
Грузовые автомобили и прицепы
Автобусы
Сельхозтехника
Спецтехника
Двигатели
Мототехника
Марка
Не выбрано
BYD
Chevrolet
Daewoo
Geely
Great Wall
Hyundai
Lifan
Tata
АЗЛК
ВАЗ
ГАЗ
ЗАЗ
ЗИЛ
ИЖ
ЛуАЗ
РАФ
УАЗ
Модель
Не выбрано
Москвич 412
Москвич-2137 (1977)
Москвич-2140 (1977)
Москвич-2141 (1998)
Москвич-2335 (1998)
Москвич-2734 (1998)
Москвич-400-420
Москвич-407
Схема
>
Не выбрано
Кузов в сборе модели 412
Кузов в сборе модели 427
Кузов в сборе модели 434
Крышки люков в полу кузова и коврики пола
Пол багажника кузова модели 427
Стеклоочиститель и его привод
Детали ветрового и заднего окон кузова
Омыватель стекла ветрового окна
Вещевой ящик
Вентиляция передка кузова
Термошумоизоляционные панели (съемные) передка кузова
Панель приборов
Обивка и термошумоизоляционные панели (съемные) боковины кузова
Крышка багажника с петлями, обивка и термошумоизоляционные панели (съемные) задка кузова автомобиля модели 412
Замок, ручка и привод замка багажника
Обивка багажного отделения кузова автомобилей моделей 427 и 434
Обивка и термошумоизоляционные панели (съемные) крыши (потолка) кузова
Передняя дверь кузова модели 412
Поворотное стекло передней двери кузова
Опускное стекло и стеклоподъемник передней двери
Замок и ручка передней двери
Петли, ограничители открытия и уплотнения передней двери кузова
Задняя дверь кузова модели 412
Задняя дверь кузова модели 427
Угловые стекла задних дверей кузова моделей 412 и 427, опускное стекло и стеклоподъемник задней двери кузова модели 427
Замок и ручка задней двери кузовов моделей 412 и 427
Петли, ограничители открытия и уплотнения задней двери кузовов моделей 412 и 427
Дверь (и окно двери) задка кузова модели 427
Дверь (и окно двери) задка кузова модели 434
Замок и ручка задней двери кузовов моделей 427 и 434
Петли и уплотнение петель задка кузова моделей 427 и 434
Передние сиденья кузова и подлокотник
Каркас и обивка переднего сиденья
Механизм предельного передвижения (салазки) передних сидений
Заднее сиденье кузова модели 412 и подлокотник
Опорные детали и арматура заднего сиденья кузова модели 427
Каркасы подушки и спинки - обивка заднего сиденья кузова модели 412
Каркасы подушки и спинки - обивка заднего сиденья кузова модели 427
Отопитель кузова и обогреватель ветрового стекла
Детали отопителя кузова и обогревателя ветрового стекла
Вентилятор с электродвигателем отопителя кузова и обогревателя ветрового стекла
Принадлежности кузова
Заводской знак и надписи моделей автомобилей
Декоративные накладки кузова
Капот кузова и его арматура
Переднее крыло и детали его крепления
Облицовки радиатора и детали их крепления к кузову
Фартук заднего крыла
Силовой агрегат автомобиля "Москвич" модели 412: а - вид слева, Ь - вид справа
Детали крепления силового агрегата
Блок и гильзы цилиндров двигателя
Головка блока цилиндров двигателя
Поршень и шатун
Коленчатый вал, вкладыши коренных подшипников и маховик
Газораспределительный механизм (Часть 1)
Газораспределительный механизм (Часть 2)
Впускной и выпускной трубопроводы
Масляный картер и указатель уровня масла
Масляный насос и его маслоприемник
Фильтр масляный полнопоточный
Бензиновый бак и пробка его наполнительной горловины
Система питания и бензопроводы
Бензиновый насос
Карбюратор
Детали карбюратора
Привод управления дроссельной и воздушной заслонкой карбюратора для автомобиля с левым расположением рулевой колонки
Привод управления дроссельной и воздушной заслонкой карбюратора для автомобиля с правым расположением рулевой колонки
Воздушный фильтр
Система выпуска отработавших газов двигателя
Глушитель шума отработавших газов
Приемная труба глушителя отработавших газов и ее подвеска
Система охлаждения
Радиатор (с пробкой горловины) и детали его крепления к раме и кузову
Трубопроводы, шланги и термостат системы охлаждения
Центробежный насос с автоматической муфтой вентилятора и приводной ремень системы охлаждения
Центробежный насос, вентилятор и приводной ремень системы охлаждения
Механизм сцепления (Часть 1)
Механизм сцепления (Часть 2)
Привод выключения сцепления
Коробка передач (Часть 1)
Коробка передач (Часть 2)
Механизм переключения передач коробки передач с рычагом управления, расположенным на рулевой колонке
Механизм переключения передач коробки передач с рычагом управления, расположенным на полу кузова
Механизм управления коробкой передач с рычагом управления расположенным на рулевой колонке
Карданный вал и его шарниры
Задний мост (главная передача, дифференциал, полуоси и картеры)
Поперечина 2 и детали ее крепления
Рама (подмоторная), брызговики крыльев и полка облицовки радиатора со щитами в сборе (комплект для ремонтных целей)
Передний и задний буферы
Кронштейн переднего номерного знака
Кронштейн заднего номерного знака
Подвеска передняя с тормозами, амортизаторами и стабилизатором поперечной устойчивости
Пружина, стойка и рычаги передней подвески
Неразборные шарниры стойки и верхний рычаг передней подвески
Амортизатор передней подвески и детали его крепления
Стабилизатор поперечной устойчивости автомобиля и детали его крепления
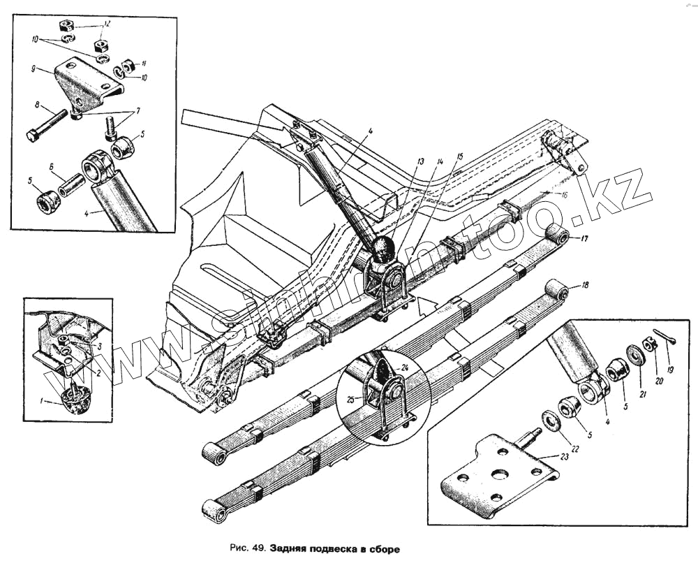
Задняя подвеска в сборе
Рессора задней подвески и детали ее крепления
Амортизатор задней подвески и детали его крепления
Поворотные рычаги и рулевые тяги автомобиля с левым расположением рулевой колонки
Поворотные рычаги и рулевые тяги автомобиля с правым расположением рулевой колонки
Колесо, декоративный колпак и ступица переднего колеса
Декоративная накладка колеса
Держатель запасного колеса
Держатель запасного колеса (вариант)
Покрышка, камера и вентиль
Рулевое управление в сборе автомобиля с левым расположением рулевой колонки
Рулевое управление в сборе автомобиля с правым расположением рулевой колонки
Рулевая колонка (с чугунным картером механизма) и детали ее крепления на автомобиле
Рулевая колонка (с алюминиевым картером механизма) и детали ее крепления на автомобиле
Тормоза с ножным управлением
Тормоз переднего колеса
Тормоз заднего колеса
Колесный цилиндр гидропривода тормоза переднего колеса
Колесный цилиндр гидропривода тормоза заднего колеса
Педаль тормоза
Главный цилиндр гидропривода тормоза
Трубопроводы гидравлического привода тормозов
Управление ручным тормозом
Гидровакуумный усилитель тормоза
Генератор и детали его крепления
Реле-регулятор
Аккумуляторная батарея и ее крепление
Включатель (замок) зажигания и выключатель стартера
Катушка, свечи зажигания и соединительные провода
Распределитель зажигания
Стартер
Центральный переключатель света
Ножной переключатель света
Фара
Фара ближнего света
Фара дальнего света
Подфарник
Плафон внутреннего освещения
Дверной переключатель плафона внутреннего освещения
Задний сигнальный фонарь
Фонарь освещения дороги при заднем ходе автомобиля
Включатель фонаря освещения дороги при заднем коде автомобиля
Фонарь освещения номерного знака и багажника
Включатель света сигнала "стоп"
Боковой сигнальный фонарь указателя поворотов
Фонарь света стоянки и его включатель
Звуковой сигнал и детали его крепления
Блок плавких предохранителей
Электропровода и соединители
Прикуриватель
Прерыватель указателей поворотов
Переключатель указателей поворотов и включатель звукового сигнала
Комбинация приборов, лампы освещения щитка приборов, сигнальные (контрольные) лампы и датчики к указательным приборам
Спидометр и гибкий вал его привода
Щиток приборов и детали его крепления к панели
Радиоприемник и громкоговоритель
Антенна радиоприемника
Шоферский инструмент и принадлежности
Схема расположения подшипников качения в агрегатах шасси автомобилей
1
2
3
4
4
4
5
5
5
5
6
7
8
9
10
10
11
12
13
14
15
16
17
18
19
20
21
22
23
24
25
Позиция на иллюстрации
Заводской номер детали
Название детали
1
408-2912652
Буфер задней подвески дополнительный
2
252155-П2
Шайба пружинная
3
250510-П8
Гайка крепления дополнительного буфера
4
402-2915006-А
Амортизатор задней подвески в сборе
5
402-2915432
Втулка нижнего шарнира амортизатора подвески
6
402-2905542
Втулка кронштейна амортизатора распорная
7
201496-П2
Болт крепления кронштейна амортизатора к основанию кузова
8
201529-П29
Болт крепления амортизатора к кронштейну
9
402-2915540
Кронштейн крепления амортизатора задней подвески
10
252136-П2
Шайба пружинная
11
250513-П29
Гайка
12
250512-П2
Гайка
13
408-2912624
Буфер задней подвески
14
408-2912632
Держатель буфера
15
408-2912408
Стремянка задней рессоры
16
408-2912012
Рессора задняя в сборе
17
423-2912012
Рессора задняя в сборе
18
432-2912012
Рессора в сборе задняя
19
258039-П
Шплинт разводной
20
250976-П29
Гайка прорезная
21
365044-П2
Шайба специальная
22
252017-П2
Шайба
23
408-2912411
Накладка стремянки задней рессоры с пальцем в сборе, левая
24
402-2912622
Буфер задней рессоры в сборе
25
432-2912408
Стремянка задней рессоры
Содержащиеся в справочниках-каталогах запасные части и детали не предлагаются к продаже, а носят исключительно информационный характер
Дополнительная информация
×
Название:
Номер:
Примечание: