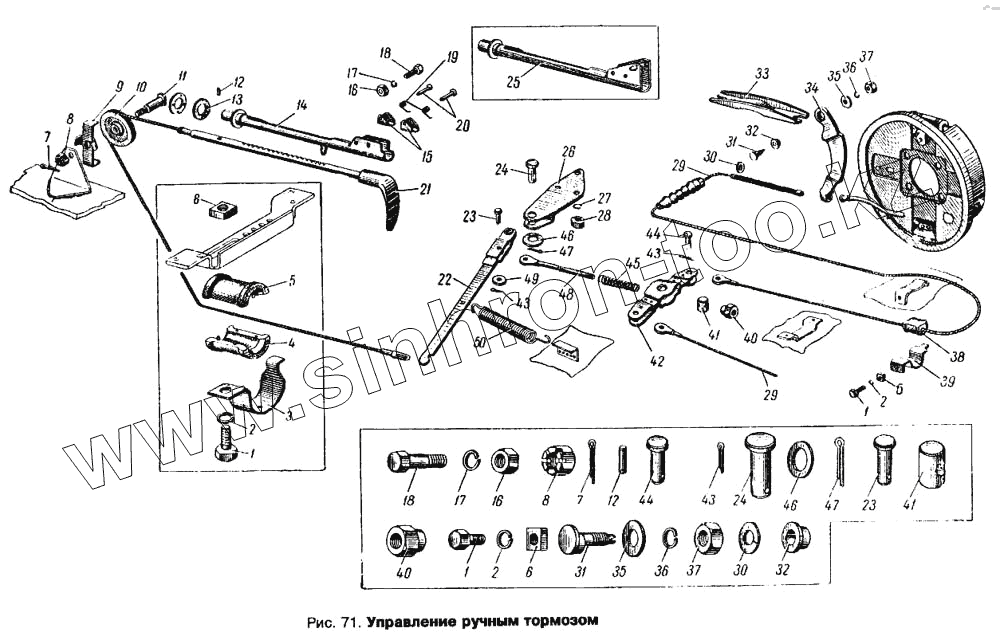
Каталог запасных частей к технике: АЗЛК Москвич 412. Управление ручным тормозом
1
1
1
2
2
2
3
4
5
6
6
6
7
7
8
8
9
10
11
12
12
13
14
15
16
16
17
17
18
18
19
20
21
22
23
23
24
24
25
26
27
28
29
29
30
30
31
31
32
32
33
34
35
35
36
36
37
37
38
38
39
40
40
41
41
42
43
43
43
44
44
45
46
46
47
47
48
49
50
| Позиция на иллюстрации | Заводской номер детали | Название детали | |
|---|---|---|---|
| 412П-3508060 | 412П-3508060 | Кронштейн крепления промежуточного рычага в сборе | |
| 201453-П29 | 201453-П29 | Болт | |
| 412П-3508017 | 412П-3508017 | Стержень ручного рычага тормоза с рукояткой и тросом в сборе | |
| 1 | 201416-П29 | Болт | |
| 1 | 201416-П29 | Болт | |
| 2 | 252134-П29 | Шайба пружинная | |
| 3 | 408-3508163 | Скоба кронштейна подвески переднего ручного рычага тормоза | |
| 4 | АДПМ-167 | Втулка переднего троса, направляющая, нижняя часть | |
| 5 | АДПМ-166 | Втулка переднего троса, направляющая, верхняя часть | |
| 6 | 251104-П29 | Гайка четырехгранная | |
| 7 | 258025-П8 | Шплинт разводной | |
| 8 | 250976-П29 | Гайка прорезная | |
| 9 | 408-3508139 | Предохранительная планка ролика (ограничитель троса) | |
| 10 | 408-3508133 | Ролик ручного привода тормоза в сборе | |
| 11 | 408-3508141 | Ось ролика ручного привода тормоза | |
| 12 | 258723-П29 | Штифт стержня ручного рычага тормоза | |
| 13 | 402-3508026 | Шайба корпуса ручного рычага тормоза, уплотнительная | |
| 14 | 408-3508022-Б | Корпус ручного рычага тормоза в сборе | |
| 15 | 402-3508030 | Собачка ручного рычага тормоза | |
| 16 | 250510-П29 | Гайка | |
| 17 | 252135-П29 | Шайба пружинная | |
| 18 | 201459-П29 | Болт | |
| 19 | 402-3508036 | Пружина собачек ручного рычага тормоза | |
| 20 | 255133-П29 | Заклепка собачки ручного рычага тормоза | |
| 21 | 408-3508017 | Стержень ручного рычага тормоза с рукояткой и тросом в сборе | |
| 22 | 408-3508047 | Рычаг ручного привода тормоза в сборе, промежуточный | |
| 23 | 260033-П29 | Палец переднего запора спинки заднего сиденья | |
| 24 | 260085-П29 | Палец крепления промежуточного рычага ручного привода тормоза к кронштейну | |
| 25 | 412П-3508022 | Корпус ручного рычага тормоза в сборе | |
| 26 | 412-3508060 | Кронштейн крепления промежуточного рычага в сборе | |
| 27 | 252135-П29 | Шайба пружинная | |
| 28 | 250510-П29 | Гайка | |
| 29 | 408-3508120 | Трос ручного привода тормоза, задний в сборе | |
| 30 | 402-3508145 | Шайба упорная пружины | |
| 31 | 402-3508195 | Винт разжимного рычага регулировочный | |
| 32 | 402-3508196 | Втулка регулировочного винта | |
| 33 | 403-3508200 | Планка распорная колодок тормоза правая | |
| 34 | 402-3508190 | Рычаг ручного привода тормоза, разжимной правый | |
| 35 | 252005-П29 | Шайба | |
| 36 | 252155-П2 | Шайба пружинная | |
| 37 | 250511-П29 | Гайка | |
| 38 | 402-3508056 | Втулка скобы промежуточной подвески заднего троса | |
| 38 | ГАЗ-12-3508098 | Втулка скобы промежуточной подвески заднего троса | |
| 39 | 402-3508155-Б | Скоба заднего троса | |
| 40 | 402-3508076 | Гайка регулировочного наконечника задних тросов ручного привода тормоза | |
| 41 | 402-3508104 | Палец крепления уравнителя | |
| 42 | 402-3508100-А | Уравнитель задних тросов ручного привода в сборе | |
| 43 | 258038-П29 | Шплинт разводной | |
| 44 | 260032-П29 | Палец крепления наконечника заднего троса к уравнителю | |
| 45 | 402-3508078 | Пружина регулировочного наконечника задних тросов ручного привода тормоза | |
| 46 | 252007-П29 | Шайба | |
| 47 | 258053-П29 | Шплинт разводной | |
| 48 | 408-3508072 | Наконечник уравнителя задних тросов, регулировочный | |
| 49 | 252005-П29 | Шайба | |
| 50 | 408-3508093 | Пружина промежуточного рычага ручного привода тормоза оттяжная |
Содержащиеся в справочниках-каталогах запасные части и детали не предлагаются к продаже, а носят исключительно информационный характер