Каталог запасных частей к технике: АЗЛК Москвич 412. Пружина, стойка и рычаги передней подвески
1
1
2
2
3
3
4
4
5
5
5
6
6
7
7
8
8
8
9
9
10
11
12
12
13
13
13
13
14
14
15
15
16
16
17
18
19
19
20
21
22
23
24
25
25
26
27
28
29
29
30
31
32
33
34
35
35
36
37
38
39
41
42
43
44
44
45
45
46
46
47
48
48
49
49
50
51
52
53
54
55
56
57
57
58
59
60
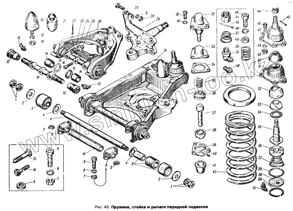
| Позиция на иллюстрации | Заводской номер детали | Название детали | |
|---|---|---|---|
| 403-2904202 | 403-2904202 | Корпус шарового шарнира стойки передней подвески с вкладышем в сборе, правый | |
| 403-2904198-Р -19 | 403-2904198-Р -19 | Шаровой шарнир стойки передней подвески, правый (комплект) | |
| 403-2904056 | 403-2904056 | Стойка передней подвески правая | |
| 403-2904054 | 403-2904054 | Стойка передней подвески с кольцом в сборе, правая | |
| 403-2904010 | 403-2904010 | Рычаг передней подвески нижний с осью и шаровой опорой правый в сборе | |
| 403-2904020 | 403-2904020 | Рычаг нижний, правый | |
| 403-2904021 | 403-2904021 | Рычаг нижний, левый | |
| 403-2904010-А | 403-2904010-А | Рычаг нижний с осью и шаровой опорой в сборе, правый | |
| 403-2904011-А | 403-2904011-А | Рычаг нижний с осью и шаровой опорой в сборе, левый | |
| 403-2904100 | 403-2904100 | Рычаг верхний, правый | |
| 403-2904098-02 | 403-2904098-02 | Рычаг верхний с осью и шаровым шарниром в сборе, правый | |
| 403-2904058-А | 403-2904058-А | Опора шаровая стойки с пальцем в сборе | |
| 403-2904203 | 403-2904203 | Корпус шарового шарнира с вкладышем стойки передней подвескив сборе, левый | |
| 403-2904204 | 403-2904204 | Корпус шарового шарнира стойки передней подвески, правый | |
| 1 | 250614-П29 | Гайка оси нижнего рычага | |
| 2 | 252045-П8 | Шайба увеличенная | |
| 3 | 403-2904046 | Сайлент-блок нижнего рычага в сборе | |
| 4 | 365119-П8 | Шайба сайлент-блока, опорная | |
| 5 | 365362-П | Шайба держателя оси, ограничительная | |
| 6 | 403-2904038 | Держатель оси нижнего рычага | |
| 7 | 250688-П29 | Гайка | |
| 8 | 252136-П2 | Шайба пружинная | |
| 8 | 252156-П2 | Шайба пружинная | |
| 9 | 360081-П8 | Болт крепления держателя оси | |
| 10 | 403-2904036 | Распорка оси нижнего рычага | |
| 11 | 403-2904032 | Ось нижнего рычага | |
| 12 | 403-2904084 | Втулка резьбовая оси верхнего рычага передней подвески | |
| 13 | 367875-П | Пресс-масленка угловая оси верхнего рычага передней подвески | |
| 13 | 367875-П8 | Пресс-масленка шаровой опоры, угловая | |
| 14 | 403-2904125 | Втулка (чехол) оси верхнего рычага передней подвески, защитная | |
| 15 | 403-2904128 | Обойма защитной втулки (чехла) оси верхнего рычага передней подвески | |
| 16 | 201426-П8 | Болт крепления регулировочных прокладок к оси верхнего рычага | |
| 17 | 403-2904112 | Ось верхнего рычага передней подвески | |
| 18 | 250510-П29 | Гайка | |
| 19 | 252135-П2 | Шайба пружинная | |
| 20 | 402-2902622 | Буфер сжатия передней подвески в сборе | |
| 21 | 402-2902654-А | Буфер дополнительный отдачи подвески | |
| 22 | 403-2904127 -10 | Прокладка оси верхнего рычага передней подвески, регулировочная | |
| 23 | 403-2904130 | Колодка крепления регулировочных прокладок | |
| 24 | 403-2904132 | Пластина стопорная | |
| 25 | 360091-П8 | Болт крепления оси верхнего рычага к поперечине № 2 | |
| 26 | 403-2904101 | Рычаг верхний, левый | |
| 27 | 403-3501200 | Болт М10х1х41 | |
| 28 | 250688-П29 | Гайка | |
| 29 | 403-2904055 | Стойка передней подвески с кольцом в сборе, левая | |
| 29 | 403-2904057 | Стойка передней подвески левая | |
| 30 | 360088-П8 | Болт крепления шарового шарнира к верхнему рычагу передней подвески | |
| 31 | 403-2904011 | Рычаг передней подвески нижний с осью и шаровой опорой левый в сборе | |
| 32 | 403-2904199-Р -19 | Шаровой шарнир стойки передней подвески, левый (комплект) | |
| 33 | 403-2904216 | Крышка шарового шарнира стойки передней подвески | |
| 34 | 403-2904218 | Прокладка регулировочная толщиной 0,2 мм | |
| 35 | 403-2904215 | Пружина нажимного вкладыша шарового шарнира стойки передней подвески | |
| 36 | 403-2904210 | Вкладыш пальца шарового шарнира стойки передней подвески, нажимной | |
| 37 | 403-2904208 | Палец шаровой стойки передней подвески | |
| 38 | 403-2904206 | Вкладыш корпуса шарового шарнира стойки передней подвески | |
| 39 | 403-2904205 | Корпус шарового шарнира стойки передней подвески, левый | |
| 41 | 403-2904226 | Чехол шарового шарнира, грязезащитный | |
| 42 | 402-2902712 | Пружина передней подвески | |
| 43 | 403-2902730 | Прокладка пружины передней подвески | |
| 44 | 250870-П29 | Гайка пальца шаровой опоры | |
| 45 | 258040-П | Шплинт разводной | |
| 46 | 360015-П29 | Болт | |
| 46 | 367868-П8 | Пресс-масленка шарового шарнира стойки передней подвески | |
| 47 | 403-2904058 | Опора шаровая стойки передней подвескис пальцем в сборе | |
| 48 | 252155-П2 | Шайба пружинная | |
| 49 | 362046-П29 | Гайка | |
| 50 | 403-2904088 | Чехол шаровой опоры грязезащитный | |
| 51 | 403-2904060 | Корпус шаровой опоры передней подвески с вкладышем в сборе | |
| 52 | 403-2904067 | Вкладыш шаровой опоры стойки передней подвески | |
| 53 | 403-2904073 | Сухарь пальца шаровой опоры передней подвески | |
| 54 | 403-2904092 | Кольцо шаровой опоры, упорное | |
| 55 | 403-2904068 | Палец шаровой опоры стойки передней подвески | |
| 56 | 403-2904074 | Обойма шаровой опоры стойки передней подвески нажимная | |
| 57 | 403-2904077-А | Пружина нажимной обоймы шаровой опоры стойки передней подвески | |
| 58 | 403-2904072 | Кольцо шаровой опоры стойки передней подвески уплотнительное | |
| 59 | 403-2904078 | Крышка шаровой опоры стойки передней подвески | |
| 60 | 403-2904079 | Кольцо крышки шаровой опоры стопорное |
Содержащиеся в справочниках-каталогах запасные части и детали не предлагаются к продаже, а носят исключительно информационный характер