Каталог запасных частей к технике: АЗЛК Москвич 412. Коробка передач (Часть 2)
34
35
35
36
36
37
38
39
40
41
41
42
43
43
43
44
45
46
47
47
48
49
50
51
51
52
53
54
55
56
57
57
57
58
59
59
60
61
61
61
62
63
64
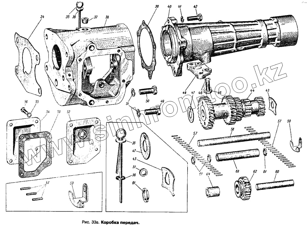
| Позиция на иллюстрации | Заводской номер детали | Название детали | |
|---|---|---|---|
| 201498-П29 | 201498-П29 | Болт крепления кронштейна задней опоры двигателя | |
| 201542-П29 | 201542-П29 | Болт крепления коробки передач к картеру сцепления, правый (верхний и нижний) | |
| 408-1701080 | 408-1701080 | Шестерня паразитная заднего хода в сборе | |
| 252156-П29 | 252156-П29 | Шайба пружинная | |
| 365087-П | 365087-П | Шайба регулировочная | |
| 34 | 407-1700018 | Прокладка коробки передач передняя | |
| 35 | 410-1701260-А | Указатель уровня масла в сборе | |
| 36 | 400-1009056-А | Шайба указателя уровня масла | |
| 37 | 262571-П | Пробка наполнительного и сливного отверстий картера коробки передач | |
| 38 | 408-1701015 | Картер коробки передач | |
| 39 | 408-1701203 | Прокладка удлинителя | |
| 40 | 408-1701200-Б | Удлинитель картера коробки передач в сборе | |
| 41 | 412-1701033 | Сальник первичного вала коробки передач в сборе | |
| 41 | 252135-П29 | Шайба пружинная | |
| 42 | 201459-П29 | Болт | |
| 43 | 408-1701064 | Шайба упорная блока шестерен промежуточного вала коробки передач задняя (с желтой меткой) | |
| 43 | 408-1701062 | Шайба упорная блока шестерен промежуточного вала коробки передач задняя (с синей меткой) | |
| 43 | 408-1701063 | Шайба упорная блока шестерен промежуточного вала коробки передач задняя (с черной меткой) | |
| 44 | 408-1701050 | Блок шестерен промежуточного вала коробки передач | |
| 45 | 201498-П29 | Болт крепления кронштейна задней опоры двигателя | |
| 46 | 252156-П29 | Шайба пружинная | |
| 47 | 401-1701060 | Шайба упорная блока шестерен промежуточного вала коробки передач передняя | |
| 48 | 412-1001072 | Кронштейн задней опоры двигателя | |
| 49 | 201540-П29 | Болт крепления коробки передач к картеру сцепления, левый, нижний | |
| 50 | 360046-П29 | Болт крепления коробки передач к картеру сцепления, левый, верхний | |
| 51 | 252157-П29 | Шайба пружинная | |
| 52 | 408-1701250-В | Крышка люка картера коробки передач со стороны промежуточной шестерни заднего хода, в сборе | |
| 53 | 408-1701251 | Прокладка крышки люка картера коробки передач со стороны промежуточной шестерни заднето хода | |
| 54 | 408-1701250-Б | Крышка люка паразитной шестерни | |
| 55 | 252154-П29 | Шайба пружинная | |
| 56 | 201417-П29 | Болт | |
| 57 | 401-1701052 | Игла подшипника блока шестерен | |
| 58 | 408-1701072 | Ось блока шестерен промежуточного вала коробки передач | |
| 59 | 408-1701094 | Стопор осей блока шестерен промежуточного вала и промежуточной шестерни | |
| 60 | 408-1701092 | Ось паразитной шестерни | |
| 61 | 401-1701054 | Кольцо упорное подшипника | |
| 62 | 408-1701082 | Шестерня паразитная заднего хода | |
| 63 | 408-1701058 | Трубка промежуточного вала распорная | |
| 64 | 408-1701084 | Втулка паразитной шестерни |
Содержащиеся в справочниках-каталогах запасные части и детали не предлагаются к продаже, а носят исключительно информационный характер